中国有色金属学报 2004,(10),1729-1735 DOI:10.19476/j.ysxb.1004.0609.2004.10.019
加钛方式与钛含量对A356合金组织和性能的影响
宋谋胜 刘忠侠 李继文 宋天福 王明星 谢敬佩 翁永刚
郑州大学物理工程学院材料物理教育部重点实验室,郑州大学物理工程学院材料物理教育部重点实验室,郑州大学物理工程学院材料物理教育部重点实验室,郑州大学物理工程学院材料物理教育部重点实验室,郑州大学物理工程学院材料物理教育部重点实验室,郑州大学物理工程学院材料物理教育部重点实验室,郑州大学物理工程学院材料物理教育部重点实验室 郑州450052 ,郑州450052 ,郑州450052 ,郑州450052 ,郑州450052 ,郑州450052 ,郑州450052
摘 要:
研究了不同钛含量的电解A356合金的组织和力学性能,并与相应钛含量的熔配加钛A356合金进行了比较。结果表明:随着钛含量的增加,二者的晶粒和一次枝晶都明显细化,硅颗粒尺寸、纵横比均有所降低,硅颗粒圆形度有所增加,意味着硅颗粒形状得到改善。但当钛含量大于0.1%时,这种影响变弱。钛含量和加钛方式对合金的屈服强度和抗拉强度影响不大且二者相当,但塑性随着钛含量的增加而增加,当钛含量达到0.1%时,两种合金均具有最佳的塑性和质量系数。对具有相同钛含量的合金,电解加钛A356合金的晶粒和Si颗粒的尺寸小于相应钛含量熔配加钛A356合金,硅颗粒圆形度也优于相应熔配加钛A356合金,电解A356合金的塑性、质量系数均优于相应钛含量的熔配加钛A356合金,但加钛方式对硅颗粒纵横比影响不系统。
关键词:
加钛方式 ;钛含量 ;A356合金 ;微观组织 ;力学性能 ;
中图分类号: TG113
作者简介: 宋谋胜(1973),男,硕士研究生.; 刘忠侠,副教授,博士;电话:03717767776;传真:03717767776;E mail:liuzhongxia@zzu.edu.cn;
收稿日期: 2004-03-29
基金: 河南省重大科技攻关项目(0322020600);
Effect of titanium alloying manner and titanium content on microstructure and mechanical properties of A356 alloys
Abstract:
The microstructure and mechanical properties of electrolytic A356 alloys with different titanium contents were investigated and compared with those of A356 alloys alloyed by melting Al-Ti master alloys. The results show that the grain, primary dendrite and Si particles of both kinds of alloys are obviously refined with increasing titanium content. The aspect ratio decreases and the roundness of Si particles increases, which means that the shape of Si is improved. This effect on the microstructure decreases when titanium content exceeds 0.1%. The effects of titanium content and titanium alloying manner on the yield strength and tensile strength of alloys are trifling, but the ductility increases with increasing titanium content. Two kinds of alloys have the optimal elongation and quality index when titanium content approaches 0.1%. For the alloys with the same titanium content, the sizes of grain and Si particles of electrolytic A356 alloys are less than those of A356 alloys alloyed by melting Al-Ti master alloys. The roundness of Si particles, the elongation and quality index of the former are superior to those of the latter. The effect of titanium alloying manner on the aspect ratio is unsystematic.
Keyword:
titanium alloying manner; titanium content; A356 alloys; microstructure; mechanical properties;
Received: 2004-03-29
A356合金(ZL101A)因具有优良的铸造性能, 热处理性能、 加工性能、 疲劳性能以及良好的强度、 塑性, 成为目前汽车、 摩托车轮毂使用最为广泛的Al-Si系列铸造合金
[1 ]
。 人们发现, 低钛合金化处理可以实现晶粒的细化, 是提高铝合金性能的有效手段之一。 在A356合金中添加少量的元素钛, 就能有效地细化合金的晶粒, 明显改善合金的综合力学性能。 传统上, 钛是通过向熔体中添加Al-Ti或Al-Ti-B中间合金来实现的
[2 ,3 ,4 ]
。 由于依赖于中间合金熔化时释放出的TiAl3 质点和钛原子, 这种方法存在铝耗大、 细化效果不稳定、 衰退快、 质量难于控制等缺点, 需要严格控制熔配温度。 近年来我国对电解法生产铝合金开展了一系列研究, 邱竹贤等
[5 ,6 ]
曾进行电解生产Al-Ti、 Al-Ti-B等中间合金试验, 表明电解法生产Al-Ti中间合金是可能的, 但一直未投入工业化应用。 杨冠群、 王汝耀等
[7 ,8 ]
通过在电解质中添加一定量的硅钛氧化铝矿粉, 直接电解生产出了含有一定量的钛、 硅的Al-Si-Ti合金, 但由于对电解槽参数影响大, 合金成分难于控制, 目前仍处于工业试验阶段。 郑州大学材料物理实验室等经过数年的实验和探索, 通过在电解槽中添加一定量的氧化钛, 用电解法直接制备出具有一定含钛量的低钛铝合金。 已有的工作表明, 直接电解低钛铝合金不改变纯铝的电解工艺和生产效率, 具有合金晶粒细化效果好、 抗衰退能力强等优点
[9 ,10 ,11 ]
。 本文作者研究对比了不同钛含量的电解加钛与熔配加钛A356合金的微观组织和力学性能, 并对二者的性能差异进行了分析。
1 实验
电解加钛A356合金选用含钛量(质量分数)分别为0.04%、 0.10%、 0.18%和0.20%的低钛铝合金细晶铝锭进行熔配。 首先将其与结晶硅配制成硅含量为10%的低钛Al-Si中间合金, 然后将配制的低钛Al-Si中间合金和低钛铝合金, 按一定比例放入7.5 kW的电阻坩锅炉中加热熔化。 740 ℃时加入Al-8.6%Sr中间合金进行变质处理, 锶含量以0.04%计, 750 ℃时通入氩气除气10 min, 720 ℃加镁, 然后除渣, 静置10 min后浇注。 采用金属型模具, 浇注前预热到200 ℃, 浇注温度710 ℃。 试样采用T6热处理, 在535 ℃固溶6 h, 在60 ℃的热水中淬火, 165 ℃人工时效8 h。 熔配加钛A356合金则先用纯铝与硅配制成含硅量为10%的Al-Si中间合金配制, 晶粒细化剂为Al-5%Ti中间合金, 浇注前30 min加入, 其它原材料及工艺与电解A356合金相同。 合金的化学成分采用Metalscan2500型金属分析仪进行分析, 分析结果如表1所列。 金相样品均取自拉伸试样的夹头部位, 宏观组织用CuCl2 溶液腐蚀, 微观组织则用0.5%的HF溶液腐蚀, 用配备图像采集系统的Nikon MBA21000型金相显微镜来观察微观组织并拍照, 每个样品在不同处拍20余幅照片。 利用武汉大学开发的WD-5电镜联机及光镜图文管理系统来定量计算一次枝晶尺寸以及硅颗粒的尺寸。 拉伸性能采用标准直径d 0 =10 mm, l 0 =8d 0 的标准圆柱拉伸试棒, 在MTS810液压伺服材料试验机上进行, 拉伸速率为1 mm/min, 每种成分合金使用8根样品。 拉伸断口形貌则用JSM-5600型扫描电子显微镜进行观察。
2 结果与讨论
2.1 合金的显微组织分析
图1所示为电解A356合金的宏观组织。 由图1可以看出, 当钛含量较低时(E04, w (Ti)=0.04%), 合金晶粒细化效果不明显, 这可能是硅对钛的毒化所致
[3 ]
。 而随着钛含量的增加, 合金的晶粒得到了明显细化, 但钛含量超过0.10%时, 钛对合金晶粒尺寸的细化效果下降。 作为对比图中给出了含钛量为0.10%的熔配加钛A356合金(M10)的宏观组织, 可以看出, 电解加钛A356合金晶粒尺寸明显较熔配加钛合金细小。 图2所示为与图1中两种加钛方式合金E10, M10相对应的典型微观组织, 二者微观组织均由α (Al)枝晶和铝硅共晶区组成, 与图1结果类似, 电解加钛A356合金的微观组织略细于熔配加钛合金。 图3所示为两种合金的一次枝晶长度与钛含量的关系, 可以看出, 随着钛含量的增加, 两种加钛方式合金的一次枝晶尺寸逐渐减小, 但钛含量超过0.10%后, 减小之势变缓。 相对而言, 在所实验合金钛含量范围内, 电解加钛一次枝晶尺寸均较熔配加钛合金细小。 由于一次α (Al)枝晶尺寸直接与合金晶粒细化效果有关, 很明显, 电解加钛对合金晶粒的细化效果更显著。
表1 合金的化学成分
Table 1 Chemical composition of alloys(mass fraction, %)
Sample No.
Ti alloying method
Si
Fe
Mg
Ti
Sr
Al
00 E04 M04 E10 M10 E14 M14 E18 M18
Free Ti Ti alloying by electrolysis Ti alloying by melting Al-5%Ti master Ti alloying by electrolysis Ti alloying by melting Al-5%Ti master Ti alloying by electrolysis Ti alloying by melting Al-5%Ti master Ti alloying by electrolysis Ti alloying by melting Al-5%Ti master
6.54 6.59 6.71 6.47 6.73 6.87 6.89 6.81 6.84
0.126 0.109 0.109 0.100 0.105 0.099 0.107 0.093 0.107
0.374 0.398 0.408 0.320 0.355 0.405 0.406 0.416 0.419
0 0.037 0.046 0.105 0.093 0.139 0.131 0.176 0.175
0.027 0.027 0.022 0.027 0.028 0.025 0.025 0.033 0.031
Bal. Bal. Bal. Bal. Bal. Bal. Bal. Bal. Bal.
图1 A356合金的宏观组织
Fig.1 Macrostructures of A356 alloys (a)—Free Ti; (b)—Ti alloying by electrolysis, w (Ti)=0.04%; (c)—Ti alloying by electrolysis, w (Ti)=0.10%; (d)—Ti alloying by electrolysis, w (Ti)=0.14%; (e)—Ti alloying by electrolysis, w (Ti)=0.18%; (f)—Al-5Ti master alloy alloying, w (Ti)=0.10%
钛对铝合金晶粒的细化作用来自于TiAl3 对α (Al)晶粒的非均质形核作用和钛对晶粒生长的抑制作用
[1 ,2 ,3 ,4 ]
。 对A356合金而言, 合金中较高含量的硅部分取代了TiAl3 中的钛形成Ti(Al1-x Six )3 三元化合物, 改变了TiAl3 质点的晶格常数, 降低了TiAl3 质点的异质形核效果, 出现所谓的硅对钛晶粒细化的毒化作用, 因此, 当钛含量较低时, 钛对合金晶粒细化效果不显著。 随钛含量的增加, Ti(Al1-x Six )3 质点数量增加, 其非均质形核能力增强, 使得α (Al)相形核率增加。 同时, 随着钛含量增加, 钛的成分过冷增强, 也会激发更多的α (Al)相形核, 钛对α (Al)相生长抑制作用和对合金晶粒细化效果也相应增加。 但是, 钛含量超过0.10%时, 过高的钛含量有可能造成Ti(Al1-x Six )3 质点的聚集和沉淀, 从而降低钛对合金晶粒的细化效果, 王汝耀等也发现了类似的现象
[12 ]
, 他们在含钛量超过0.10%的A356合金中发现了针状Ti(Al1-x -Six )3 的存在, 因此, 过高的钛含量不一定对合金的晶粒细化和力学性能有利。
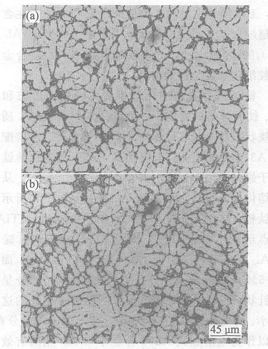
图2 A356合金(w(Ti)=0.1%)微观组织
Fig.2 Microstructures of A356 alloys (a)—Ti alloying by electrolysis; (b)—Al-5Ti master alloy alloying
图3 钛含量对一次枝晶长度的影响
Fig.3 Effect of titanium content on primary dendrite size
钛对铝合金的细化效果受TiAl3 的形态和尺寸、 钛的分布的影响
[13 ]
。 细小、 均匀的TiAl3 质点较块状或板条状TiAl3 细化效果更显著。 和熔配加钛A356合金相比, 电解加钛A356合金中的钛来自于原材料电解过程, 材料中存在有大量的、 从合金熔体中原位析出的内在TiAl3 质点, 图4所示为低钛铝合金细晶铝锭和Al-5%Ti中间合金中TiAl3 质点形貌, 可以看出, 低钛铝合金细晶铝锭中TiAl3 质点非常细小(尺寸小于5 μm)、 均匀。 而在Al-5%Ti中间合金中, TiAl3 质点粗大, 部分呈粗大针状。 很明显, 低钛铝合金细晶铝锭存在的这些细小、 均匀的TiAl3 质点, 在合金熔体中均匀分布, 可以作为电解加钛A356合金中α (Al)相的有效形核核心。 而熔配加钛A356合金, α (Al)相的有效形核核心依赖于Al-5%Ti中间合金中粗大TiAl3 相的熔断与扩散, TiAl3 质点的尺寸、 在熔体中的分布及均匀性较电解加钛A356合金差。 此外, 从组织遗传角度, 在重熔过程中, 由于合金熔配温度远低于合金熔体结构的无序化温度, 原材料中存在的这些细小的TiAl3 质点可以以Al-Ti原子团簇的方式存在于合金熔体中
[14 ]
, 因此合金熔体中存在较多的由这些原子团簇组成的微观不均匀区域, 在随后的凝固过程中, 这些微小的Al-Ti原子团簇可以作为α (Al)相的有效形核核心遗传给A356合金, 使得电解加钛A356合金具有细小的晶粒组织。
图4 合金中TiAl3质点形貌(SEM)
Fig.4 Morphologies of TiAl3 particles in alloys (a)—Low-titanium aluminium alloys billets, w (Ti)=0.2%; (b)—Al-5%Ti master alloys
值得注意的是, 加钛方式和钛含量对合金热处理后的共晶硅颗粒形状和尺寸也具有明显的影响。 图5所示为钛含量对两种加钛方式合金硅颗粒尺寸和形状的影响。 可以看出, 除含钛量较低的两种合金(E04和M04)外, 电解加钛A356合金的硅颗粒的尺寸小于相应钛含量熔配加钛A356合金, 圆形度也优于相应熔配加钛A356合金, 但加钛方式对硅颗粒纵横比影响不系统。 随钛含量的增加, 两种合金的硅颗粒尺寸和纵横比均逐渐减小, 而圆形度逐渐增大。 当钛含量小于0.10%时, 这种影响特别显著, 而当钛含量大于0.10%时, 影响明显变弱, 与钛对合金晶粒尺寸的影响非常类似。 文献
[
15 ,
16 ]
也发现了类似的现象, 他们的研究结果表明, 随着α (Al)晶粒尺寸增大, 共晶硅颗粒也有变大的趋势。
图5 Ti含量对 Si颗粒尺寸和形状的影响
Fig.5 Effect of titanium content on size and roundness of Si particles (a)—Equivalent diameter; (b)—Aspect ratio and roundness
Heiberg和Criado的研究工作表明
[17 ,18 ]
, 共晶区总是在初晶α (Al)相枝晶间形成, 共晶α (Al)相与初晶α (Al)相具有相似的位向关系, 初晶α (Al)提供了共晶硅的结晶核心。 因此, 共晶硅总是以α (Al)相为领先相与α (Al)相协调生长。 随着α (Al)相的细化, 也会相应细化合金的硅颗粒尺寸, 改善硅颗粒形状。 此外, 钛的加入不但可以抑制初晶α (Al)的生长, 细化α (Al)相, 从而影响共晶硅的生长, 也会对共晶α (Al)相的生长产生抑制作用, 在与之协调生长的共晶硅颗粒上, 有可能造成较多的生长台阶等缺陷。 固溶处理过程中硅颗粒在这些缺陷处碎化的几率增加, 从而有效地细化硅颗粒的尺寸, 改善硅颗粒的形状, 且钛含量越高越显著, 类似于钛对晶粒的细化作用。 钛含量超过0.1%时, 过多的钛以TiAl3 颗粒的形式聚集和沉淀, 从而造成钛对α (Al)相生长的抑制作用没有大的增加, 对硅颗粒尺寸和形状的影响降低。
2.2 合金的力学性能分析
图6所示为两种加钛方式合金的力学性能与钛含量的关系。 可以看出, 加钛方式和钛含量对合金强度影响较小, 两种合金具有相近的屈服强度和抗拉强度, 但对合金塑性影响较大。 在整个试验钛含量范围内, 电解加钛A356合金的延伸率均优于熔配加钛A356合金。 随着钛含量的增加, 二者的延伸率均呈现先增加后降低的趋势, 当钛含量达到0.10%时, 两种合金具有最佳的延伸率R e , 延伸率分别较不含钛A356合金提高46%和29%。 图7所示为两种加钛方式合金的质量系数Q 与钛含量的关系, 可以看出, 随着钛含量的增加, 两种合金的质量系数均逐渐增加, 但钛含量超过0.10%后增加的趋势变缓, 电解加钛A356合金的质量系数优于熔配加钛合金。 由于合金质量系数Q (Q /MPa=σ b +150lg(R e /%))将合金的强度与塑性有机的结合起来, 可以用来表征合金的综合力学性能, 很明显, 电解加钛的A356合金的综合力学性能优于相应钛含量的熔配加钛A356合金。 图8所示为钛含量为0.1%的两种合金的典型拉伸断口形貌(以E10、 M10为例)。 可见两种合金的断口上基本由韧窝组成, 表明二者是以微孔聚集型(韧窝)为主的延性断裂。 相对而言, 电解加钛A356合金的韧窝尺寸稍大于熔配加钛合金, 表明电解加钛A356合金在断裂前承受了较大的变形, 与前述电解加钛A356合金具有较高的塑性结果一致。
图6 力学性能与Ti含量的关系
Fig.6 Relationships of Ti content vs mechanical properties
A356合金的力学性能主要取决于晶粒尺寸、 硅颗粒和Mg2 Si的体积分数、 形貌、 尺寸及分布
[19 ,20 ]
。 在拉伸应力作用下, 微裂纹总是通过硅颗粒和夹杂物的开裂、 与α (Al)相基体的分离来萌生, 通过α (Al)相基体沿枝晶边界来扩展。 合金的强度来自于硅颗粒的第二相强化和Mg2 Si粒子的弥散强化。 由于本实验仅改变合金的钛含量和加钛方式, 两种合金具有相近的硅含量和采用相同的热处理工艺, 因此, 两种合金中硅颗粒和Mg2 Si粒子的体积分数差别不大, 从而造成两种合金具有相近的屈服强度和抗拉强度。 但是, 电解加钛细化了合金的α (Al)枝晶和硅颗粒, 改善了硅颗粒形状。 一方面, 硅颗粒尺寸的减小和圆形度的增加减少了硅颗粒开裂的几率, 增加了微裂纹萌生的阻力; 另一方面, α (Al)相的细化导致位错运动的阻力增加, 使得合金的α (Al)基体加工硬化率增加, 合金变形可以以更加协调的方式进行, 从而有效地阻止了微裂纹的聚集和长大。 因此在拉伸载荷下, 合金可以承受更大的变形, 使得合金的塑性得到明显提高。 类似地, 随着钛含量的增加, 合金的微观组织和硅颗粒进一步细化, 硅颗粒形状也不断改善, 因此合金的塑性和质量系数也不断提高。 但是, 当钛含量超过0.10%时, 过高的钛含量不但不能使合金晶粒尺寸得到进一步细化, 还很可能有部分钛以针状TiAl3 中间化合物的形式存在, 这些脆性的TiAl3 中间化合物割裂了基体, 增加了微裂纹形成的几率, 从而使合金的塑性下降。 王汝耀等
[12 ]
在研究钛对A356合金力学性能时发现了类似的现象, 他们得到的钛的适宜范围是0.08%~0.10%, 本实验得到的结果是钛含量为0.10%时, 综合力学性能比较好, 二者结果一致性较好。
3 结论
1) 随着钛含量的增加, 合金的晶粒得到了明显细化, 但钛含量超过0.10%时, 钛对合金晶粒尺寸的细化效果下降。 在钛含量相同时, 电解加钛方式明显较熔配加钛方式更能细化A356合金的晶粒尺寸, 这与前者自身带有的细小、 弥散分布的TiAl3 质点有关。
2) 随钛含量的增加, 两种合金的硅颗粒尺寸和纵横比均逐渐减小, 而圆形度逐渐增大。 当钛含量小于0.10%时, 这种影响特别显著, 而当钛含量大于0.10%时, 影响明显变弱, 与钛对合金晶粒尺寸的影响类似。 电解加钛A356合金的硅颗粒的尺寸小于相应钛含量熔配加钛A356合金, 圆形度也优于相应熔配加钛A356合金, 但加钛方式对硅颗粒纵横比影响不系统。
3) 加钛方式和钛含量对合金强度影响较小, 但对合金塑性影响较大。 在整个试验钛含量范围内, 电解加钛的A356合金伸长率均优于熔配加钛的A356合金伸长率。 随着钛含量的增加, 二者的延伸率均呈现先增加后降低的趋势, 当钛含量达到0.10%时, 两种合金具有最佳的伸长率, 伸长率分别较不含钛A356合金提高46%和29%。
参考文献
[1] MillerWS,ZhuangL,BottemaJ,etal,Recentdevelopmentinaluminiumalloysfortheautomotiveindustry[J].MaterialsScienceandEngineering,2000,A280(1):3749.
[2] MurtyBS,KoriSA,ChakrabortyM.Grainrefinementofaluminiumanditsalloysbyheterogeneousnucleationandalloying[J].InternationalMaterialReviews,2002,47(3):329.
[3] GreerAL.Grainrefinementofalloysbyinoculationofmelts[J].PhilTransRSocLond,2003,A361,479495.
[4] KoriSA,MurtyBS,ChakrabortyM.DevelopmentofanefficientgrainrefinerforAl 7Sialloy[J].MaterSciTechnal,2000,A280(1):5861.
[5] QIUZhu xian,ZHANGMing jie,YUYa xin,etal.Formationofaluminium titaniumalloysbyelectrolysisandbythermalreductionoftitaniaincryolite aluminamelts[J].Aluminium,1988,64(6):606609.
[6] QIUZhu xian,YUYa xin,ZHANGMing jie.PreparationofAl Ti BmasteralloysbythermalreductionandelectrolysisreductionandelectrolysisofB2O3andTiO2incryolite aluminamelts[J].Aluminium,1988,64(12):12541257.
[7] 杨 升,杨冠群,顾松青.电解法生产铝基合金[J].特种铸造及有色金属,2001(2):102104.YANGSheng,YANGGuan qun,GUSong qing.Theproductionofaluminiumalloysbyelectrolyticmethod[J].SpecialCasting&NonferrousAlloys,2001(2):102104.
[8] WANGRu yao,LUWei hua,HoganLM.Self modificationindirectelectrolyticAl Sialloys(DEASA)anditsstructuralinheritance[J].MaterialsScienceandEngineering,2003,A348(1/2):289298.
[9] 刘忠侠,宋天福,谢敬佩,等.低钛铝合金的电解生产与晶粒细化[J].中国有色金属学报,2003,10(5):12571261.LIUZhong xia,SONGTian fu,XIEJing pei,etal.Productionandgrainrefinementofdirectelectrolyticlow titaniumaluminiumalloys[J].TheChineseJournalofNonferrousMetals,2003,10(5):12571261.
[10] LIUZhi yong,WANGMing xing,WENGYong gang,etal.GrainrefinementeffectandmechanismofAlbasedalloycontaininglow contentTiproducedbyelectrolysis[J].TransNonferrousMetSocChina,2002,12(6):11211126.
[11] 范广新,王明星,刘志勇,等.电解加钛与熔配加钛对工业纯铝晶粒细化作用的研究[J].中国有色金属学报,2004,14(2):250254.FANGuang xin,WANGMing xing,LIUZhi yong,etal.Studyonthegrainrefinementeffectsoftitaniumaddedtocommercialpurealuminumbyelectrolysisandbymasteralloys[J].TheChineseJournalofNonferrousMetals,2004,14(2):250254.
[12] 王汝耀,鲁薇华.钛对AlSi7Mg0.3合金力学性能的影响[J].特种铸造及有色合金,1999(1):1617.WANGRu yao,LUWei hua.TheeffectoftitaniumonthemechanicalpropertiesofAlSi7Mg0.3alloys[J].SpecialCasting&NonferrousAlloys,1999(1):1617.
[13] VenkateswarluK,DasSK,ChakrabortyM,etal.Influenceofthermo mechanicaltreatmentofAl 5Timasteralloyonitsgrainrefiningperformanceonaluminium[J].MaterialsScienceandEngineering,2003,A351:237243.
[14] 李双寿,朱跃峰,曾大本,等.原料组织遗传性及其在铸造铝合金中的应用[J].铸造,1999(8):5358.LIShuang shou,ZHUYao feng,ZENGDa ben,etal.Thestructureheredityofrawmaterialandapplicationincastingaluminiumalloys[J].Foundry,1999(8):5358.
[15] SigworthGK,ShivkumerS,ApelianD.TheInfluenceofmoltenmetalprocessingonmechanicalpropertiesofcastAlSi Mgalloys[J].AFSTransaction,1989,97:811824.
[16] CaceresCH,GriffithsJR.DamagebythecrackingofsiliconparticlesinanAl 7Si 0.4Mgcastingalloy[J].ActaMater,1996,44(1):2533.
[17] HeibergG,NogitaK,DahleAK,etal.Columnartoequiaxedtransitionofeutecticinhypoeutecticaluminium siliconalloys[J].ActaMaterialia,2002,50:25372546.
[18] CriadoAJ,Mart姫nezJA,Calabr啨sR.Growthofeutecticsiliconfromprimarysiliconcrystalsinaluminium siliconalloys[J].ScriptaMaterialia,1997,36(1):4754.
[19] C偄ceresCH.Microstructureeffectsonthestrength ductilityrelationshipofAl 7Si Mgcastingalloys[J].MaterSciForum,2000,331337:223228.
[20] KobayashiT.Strengthandfractureofaluminiumalloys[J].MaterSciEng,2000,A280(1):816.