文章编号:1004-0609(2013)S1-s0429-04
高温均匀化处理对TC11合金锻件组织和性能的影响
韩 栋1,毛小南1,邓瑞刚2,张鹏省1
(1. 西北有色金属研究院,西安 710016;
2. 陕西宏远航空锻造有限责任公司,西安 713801)
摘 要:采用光学显微观察、力学性能测试、疲劳性能测试和扫描电镜断口分析等手段,研究不同锻造工艺和热处理对TC11钛合金锻件组织和性能的影响。结果表明:高温均匀化处理适用于TC11钛合金。经过高温均匀化锻后,锻造态态组织能为锻后热处理提供了良好的基础,有益于改善TC11钛合金的综合性能。
关键词:TC11锻件;高温均匀化处理;三态组织;力学性能;强韧性匹配
中图分类号:TG 文献标志码:A
Effect of high temperature homogenizing treatment on microstructure and properties of TC11 titanium alloy forging
HAN Dong 1, MAO Xiao-nan 1, DENG Rui-gang 2, ZHANG Peng-sheng 1
(1. Northwest Research Institute of Non-ferrous Metals, Xi’an 710016, China;
2. Shaanxi Hongyuan Aviation Forging Co., Ltd., Xi’an 713801, China)
Abstract: The effects of different forging processes and heat treatments on microstructures and properties of TC11 titanium alloy were investigated by means of optical microscope observation, mechanical property test, fatigue property test and scanning electric microscope fractography analysis. The results show that the high temperature homogenizing forging is suitable for TC11 titanium alloy. After high temperature homogenizing forging, the as-forged microstructure can lay a good basis to the next heat treatment, which is beneficial to improving comprehensive properties of TC11 titanium alloy.
Key words: TC11 alloy forging; high temperature homogenizing treatment; tri-modal microstructure; mechanical property; strength-toughness match
TC11合金属于Ti-Al-Mo-Zr-Si系马氏体型双相钛合金,具有良好的室温/高温强度、耐腐蚀性、热稳定性及抗蠕变性能,在现代航空发动机制造业中占有举足轻重的地位,主要用于制造500 ℃下使用的压气机盘、叶片、鼓筒和环形件等[1]。TC11合金成型温度范围窄、变形抗力大,热加工工艺参数的选择和合理匹配对其合金的加工工艺性能和组织结构都产生重要的影响。近年来,由于航空航天部门对TC11钛合金提出了高强韧性和高周疲劳强度匹配的要求,通过有效控制钛合金组织形貌以获得双态组织以及更优化的组织结构成为研究者最为青睐的研究方向[2-3]。本文作 者拟开展TC11合金的热加工工艺优化,探讨高温均匀化处理在锻造加工中对材料的组织结构与力学性能的影响,旨在实现TC11合金各项性能指标的良好匹配,发掘材料性能潜能,为确定合理的热加工工艺提供技术与理论依据。
1 实验
1.1 试验材料
所选用的试验材料是西北有色院采用VAR经3次熔炼制备的高均质TC11铸锭,成品铸锭规格为d 440 mm,化学成分见表1。金相法测得其相变温度为(1 000±5) ℃。
表1 TC11合金化学成分
Table 1 TC11 alloy composition (mass fraction, %)

对铸锭采用βt以上温度开坯锻造热加工方式,分别选用在两相区镦拔工序进行高温均匀化锻造(即两相区镦拔的中间火次增加βt温度以上的高温热处理)和常规锻造(即两相区多火次镦拔)两种工艺制备规格为d140 mm×330 mm的试验样件。所采用的热处理工艺为双重退火工艺,具体工艺为(950 ℃,1 h,AC) + (510 ℃,6 h,AC)。
1.2 测试方法
室温拉伸试验在Instron 1185拉伸试验机上进行,轴向拉伸应变速率控制在1 mm/min,测试温度为20 ℃。将经过不同锻造及热处理工艺的试样线切割成金相样品,尺寸为d10 mm×15 mm选用V(HF):V(HNO3): V(H2O)=1:3:5的混合溶液对试样表面进行腐蚀。用Olympus PMG3型金相光学显微镜及JSM-6460扫描电镜分析其显微组织,观察相组成及形貌。
2 结果与分析
2.1 高温均匀化处理对显微组织的影响
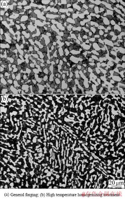
采用常规锻造和高温均匀化锻造两种热加工方式制备锻件,研究TC11合金显微组织在不同热加工条件下的转变规律。 TC11合金经常规锻造得到的组织结构为由球形和短棒形初生α相与β相组成的等轴组织(见图1(a));经高温均匀化锻造得到的为少量初生α相、片层状的次生α′相和β相组成的网篮组织,且组织更为均匀细小(见图1(b))。

图1 TC11合金锻态显微组织
Fig. 1 Forging microstructures of TC11 alloy
常规锻造是在相变点以下加热变形,所以通常不改变在α+β区变形时形成的组织特征,只有将热处理温度加热到非常接近于相变温度时,才发生组织类型的明显变化,并且主要反映在球状初生α相和片状α相之间的相对含量上。此外,保温时间主要影响α相颗粒尺寸。在这一锻造过程中,α相和β相呈两相共存,它们同时发生变形。充分变形的α相再结晶后为球状,而变形量小的α相再结晶后呈短棒状[4],因此锻造后得到如图1(a)所示的等轴组织。
高温均匀化锻造工艺使材料在单相区大变形量开坯,在β区开始变形,此时,材料变形抗力低,可充分破碎原始β晶粒和晶界α相;接着,在α+β两相区进行锻造,获得组织细化且比较均匀的双态组织;然后,将合金加热到β区进行高温均匀化处理并进行水冷,将锻造产生的晶体缺陷(位错、亚晶)和位错密度增加的变形组织全部或部分地固定下来,保持变形金属的结构特征。该工艺终锻于两相区,结合相变和再结晶的作用,最终得到由少量初生等轴α相(αe)、针状α′相(αs)和转变β组织(βt)构成的条状编织结构(见图1(b))。均匀化处理使锻件显微组织中的大块α相、拉长α相等不均匀性组织得以消除[5],水淬坯料显微组织中出现的白色条块是一种伪晶组织,不是长条的α相及大块的α相[6]。
与常规锻造相比,高温均匀化处理可以使晶体缺陷均匀化和过饱和固溶体均匀分布,达到组织均匀化、特别是晶粒均匀化的目的。经高温均匀化处理后,锻态组织为三态组织(即αe+αs+βt组织),其特征为αe的体积分数为10%,αs的体积分数为70%,且条状αs混乱交织。冷却速度越大,过冷度越大,条状αs晶粒越细,编织程度越混乱。水冷的目的就是获得过饱和马氏体,避免在β相区锻造得到魏氏组织而不利于其后两相区大变形量锻造时获得等轴细晶[7]。对经高温均匀化处理和常规锻造的样品进行XRD分析,结果如图2所示。由图2可见,经高温均匀化+水冷处理后的试样存在相当数量的α′相;而常规锻造式样中的α′相含量很少,主要相组成为稳定的α相和β相。

图2 高温均匀化锻造TC11合金的XRD谱和SEM像
Fig. 2 XRD pattern (a) and SEM image (b) of TC11 alloy forged by high temperature homogenizing treatment
图3所示为TC11合金在热处理后的显微组织。由图3可见,高温均匀化锻造后得到的网篮组织较之常规锻造得到的组织有更强的热处理敏感性,其网篮组织的α相条带出现了明显的球化。这是由于在α+β 两相区的变形机制动态球化,经β相区均匀化处理后发生了自扩散控制的动态再结晶[8],组织结构将更多的位错和变形亚晶保留到了锻后热处理阶段,较大的应变能及严重的晶格畸变为α相的球化提供了较大的驱动力。

图3 TC11合金在热处理后的显微组织
Fig. 3 Microstructures of TC11 alloy after heat treatments
2.2 高温均匀化处理对力学性能的影响
对前面经过不同锻造工艺处理的试样进行锻态力学性能测试,结果见表2。由表2可以看出,高温均匀化锻造时,其强度指标较之常规锻造的有显著提高,而其塑性指标下降并不明显。
表2 不同锻造工艺制备TC11锻件的室温力学性能
Table 2 Room-temperature mechanical properties of TC11 alloy prepared by various forging processes

不同锻造方式表现出的差别很容易从微观组织形貌上得到解释,由于高温均匀化锻造得到的是网篮组织,α相具有较高的纵横比,提供了更大的α/β相界面,所以具有较高的强度,而较为均匀细化的组织结构同时保证了材料的塑性。
对比锻态拉伸性能(见表2)可以发现,TC11钛合金锻后再经热处理,其强度(见表3)得到了明显的提高,提升幅度在12%~18%之间。这是由于在热处理时效过程中,淬火形成的α′相及介稳β相等热力学不稳定相进行了分解,析出了大量弥散相。由图1可见,热处理前的β组织中存在相当数量较大体积的α相,且照片中两相颜色差别明显,而热处理后β组织中分布的是均匀细小弥散状的α+β相(见图3),这说明热力学不稳定相进行了分解。在塑性变形时,弥散α片周围产生的应力场起到阻碍位错运动的作用,同时α/β相的界面也增加,产生弥散强化作用使材料强度大幅提高[9]。
表3 经双重退火热处理后的TC11锻件室温力学性能
Table 3 Mechanical properties of TC11 alloy after double annealing

4 结论
1) TC11合金经高温均匀化锻造后可得到由少量等轴α相、细板条α相与β转变组织构成的网篮组织,组织均匀细小;常规锻造后可得到由球形和短棒形初生α相与β转变组织组成的等轴组织。
2) 高温均匀化锻造得到的冶金状态为锻后热处理提供了良好的基础,结合(950 ℃,1 h,AC) + (530 ℃,6 h,AC),可得到由35%等轴α、转变β组成的双态组织,该组态可使材料获得良好的强韧性匹配,使其热处理后的综合力学性能明显优于常规锻造试样的,其性能水平较现行TC11合金的性能水平有很大提升。
REFERENCES
[1] 白晓环, 冯永琦, 王韦琪, 王永强, 徐祝萍.飞机结构用TC11钛合金异形锻件的组织与性能[J]. 钛工业进展, 2005, 22(5): 37-40.
BAI Xiao-huan, FENG Yong-qi, WANG Wei-qi, WANG Yong-qiang, XU Zhu-ping. Structure and performance of formed forgings of titanium alloy TC11 for aircraft structure [J]. Titanium Industry Progress, 2005, 22(5): 37-40.
[2] 吴英彦, 王万波, 计 波. TC11钛合金棒材在α+β两相区的终锻变形[J]. 中国有色金属学报, 2010, 20(S1): s811-s814.
WU Ying-yan, WANG Wan-bo, JI Bo. Final wrought deformation of TC11 titanium alloy in (α+β) phase [J]. The Chinese Journal of Nonferrous Metals, 2010, 20(S1): s811-s814.
[3] DING R, GUO Z X, WILSON A. Microstructural evolution of a Ti-6Al-4V alloy during thermomechanical processing [J]. Materials Science and Engineering A, 2002, 327: 233-245.
[4] LEYENS C, PETERS M. Titanium and titanium alloys [M]. KGaA, Weinheim: Wiley-VCH, 2003: 303-305.
[5] 郭鸿镇, 姚泽坤, 苏 华, 苏祖武. TC11钛合金叶片组织和性能控制[J]. 航空学报, 1997, 18(1): 189-195.
GUO Hong-zhen, YAO Ze-kun, SU Hua, SU Zu-wu. Structure and property control of the TC11 alloy blade die forgings [J]. Acta Aeronautica Et Astronautica Sinica,1997, 18(1): 189-195.
[6] 董长升, 李渭清, 蔡建明. 精锻及热处理工艺对TC11钛合金棒材显微组织的影响[J]. 稀有金属, 2004, 28(l): 286-288.
DONG Chang-sheng, LI Wei-qing, CAI Jian-ming. Effect of finish forge and heat-treatment on microstructure of TC11 alloy bars [J]. Chinese Journal of Rare Metals, 2004, 28(1): 286-288.
[7] 姚泽坤, 郭鸿镇, 刘建超, 苏祖武, 姜 明, 应志毅, 刘建宇. 双性能钛合金压气机盘的成形机理[J]. 中国有色金属学报, 2000, 10(3): 378-382.
YAO Ze-kun, GUO Hong-zhen, LIU Jian-chao, SU Zu-wu, JIANG Ming, YING Zhi-yi, LIU Jian-yu, CUI Jian. Forging mechanism of two-phase Ti-alloy compressor disc with dual-property [J]. The Chinese Journal of Nonferrous Metals, 2000, 10(3): 378-382.
[8] LU Shi-qiang, LI Xin, WANG Ke-lu, DONG Xian-juan, FU M W. High temperature deformation behavior and optimization of hot compression process parameters in TC11 titanium alloy with coarse lamellar original microstructure [J]. Transactions of Nonferrous Metals Society of China, 2013, 23(2): 353-360.
[9] 韩 栋, 毛小南, 张鹏省, 周义刚. 双重退火温度对高应力水平TC11合金组织性能的影响[J]. 中国有色金属学报, 2010, 20(S1): s577-s581.
HAN Dong, MAO Xiao-nan, ZHANG Peng-sheng, ZHOU Yi-gang. Effect of double annealing temperature on microstructure and mechanical properties of TC11 alloy [J]. The Chinese Journal of Nonferrous Metals, 2010, 20(S1): s577-s581.
(编辑 何学锋)
基金项目:陕西省重点科技创新团队计划项目(2012KTC-23)
收稿日期:2013-07-28;修订日期:2013-10-10
通信作者:韩 栋,工程师,硕士;电话:029-86231078;E-mail: hand227@163.com