文章编号:1004-0609(2010)S1-s0699-05
变形历程对TA15钛合金等温局部近β锻微观组织的影响
刘 磊,孙志超,杨 合,樊晓光
(西北工业大学 凝固技术国家重点实验室,西安 710072)
摘 要:通过热模拟压缩实验研究了TA15钛合金多火次等温局部锻造微观组织演化行为,并采用图形分析软件对实验所得金相照片进行分析,揭示了两相区锻造阶段的火次、近β锻的变形量、各加载工步之间以及终锻后坯料的冷却方式等变形历程对TA15钛合金等温局部近β锻微观组织演化的影响。结果表明:先变形区等轴α晶粒尺寸和含量均大于后变形区的;随着变形道次的增加,初生α晶粒的方向性逐步减弱;当总变形道次(常规锻+近β锻)达到3次时,有粗大的次生α相析出;近β锻阶段变形量达到40%时,后变形区等轴α晶粒消失,在原来等轴α晶粒存在的位置有粗大、成簇的次生α相析出;工序间和锻后水冷,较采取空冷方式时,等轴α晶粒更少、更小,次生α相更为混乱交织。研究结果可为合理制定TA15钛合金大型复杂整体构件等温条件下的多火次局部锻造成形工艺提供依据。
关键词:TA15钛合金;变形历史;局部近β锻造;微观组织
中图分类号:TG146.2 文献标志码:A
Effects of processing history on microstructure of TA15 alloys during isothermal local loading near β forging
LIU Lei, SUN Zhi-chao, YANG He, FAN Xiao-guang
(State Key Laboratory of Solidification Processing, Northwestern Ploytechnical University, Xi’an 710072, China)
Abstract: The microstructure of TA15 titanium alloy during isothermal local loading near β forging through isothermal compression was studied, and then the effects of forging fires, deformation of near β forging and cooling method on microstructure transform were investigated through metallograhs analysis by using image analysis software. The results show that the content of equiaxed α grains in the first deformation region is more than that in the second deformation region, and the size of equiaxed α grains is larger. The orientation of prime alpha grains decreases gradually with the increase of forging fires. When the total number of forging fires (ordinary forging + near β forging) reaches three, coarse secondary α-phase precipitates. When the deformation of near β forging reaches 40%, the equiaxed α grains are almost instead of cluster coarse secondary α-phase grains in the second deformation region. When water cool method is adopted between the forging step and after deformation, the size of equiaxed α grains is fewer and smaller, besides, the secondary α-phase grains are more disordered. The results obtained can provide a guide for isothermal local loading of large-scale complex integral components of TA15 titanium alloy.
Key words: TA15 titanium alloy; processing history; near β local forging; microstructure
TA15(Ti-6Al-2Zr-1Mo-1V)钛合金是在俄罗斯研制的BT20钛合金基础上国产化的一种高铝含量近α型钛合金,具有中等的室温和高温强度,良好的热稳定性、抗蠕变性和焊接性能,被广泛应用于航空航天领域[1-3]。大型复杂整体构件可有效提高结构效率、减轻结构质量、缩短生产周期和降低生产成本,从而成为先进飞机设计制造的重要发展方向[4]。同时,该类构件作为飞机等关键承力结构件因其服役环境恶劣,性能要求苛刻,要求构件具有优异的综合性能(室温/高温性能、断裂韧性等),从而使该类构件面临着成形能力和成形/成性一体化控制的难题。等温局部锻造成形工艺可为该类高性能大型整体构件的成形提供新的途径[5-7]。倘采取多个火次的近β锻成形,制件在高温状态下反复加热其晶粒会发生异常长大的现象[8-10]。因此,为了获得优异的微观组织和综合性能,该类构件通常采取先在两相区锻造,最终采取近β锻的方法成形[11-14]。该成形过程是一个多火次、多参数、高温、复杂的成形过程,并且存在先加载区(如图1所示A区)空烧,这样复杂的变形历史导致近β终锻组织演化复杂,难以控制[15]。然而,国内外关于钛合金组织演化方面的研究大多针对整体锻造条件[10],仅李志燕[8]对等温局部锻造条件下的微观组织演变进行了一定的研究,但仅仅局限于过渡区(C区)。因此,探明TA15钛合金多火次局部锻造微观组织演化,揭示两相区锻造阶段的火次、近β锻的变形量、各加载工步之间以及终锻后坯料的冷却方式等变形历史对TA15钛合金微观组织演化的影响迫在眉睫。其目的是为合理制定TA15钛合金大型复杂整体构件等温条件下的多火次局部锻造成形工艺提供依据。

图1 局部锻造成形示意图
Fig.1 Schematic diagram of local forging
1 实验
所用原材料为上海宝钢特殊钢分公司提供的尺寸/为380 mm×170 mm×80 mm的TA15钛合金扁材,炉号为243-0500,相变点为990 ℃。扁材的原始组织如图2所示。
在线切割机上将试样加工成d10 mm×15 mm 的圆柱体,在Gleeble-3500 试验机上进行等温热模拟压缩实验。实验方案如表1所列。
文献[16]研究表明,若采取0.1 s-1的变形速率,锻后组织中初生α相尺寸相对更小,均匀性也更好,故本组实验均设置变形速率为0.1 s-1。此外,以上每个序号的实验用2个小试样模拟局部锻造件先变形区和后变形区的变形,如第1个试验方案中2个试样的详细变形工艺方案如表2所示。变形结束后采取固溶(940 ℃,1 h,AC)加时效(550 ℃,5 h,AC)的热处理方式。

图2 原始扁材的微观组织
Fig.2 Microstructure of original blank
表1 实验方案
Table 1 Experimental scheme

表2 详细工艺方案
Table 2 Particular technics scheme

2 结果分析
2.1 常规锻变形道次对局部近β锻微观组织的影响
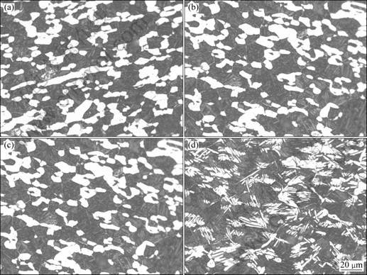
图3所示为先进行一次和二次常规锻的TA15钛合金等温局部近β锻先变形区(A区)和后变形区(B区)的金相照片。以上试样变形之后均为双态组织,从图中可以看出,在各加载条件下先变形区初生α相含量和大小均大于后变形区的,这是由于试样在实验过程中经历多次循环加热,并且先变形区最后一个火次是空烧工步,使得α相晶粒得以到充分的再结晶和晶粒长大;另外,随着常规锻火次的增加,初生α相晶粒的方向性降低,这是由于随着变形道次的增加每个变形道次的变形量随之减小,经过再结晶后的α相晶粒发生了球化,导致晶粒的方向性逐步消失;此外,随着常规锻火次的增加,初生α相晶粒的含量也随之增加,并且经过二次常规锻的试样在先变形区和后变形区均出现粗大的板条状次生α相,这是由于变形火次的增加导致试样反复加热且长期处于高温状态,试样得到充分的再结晶,而且再结晶晶粒得以充分的长大。
2.2 近β锻变形量对微观组织的影响
图4(a)和(b)所示为同样经历了2个道次的常规锻、但最后1个道次近β锻变形量分别为10%和40%的试样先变形区和后变形区的金相照片。可以看出:当近β锻变形量为10%时,由于试样的先变形区最后一个火次要经历空烧,初生α相晶粒可以得到充分的再结晶长大,因此,其含量和大小都大于后变形区的;此外,近β锻变形量为40%时先变形区的微观组织形态和近β锻变形量为10%时先变形区的微观组织形态均为混合组织,差异不大;值得注意的是近β锻变形量为40%时后变形区等轴α晶粒含量非常低,但是在原来等轴α晶粒存在的地方有成簇次生α相存在,这是因为该试样在实验中先经历了一个近β温度的空烧,这使得初生α相维持在一个较低的含量水平。而随后的近β锻变形量又比较大,产生的热效应进一步导致初生α晶粒的减少以至于完全消失,而在随后的热处理时,原来初生α相的位置由于晶格畸变最大,储存了大量的变形能,次生α相优先从这些部位析出;而先变形区则是在两相区空烧之后紧接着进行近β变形,这使得此过程中初生α相的减少量较小;而随后的近β空烧则仅仅是相当于一个高温固溶的作用,因此避免了上述现象的产生。

图3 常规锻变形道次对TA15合金显微组织的影响
Fig.3 Effects of forging pass in two-phase region on microstructures of TA15 alloys: (a) Scheme 1, first deformation region; (b) Scheme 1, second deformation region; (c) Scheme 2, first deformation region; (d) Scheme 2, second deformation region
2.3 冷却方式对微观组织的影响
图5(a)和(b)所示分别为方案1和5后变形区的低倍微观组织金相照片,它们都经历1个道次常规锻最终近β锻成形,但不同的是这2个试样工序间和锻后采取的冷却方式不同,前者为水冷,后者为空冷。对比发现,2种工艺方案下各变形区均为双态组织,但前者等轴α晶粒尺寸小于后者的,这是因为前者采取水冷的冷却方式,冷却速度快,等轴α晶粒得以保持锻后形态;而空冷冷却速度较慢,使得等轴α晶粒可以再冷却过程中得到一定程度的长大。此外,水冷时板条状次生α相更明显更多,呈细小针状、混乱交织状态,而空冷时板条状次生α相较少,且不明显,这是由于锻后水冷可将锻造产生的晶体缺陷全部或部分固定到室温,增加了随后热处理时相转变所需要的储存能,并增加了再结晶时的形核点,从而更容易析出针状且混乱交织的次生α相。

图4 近β锻变形量对TA15合金显微组织的影响
Fig.4 Effects of near β forging deformation on microstructures of TA15 alloys: (a) Scheme 3, first deformation region; (b) Scheme 3, second deformation region; (c) Scheme 4, first deformation region; (d) Scheme 5, second deformation region

图5 冷却方式对TA15合金显微组织的影响
Fig.5 Effects of cooling modes on microstructures of TA15 alloys: (a) Scheme 1, second deformation region; (b) Scheme 5, second deformation region
3 结论
1) TA15钛合金等温局部近β锻条件下先变形区等轴α晶粒尺寸和含量均大于后变形区的。
2) 随着变形道次的增加,试样微观组织的方向性逐步减弱;当总变形道次(常规锻+近β锻)达到3时,后变形区有粗大的次生α相析出。
3) 若近β锻阶段变形量过大,例如达到40%时,等轴α晶粒消失,在原来等轴α晶粒存在的位置有粗大、成簇的次生α相析出。
4) 工序间和锻后采用水冷的冷却方法,等轴α相晶粒更小,次生α相更加混乱交织,可达到强化作用。
REFERENCES
[1] 李兴无, 沙爱学, 张旺峰, 等. TA15合金及其在飞机结构中的应用前景[J]. 钛工业进展, 2003, 20(4/5): 90-94.
LI Xing-wu, SHA Ai-xue, ZHANG Wang-feng, CHU Jun-peng, MA Ji-min. TA15 titanium alloy and its applying prospects on airframe[J]. Titanium Industry Progress, 2003, 20(4/5): 90-94.
[2] 王 洋, 尤逢海, 朱景川, 等. TA15 合金热变形行为研究[J] . 机械工程材料, 2006, 30(11): 63-66.
WANG Yang, YOU Feng-hai, ZHU Jing-chuan, LAI Zhong-hong, LIU Yong. Study on hot deformation behavior of TA15 alloy[J]. Materials for Mechanical Engineering, 2006, 30(11): 63-66.
[3] 王金友, 葛志明, 周彦邦. 航空用钛合金[M]. 上海: 上海科学技术出版社, 1985: 221.
WANG Jin-you, GE Zhi-ming, ZHOU Yi-bang. Titanium alloy in aviation industry[M]. Shanghai: Shanghai Science Press, 1985: 221.
[4] CAO Chun-xiao. General development situation of titanium alloy for aviation[J]. Aeronautical Science and Technology, 2005(4): 3-6.
[5] 孙志超, 杨 合, 孙念光. 钛合金整体隔框等温成形局部加载分区研究[J]. 塑性工程学报, 2009, 16(1): 138-143.
SUN Zhi-chao, YANG He, SUN Nian-guang. Simulation on local loading partition during titanium bulkhead isothermal forming process[J]. Journal of Plasticity Engineering, 2009, 16(1): 138-143.
[6] 孙志超, 杨 合, 李志燕. TA15 合金H型构件等温局部加载成形工艺研究[J]. 稀有金属材料与工程, 2009, 38(11): 1904-1909.
SUN Zhi-chao, YANG He, LI Zhi-yan. H-shaped component isothermal local loading forming of TA15 titanium alloy[J]. Rare Metal Materials and Engineering, 2009, 38(11): 1904-1909.
[7] 孙念光, 杨 合, 孙志超. 大型钛合金隔框等温闭式模锻成形工艺优化[J]. 稀有金属材料与工程, 2009, 38(7): 1296-1300.
SUN Nian-guang, YANG He, SUN Zhi-chao. Optimization on the process of large titanium bulkhead isothermal closed-die forging [J]. Rare Metal Materials And Engineering, 2009, 38(7): 1296-1300.
[8] 李志燕. TA15钛合金H形构件等温局部加载过渡区宏微观变形研究[D]. 西安: 西北工业大学, 2008: 63-86.
LI Zhi-yan. Research on transition region macro-microcosmic deforming in isothermal local loading for H shape eigenstructure of TA15 Titanium alloy[D]. Xi’an: Northwestern Polytechnical University, 2008: 63-86.
[9] 徐文臣, 单德彬, 李春峰, 吕 炎. TA15钛合金的动态热压缩行为及其机理研究[J]. 航空材料学报, 2005, 25(4): 10-15,19.
XU Wen-chen, SHAN De-bin, LI Chun-feng, L? Yan. Study on the dynamic hot compression behavior and deformation mechanism of TA15 titanium alloy[J]. Journal of Aeronautical Materials, 2005, 25(4): 10-15, 19.
[10] 王 斌, 郭鸿镇, 姚泽坤, 陈金科, 李蓬川. 热压参数对TA15 合金流动应力及显微组织的影响[J]. 锻压技术, 2006, 6: 106-109.
WANG Bin, GUO Hong-zhen, YAO Ze-kun, CHEN Jin-ke, LI Peng-chuan. Influence of hot compression parameters on flow stress and microstructure of TA15 alloy[J]. Forging and Stamping Technology, 2006, 6: 106-109.
[11] SUN Zhi-chao, YANG He. Microstructure and mechanical properties of TA15 titanium alloy under multi-step local loading forming[J]. Materials Science and Engineering A, 2009, 523: 184-192.
[12] ZHOU Y G, ZENG W D, YU H Q. An investigation of a new near-beta forging process for titanium alloys and its application in aviation components[J]. Materials Science and Engineering A, 2005, 393: 204-212.
[13] 周义刚, 曾卫东, 俞汉清. 近β锻造推翻陈旧理论发展了三态组织[J]. 中国工程科学, 2001, 3(5): 61-65.
ZHOU Yi-gang, ZENG Wei-dong, YU Han-qing. The near β forging overthrows the conventional forging theory and develops a new tri-modal microstructure[J]. Engineering Science, 2001, 3(5): 61-65.
[14] 周义刚, 曾卫东, 李晓芹, 俞汉清, 曹春晓. 钛合金高温形变强韧化机理[J]. 金属学报, 1999, 35(1): 45-48.
ZHOU Yi-gang, ZENG Wei-dong, LI Xiao-qin, YU Han-qing, CAO Chun-xiao. An investigation of high-temperature deformation strengthening and toughening mechanism of titanium alloy[J]. Acta Metallurgica Sinica, 1999, 35(1): 45-48.
[15] 宁永权, 姚泽坤, 吴 泽, 郭鸿镇. 多火次锻造对GH4133A 合金组织和性能的影响[J]. 塑性工程学报, 2008, 15(4): 98-101.
NING Yong-quan, YAO Ze-kun, WU Ze, GUO Hong-zhen. The effects of repeated firing forging on microstructure and mechanical properties of GH4133A alloys[J]. Journal of Plasticity Engineering, 2008, 15(4): 98-101.
[16] 韩冠军, 基于内变量法的钛合金高温变形微观组织演化建模及应用[D]. 西安: 西北工业大学, 2009: 23-31.
HAN Guan-jun. Modeling for microstructure evolution of titanium alloy during hot working process based on internal state variable method[D]. Xi’an: Northwestern Polytechnical University, 2009: 23-26.
(编辑 陈卫萍)
基金项目:国家重点基础研究发展计划资助项目(2010CB731701);国家自然科学基金重点项目(50735005,50935007);青年基金(50905145)
通信作者:孙志超,教授;电话:029-88460212-802;E-mail:zcsun@nwpu.edu.cn