Article ID: 1003-6326(2005)02-0310-04
Photochemical synthesis of bimetallic Au-Ag nanoparticles with “core-shell” type structure by seed mediated catalytic growth
DONG Shou-an(董守安), TANG Chun(唐 春)
(Institute of Precious Metals, Kunming 650221, China)
Abstract: The colloidal Au core/Ag shell structure composite nanoparticles were synthesized in PEG-acetone solution by photochemical route. The monodispersed Au nanoparticles with average diameter of 3.9nm were used as growth seeds. The optical property of colloids and the sizes of composite nanoparticles were characterized when the molar ratio of Au to Ag ranges from 4∶1 to 1∶4. The results show that a composite nanoparticle structure similar to strawberry shape is formed at the molar ratio of Au to Ag from 4∶1 to 1∶1; the composite nanoparticles consisting of a core of Au and shell of Ag were generated at the 1∶4 molar ratio, having a striking feature of forming interconnected network structure.
Key words: Au-Ag; photochemical synthesis; core-shell structure; seed CLC number: TG146.3
Document code: A
1 INTRODUCTION
In recent years, the noble metal composite nanoparticles have attracted considerable attention from both the fundamental and applied research due to their potential applications in optics, electronics, catalysts and DNA biosensors[1-6]. Consequently, a number of methods have been developed for fabricating bimetallic composite nanoparticle structures. In particular, Au-Ag composite nanoparticles from an alloy to core-shell structure have been synthesized in aqueous solution by co-reduction of HAuCl4 and AgNO3 or depositing Ag on Au particles with sodium citrate[7-9] and by high-energy radiation[10-12]. Treguer et al[10] reported a method by radiolysis of the mixed metal salt solutions, the composition of the composite clusters can be changed from a bilayered core-shell structure to an alloy with an increase of the radiolysis dose rate. However, the investigations on the preparation of core-shell particles by photochemical reduction are seldom reported[13]. Herein, we report a photo-reduction method for generating core-shell particles consisting of a core of Au and a part or complete enveloped shell of Ag, based on the photo-reduction of both HAuCl4 and AgNO3 and the precipitation of Ag on the surfaces of the performed Au seed. Thus, the optical property of the colloids is easily tunable for optical applications requiring a certain absorption spectrum.
2 EXPERIMENTAL
HAuCl4 and AgNO3 were prepared from high pure gold and silver (the purity of 99.99%). The average molecular weight of Poly (ethylene glycol) (PEG) is 400. Double distilled water and analytical grade chemicals were used throughout experiment. The colloidal Au (or Ag) particles were prepared in Au (Ⅲ) (or Ag+)-PEG-acetone aqueous solution with UV irradiation of 300nm[14]. The final concentration of metallic ion, PEG and acetone is 2.44×10-4, 5.64×10-2 and 0.5mol/L, respectively. The composite nanoparticles with an Au core/Ag shell structure were synthesized photochemically under the same conditions, using preformed 3.9nm Au particles as seeds (Fig.1). The total concentration of Au0 and Ag+ ions remained 2.44×10-4mol/L, and their molar ratio was changed in the ranges of 4∶1 to 1∶4.

Fig.1 TEM image of Au seed
The UV-Vis absorption spectra of the colloidal Au, Ag and composite nanoparticles were recorded on a Lambda-900 UV/VIS/NIR spectro-meter with 1mL quartz cuvette (Parkin-Elmer). The images of nanoparticles were taken with a H800 TEM operated at 150kV. TEM specimens were prepared by placing microdrops of colloid solution on a Formvar film supported by copper grids. The average diameter of the particles in different samples was determined by counting at least 200 particles from the TEM images.
3 RESULTS AND DISCUSSION
3.1 Photochemical preparation of colloidal Au and Ag particals
In photochemical preparation of the colloidal Au or Ag particals, PEG was mainly used as the protective agent and acetone can accelerate the photoreduction reaction. After 10min irradiation, yellowy gold solution turned rose. A surface plasmon resonance (SPR) absorption band which did not change with further irradiation was at a maximum wavelength of 514nm. TEM image characterized in Fig.1 shows the monodispersed spherical Au particles with average diameter of 3.9nm (Relative standard deviation(RSD)(%)=16.0). These particles can be used as seeds for further formation of core-shell structure. For the preparation of Ag colloid, after 5min irradiation, a SPR absorption band appears at 401nm. However, the absorption intensity decreased with further irradiation, and transparent solution turned turbid. This can be attributed to the aggregation of Ag nanoparticles.
3.2 Optical property and TEM characterization
Based on photochemical formation of the colloidal Au and Ag particles, it is predictable to form Au-Ag composite nanoparticles in the above solution containing preformed Au seeds and Ag+ ions. Therefore, the progressive evolution of SPR spectrum with time at different molar ratios of Au seed to Ag+ is recorded in Fig. 2. After 5min irradiation, SPR spectra gradually changed from the profile of pure Au colloid to that of pure Ag colloid at the molar ratio from 4∶1 to 1∶4. In the case of 4∶1 molar ratio, the SPR spectra have an evident enlargement(see curves a, b and c in Fig.2), because the Ag+ ions are absorbed on the surface of Au seed particles and then catalytically reduce. After a long time (50min) irradiation, the SPR peak has a slight red shift and its intensity decreases.

Fig.2 Evolution of UV-vis SPR spectra of Au-Ag composite particles with time at
different molar ratios of Au seed to Ag
When the molar ratio of Au to Ag is changed to 1∶1, after 2min irradiation, two recognizable SPR peaks are observed as curve b in Fig.2(b). After Ag+ ions are completely reduced, the SPR spectrum presents a shoulder peak with Ag absorption feature (curve c in Fig.2(b)), which disappears with further irradiation (curve e in Fig.2(b)). For the above-mentioned molar ratio cases, the decrease of the SPR absorption intensity is probably due to photoinduced growth of composite particles. TEM image characterized in Figs.3(a) and (b) clearly shows that Au seed with average diameter of 3.9nm is enlarged to 4.7 and 6.6nm, corresponding relative standard deviation(RSD) is 24.9 and 17.4, respectively.

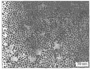
Fig.3 TEM images at different molar ratios of Au to Ag
The SPR spectrum at the molar ratio of 1∶4 shows more Ag nanoparticle feature. The successive decrease of the absorption intensity with irradiation is probably concerned in gradual thickening of the Ag shell. After the composite particle colloid was placed for 24h at room temperature, the tiny precipitate occurred. The most striking feature of TEM image at this molar ratio is the formation of an interconnected network structure, as shown in Fig.3(c). Perhaps, that is the reason why the agglomerate easily appears in this colloidal solution of the composite nanoparticles.
3.3 Evidence for Au core/Ag shell composite nanoparticle structure
The previous studies[7, 10, 12] have demonstrated that the alloyed Au-Ag nanoparticles have only one SPR peak. When both Au and Ag colloid prepared with photoreduction were mixed by a certain ratio, two plasmon peaks appeared in the absorption spectra. Obviously, the SPR spectra recorded here are completely different from the above two cases. Based on determining CN- with Ag nanoparticles[15] and CN- dissolution rate for Au higher than that for Ag under ambient conditions, the Au core/Ag shell nanoparticle structure was confirmed again by the CN- dissolution experiments. Fig.4(a) shows that the SPR peak contributed from Ag nanoparticles precipitated on the surface of Au seed appeared due to the dissolution of Au at the molar ratio of Au to Ag 4∶1, indicating the formation of the partially Ag covered gold particles, i.e., a strawberry-like conformation. However, Fig.4(b) displays two SPR peaks to correspond to Ag and Au at the molar ratio of 1∶4 with the dissolution of Ag shell, revealing the formation of a shell layer on the surface of Au seed.

Fig.4 Dissolution of composite particles at molar ratio of Au to Ag 4∶1(a) and 1∶4(b)

Fig.5 Schematic illustration of mechanism of forming bimetallic core-shell structure protected by PEG
3.4 Mechanism of forming core/shell
The mechanisms on the autocatalytic growth of the Au seed particles and stabilization by the pseudo-crown ether in PEG-acetone solution under the condition of UV radiation have been illustrated in detail in Ref.[14]. Similarly, in the presence of Au seed particles, Ag+ ions can be only catalytically reduced on the surface of Au particles in the UV irradiation process. More positive reduction potential of Au than Ag is an important factor, because the core-shell structure consisting of the Ag nucleus coated with Au particles cant be obtained in this reaction system due to the displacement reaction. In order to generalize the mechanism of forming bimetallic core-shell structure, a schematic illustration is given in Fig.5.
4 CONCLUSIONS
The bimetallic Au-core/Ag-shell structure nanoparticles were synthesized in the PEG-acetone aqueous solution by photochemical route, using monodispersed colloidal Au particles as the mediated growing seeds. The size of Au core and thickness of Ag shell in the composite nanoparticles can be controlled to change the diameter of Au seed and Ag+ concentration in the solution. Thereby, the optical property induced from the core-shell structure can be tailored through varying mole ratio of Au and Ag+. In addition, the evidence of core/shell structure and the model of mechanism of forming Au/Ag composite nanoparticles were also provided.
REFERENCES
[1]Pan C, Dassenoy F, Casanove M, et al. A New synthetic method toward bimetallic ruthenium platinum nanoparticles; composition induced structural changes [J]. J Phys Chem B, 1999, 103(46): 10098-10101.
[2]Mizukoshi Y, Okitsu K, Maeda Y, et al. Sonochemical preparation of bimetallic nanoparticles of gold/palladium in aqueous solution [J]. J Phys Chem B, 1997, 101(36): 7033-7037.
[3]Wu M L, Chen D H, Huang T C. Synthesis of Au/Pd bimetallic nanoparticles in reverse micelles [J]. Langmuir, 2001, 17(13): 3877-3883.
[4]Wang Y, Toshima N. Preparation of Pd-Pt bimetallic colloids with controllable core/shell structures [J]. J Phys Chem B, 1997, 101(27): 5301-5306.
[5]Cao Y W, Jin R, Mirkin C A. DNA-modified core-shell Ag/Au nanoparticles [J]. J Am Chem Soc, 2001, 123(32): 7961-7962.
[6]Wang J, Polsky R, Xu D. Silver-enhanced colloidal gold electrochemical stripping detection of DNA hybridization [J]. Langmuir, 2001, 17(19): 5739-5741.
[7]Link S, Wang Z L, El-Sayed M A. Alloy formation of gold-silver nanoparticles and the dependence of the plasmon absorption on their composition [J]. J Phys Chem B, 1999, 103(18): 3529-3533.
[8]Rivas L, Sanchez-Cortes S, García-Ramos J V, et al. Mixed silver/gold colloids: a study of their formation, morphology, and surface-enhanced raman activity [J]. Langmuir, 2000, 16(25): 9722-9728.
[9]Ji X H, Wang L Y, Yuan H, et al. Formation mechanism of core-shell Au/Ag nanoparticles [J]. Acta Chemica Sinica, 2003, 61(10): 1556-1563.(in Chinese)
[10]Treguer M, de Cointet C, Remita H, et al. Dose rate effects on radiolytic synthesis of gold-silver bimetallic clusters in solution [J]. J Phys Chem B, 1998, 102(22): 4310-4321.
[11]Abid J P, Girault H H, Brevet P F. Selective structure changes of core-shell gold-silver nanoparticles by laser irradiation: homogeneisation vs silver removal [J]. Chem Commun, 2001(9): 829-830.
[12]Chen Y H, Yeh C S. A new approach for the formation of alloy nanoparticles: laser synthesis of gold-silver alloy from gold-silver colloidal mixtures [J]. Chem Commun, 2001(4): 371-372.
[13]Mallik K, Mandal M, Pradhan N, et al. Seed mediated formation of bimetallic nanoparticles by UV irradiation: A photochemical approach for the preparation of “core-shell” type structures [J]. Nano Letters, 2001, 1(6): 319-322.
[14]Dong S A, Tang C, Zhou H, et al. Photochemical synthesis of gold nanoparticles by the sunlight radiation using a seeding approach [J]. Gold bulletin, 2004, 37(3-4): 187-195.
[15]Yang S C, Tang C, Dong S A, et al. Determination of cyanide on surface plasma resonance spectrum of silver nanoparticles [J]. Chinese J Anal Labor, 2005, 24(1): 55-58.(in Chinese)
Foundation item: Project(2000E0008Z) supported by Natural Science Foundation of Yunnan Province
Received date: 2004-11-20; Accepted date: 2005-01-18
Correspondence: DONG Shou-an, Professor; Tel: +86-871-5134163; E-mail: dsaw@xinhuanet.com
(Edited by LONG Huai-zhong)