DOI: 10.11817/j.issn.1672-7207.2016.12.020
流场拟合原理的基坑渗漏检测系统设计与实现
段清明,时军伟,吴达
(吉林大学 仪器科学与电气工程学院,吉林 长春,130026)
摘要:根据流场拟合原理设计一种新型便捷的基坑渗漏检测系统,通过理论分析和模型实验验证方案的可行性。采用开关器件MOSFET设计发射桥路,在地下连续墙两侧发射1 Hz双极性方波形成人工电场;在地下连续墙一侧,采用分布式电极切换装置和高精度模数转换芯片ADS1278以及利用LabVIEW编写的上位机软件组成接收系统接收人工电场中的1 Hz信号;对接收到的信号进行快速傅里叶变换,提取信号1,3,5,7等奇次谐波的幅值绘制电势等位线图,根据水流场和电流场的相似可比性,通过分析电势等位线图和电流密度分析人工电场特性,从而分析水流场特性,确定基坑渗漏处的位置。研究结果表明:与其他基坑渗漏探测方法相比,该系统简单易用,功耗低,能够快速准确找到基坑渗漏处的位置。
关键词:基坑渗漏;流场拟合;电势等位线;电流密度;傅里叶变换
中图分类号:P642.5 文献标志码:A 文章编号:1672-7207(2016)12-4108-07
Design and realization of foundation pit leakage detection system based on flow-fitting principle
DUAN Qingming, SHI Junwei, WU Da
(College of Instrumentation and Electrical Engineering, Jilin University, Changchun 130026, China)
Abstract: A foundation pit leakage detection system was designed according to flow-fitting principle. The method was proved by theoretical analysis and model experiment. Using switching device MOSFET to make up transmitting bridge, it can transmit 1 Hz bipolar square wave. The wave passed through diaphragm wall and formed artificial electric field. On one side of diaphragm wall, 1 Hz signal was acquired in artificial electric field by distributed electrode switching equipment, high precision ADC ADS1278 and upper computer software compiled by LabVIEW. Making Fourier transform with acquired signal, odd harmonic was extracted to draw equipotential line. According to the comparability of flow fluid field and electric current field, the flow fluid field and determine leakage position were discussed through analyzing the artificial electric field with equipotential line and current density. The results show that compared with other foundation pit leakage detection methods, this system has advantages of having simple structure and low power consumption and being easy to use. It can determine leakage position accurately and quickly.
Key words: foundation pit leakage; flow-fitting; equipotential line; current density; fourier transform
随着城市的发展,高层建筑和地下工程不断增多,这些都需要开挖基坑。基坑渗漏是基坑施工过程中基坑外部的地下水透过地下连续墙渗漏到基坑内部形成的一种常见工程事故。基坑渗漏的危害包括流沙、管涌、突涌等,不仅耽误施工工期而且还可能危害周围建筑物和地下管线的安全[1-2]。目前常用的基坑渗漏探测方法包括明挖法、高密度电阻率法、温度示踪法、超声波检测法等。明挖法费时费工且破坏性大;高密度电阻率法作为传统的电阻率反演方法,测量时间 长,数据处理过程比较复杂,而且其反演结果容易受到地下异常导体的干扰;温度示踪法需要在基坑外侧打很多深孔,而且受到必须要有较强渗流存在才能使用这一局限的限制;超声波检测法施工步骤繁琐且难以做到定性定量分析[3]。鉴于此,本文作者根据流场拟合原理研制了一套新型便捷的基坑渗漏检测系统。采用发射系统在地下连续墙两侧发射1 Hz双极性方波信号,在地下连续墙一侧采用分布式电极切换装置和接收系统采集信号;对采集到的1 Hz方波信号做快速傅里叶变换得到1,3,5,7等奇次谐波的幅值,根据谐波幅值绘制出测量区域的电势等位线或电流密度;通过分析电势异常点和电流密度流向确定基坑渗漏处的位置。
1 基坑渗漏探测系统原理
1.1 流场拟合原理
当基坑施工过程中存在渗漏时,由水力学可知基坑外部的地下水会透过地下连续墙上的渗漏口渗漏到基坑内部形成水流场,此水流场的重要特征是水流速度的矢量场指向渗漏口[4]。因此,测得水流速度的矢量场就可以找到基坑渗漏的位置。根据水流场理论,水的流速势H满足方程(1):
(1)
根据恒定电场理论,电势φ满足方程(2):
(2)
其中 :
为拉普拉斯算符。可见水流场和电流场的控制方程都是拉普拉斯方程,具有相同的数学形态,因此它们在空间分布上应具有相似的规律[5-6],表1归纳了二者的相似性。
流场拟合原理就是根据水流场和电流场的相似可比性,用人工施加的电流场的电流密度分布拟合水流场的水流速分布,通过分析测得的人工电流场达到分析水流场的目的[7-8]。
为了验证流场拟合原理,利用电磁场分析软件Ansoft Maxwell建立模型进行仿真。仿真模型如图1所示。图中,区域1和区域2(长×宽为800 mm×500 mm)均为水介质,中间用绝缘且不透水的介质隔开,绝缘介质上有一个长×宽为10 mm×10 mm的渗漏点(图中3号点)。在区域1中施加一个12 V直流电压(图中1号点),在区域2中施加接地点(图中2号点)。箭头方向代表电场强度E的方向,即电流密度J的方向,可见电流密度方向和水流速方向一致。
表1 水流场和电流场的相似性对比
Table 1 Comparison of fluid field and current field


图1 电场强度仿真示意图
Fig. 1 Simulation of electric field intensity
1.2 系统组成及工作原理
1.2.1 系统组成
基坑渗漏检测系统组成及工作方式示意图如图2所示。基坑渗漏检测系统包括发射系统、分布式电极切换装置和接收系统。系统工作时,在基坑内侧和基坑外侧埋入2个发射电极,发射系统发射频率为1 Hz、幅值为12 V的双极性方波穿过地下连续墙形成人工电场;在基坑内侧铺设分布式电极切换装置和参考电极,为了避免不同接收距离对接收电压的影响,参考电极应放置在离接收电极尽量远的位置;接收系统通过分布式电极切换装置控制电极切换,从而方便快速地完成对各测点信号的采集;完成采集后,上位机软件对采集到的数据进行快速傅里叶变换得到电势等位线图或电流密度图,通过分析电势异常点和电流密度的流向可以确定基坑渗漏的位置。

图2 基坑渗漏检测系统组成及工作方式示意图
Fig. 2 Sketch map of working mode of pit leakage detection system
1.2.2 理论分析
将基坑看作一个线性时不变系统,发射系统发射1 Hz双极性方波作为系统输入信号,则接收系统接收到的系统响应也为1 Hz双极性方波。假设方波信号1个周期解析式如下:
(3)
则方波信号的傅里叶级数表示为

(4)
由式(4)可知:方波信号由1,3,5,7等奇次谐波组成,且谐波幅值为方波信号幅值的2/(nπ)。根据叠加原理,系统对任意一个由这些基本信号的线性组合而成的输入信号的响应就是系统对这些基本信号单个响应的线性组合[9]。取接收信号1,3,5,7等奇次谐波幅值得到电势等位线图,这样相当于进行了多次发射和多次接收,节省了探测时间;另外,幅值较大的1次谐波从地下连续墙底部穿过直接被接收系统接收将会影响探测结果,分析3,5,7等高次谐波可以有效避免上述情况。
根据静电场理论,电场强度E为电势φ的梯度,
(5)
由欧姆定律的微分形式得
(6)
因此,可由电势φ求得电流密度J,且电流密度J和电势等位线处处正交[10]。
由以上分析可知:基坑渗漏检测系统可以通过发射系统构建人工电场拟合基坑渗漏水流场,通过接收系统测得电流场从而间接得到水流速度的矢量场。
2 系统各部分设计
2.1 发射系统
发射系统由发射桥路构成,由于基坑深度一般在50 m以内,发射系统最大只需要发射几十伏电压。设计发射桥路时采用MOSFET器件IRF3205,其通态电阻仅为8 mΩ,漏极持续电流可达110 A,而且开关速度快、效率高,满足发射系统要求[11]。发射桥路如图3所示,控制信号WA和WB控制2组IRF3205轮流导通,从而在负载上产生双极性方波。另外,为了防止2组器件同时导通,WA和WB之间应加上1 μs的死区时间。发射系统发射幅值为12 V、频率为1 Hz的双极性方波。

图3 发射桥路
Fig. 3 Transmitting bridge
2.2 接收系统
接收系统由分布式电极切换装置、信号调理电路、信号采集电路和上位机软件构成,接收系统模型如图4所示。分布式电极切换装置控制接收电极自动切换至接收线路,信号调理电路实现阻抗匹配以及对信号的滤波和放大,信号采集电路将模拟信号转换成数字信号,上位机软件控制分布式电极切换装置按一定的规律切换,同时对接收到的数字信号进行处理。

图4 接收系统模型
Fig. 4 Receiving system model
2.2.1 分布式电极切换装置
接收信号时,为了提高分辨率需要用到多达几百个接收电极,人工切换电极费时费力。采用分布式电极切换装置,每个接收电极对应分布式电极切换装置上的一个控制单元,控制单元如图5所示,由RS485芯片、MSP430单片机和磁保持继电器组成。单片机通过控制继电器切换使接收电极与接收线相连,从而与参考电极组成接收回路接收该电极的电压信号。

图5 控制单元
Fig. 5 Control unit
分布式电极切换装置由8路通道组成,8路通道分别连接采集电路的8个通道,8个通道可以同时采集信号节省探测时间。切换装置每一路通道与上位机通信采用RS485通信方式,RS485采用主从式通信方式,上位机通过RS485通信方式控制该路通道上的接收电极切换。RS485芯片采用Maxim公司的max3471,其抗干扰能力强,通信距离可达1 km,传输速率最大可达64 kbit/s,而且功耗低,处于接收状态时供电电流仅为1.6 μA[12]。
分布式电极切换装置上的控制单元多达几百个,其耗电量非常大,为了降低切换装置的功耗,本文提出了3个低功耗关键技术。
1) 采用所有控制单元统一供电的方式。为了减少供电导线上的电能损耗,提高供电电压,切换装置采用24 V直流电源供电,则电源功率为
P=UI (7)
导线上的功率损耗为
Q=I2R (8)
式中:U为供电电压;I为供电电流;R为导线电阻。功率P一定时,U越大则I越小,所以导线上的功率损耗Q越小。
控制单元中单片机和继电器所需电压为3.3 V,在控制单元上采用降压稳压器LM2841将24 V直流电压降至3.3 V直流电压。LM2841输入电压范围为4.5~42.0 V,静态电流只有1.35 mA,而且体积小,外围电路简单。
2) 采用磁保持继电器控制电极切换,磁保持继电器的特点是去除激励后仍能保持激励状态。本系统采用松下公司TQ2-L2-3 V磁保持继电器,如图6所示,其置位和复位只需要在(1,5)和(10,6)管脚施加10 ms以上的额定电压,掉电后继电器能保持切换状态,因此能大大减小切换装置的功耗[13]。
3) TQ2-L2-3V继电器置位、复位时需要40 mA的较大电流,为使供电电流不发生变化在继电器两端增加一个470 μF的储能电容。继电器没有动作时以较小的电流对电容充电,继电器动作时电容通过放电可为继电器动作的瞬间提供能量。
经测试,采用24 V直流电源供电,每个控制单元的供电电流约为1.5 mA,每路通道上连接100个控制单元供电电流约为160 mA,在磁保持继电器切换的瞬间供电电流几乎不发生变化。

图6 继电器切换电路
Fig. 6 Switch circuit of relay
2.2.2 信号调理和采集电路
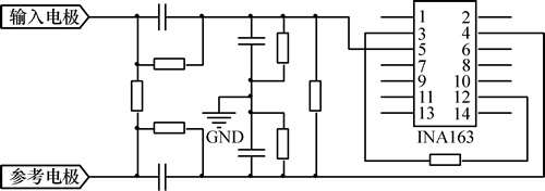
在施工现场,接收信号容易受到噪声干扰,而且信号幅值较小,需要对信号低通滤波和放大。信号调理电路如图7所示,采用差分信号输入方式可以有效减少共模干扰,信号经RC低通滤波电路后由放大器INA163差分放大。
信号采集电路将模拟信号转换成数字信号以便上位机能对数据存储和处理。采集电路由8个采集通道组成,采用8通道24位高精度Σ-△型模数转换芯片ADS1278构建信号采集电路。该芯片具有低功耗工作模式,采样噪声低,高精度工作模式时信噪比为111 dB,采样率高达144 kHz,满足接收系统的要求。

图7 信号调理电路
Fig. 7 Regulating signal circuit
2.2.3 采样率和采样点数的设定
分析谐波需要对采集得到的离散信号x(n)进行快速傅里叶变换(FFT),快速傅里叶变换是离散傅里叶变换(DFT)的快速算法,二者没有本质区别。设采样点数为N,采样频率为Fs,对x(n)进行离散傅里叶变换得:
(9)
X(k)即为x(n)的频谱函数,由N个不同频率点的复数组成,复数的模为对应频率的幅值[14]。LabVIEW中有专门的FFT模块,可以方便地进行FFT运算。对离散数据进行FFT后,N个不同频率点的频率为F(k),
(10)
由式(10)可知:N个点的频率步进为
(11)
数据处理时需要计算1 Hz双极性方波的1,3,5和7等奇次谐波频率的幅值,因此频率步进△F应小于等于1 Hz,且能整除1 Hz。
根据奈奎斯特定理,采样率Fs应至少大于信号频率F的2倍,实际应用中通常设采样率为信号频率的5~10倍甚至更大。另外,采样时间为
(12)
采样时间至少应大于方波信号的1个周期才能完整反映信号的频谱特征。
2.2.4 软件设计
利用LabVIEW编写上位机软件,LabVIEW采用图形化编程语言G语言编写程序,可以大大提高编程效率。为了便于上位机控制电极切换,对每个电极编号,在上位机中将8路电极的编号存放在一个8行n列的表格中,表格中的每个格对应相应电极的编号。运行测量时每次切换表格中的1列电极后8个AD通道同时进行信号采集可以节省探测时间。
上位机软件由参数设置、 运行测量和数据处理3个部分组成。参数设置部分对采样率、采样点数、文件存储路径和电极编号表格等进行设置;运行测量部分按列切换电极并采集电极电压;运行测量完成后数据处理部分对采集到的电压信号进行快速傅里叶变换,并提取1,3,5和7等奇次谐波幅值,将各电极同一次谐波的幅值存放在一个文件中,最后画出电势等位线图或电流密度图。
3 实验结果与分析
采用室内模拟实验验证本套基坑渗漏检测系统。如图8所示,在绝缘水箱1(长×宽×高为520 mm× 380 mm×330 mm)内放置绝缘水箱2(长×宽×高为400 mm×300 mm×230 mm),2个水箱都灌入水,且水箱2不能被淹没。在水箱2左侧壁开2个孔,2个孔的孔径均为6 mm,用于模拟基坑渗漏点。发射系统在水箱2两侧发射幅值为12 V的1 Hz双极性方波,在水箱2内靠近漏点一侧均匀放置50个接收电极,利用分布式电极切换装置和接收系统采集水箱2内50个接收电极的电压信号并绘制该区域的电势等位线图。

图8 实验模型示意图
Fig. 8 Sketch map of experiment model
当绝缘板上没有开孔时,取接收信号1次谐波幅值绘制电势等位线图。无渗漏点电势等位线图如图9所示。可见:该区域内电势基本上没有变化,即没有渗漏,与真实结果相符。
当绝缘板上有1号孔开孔时,取接收信号1次谐波和3次谐波幅值绘制电势等位线图,如图10所示。可见:在1号孔对应的位置坐标(0,19)处电势明显变大。由式(5)和(6)可知:电流密度J和电势等位线处处正交,可见J由1号孔处向四周辐射,根据流场拟合原理J和水流速方向一致,说明1号孔处有渗漏,与真实结果相符。
当绝缘板上有1号孔和2号孔开孔时,取接收信号1次谐波和3次谐波幅值绘制电势等位线图,如图11所示。可见:在1号孔和2号孔对应的位置(0,19) 和(0,7.5)处电势明显变大,J由1号孔和2号孔处向四周辐射,说明这2处有渗漏,与真实结果相符。以上3组实验证明了基坑渗漏检测系统检测结果的可靠性。

图9 无渗漏点电势等位线图
Fig. 9 Equipotential line figure without leakage

图10 孔渗漏电势等位线图
Fig. 10 Equipotential line figure with one leakage

图11 1和2孔渗漏电势等位线图
Fig. 11 Equipotential line figure with two leakages
4 结论
1) 借助8通道分布式电极自动切换装置,检测时间短。以长×宽为100 m×50 m基坑为例,8路接收通道每路相距2 m,每路连接100个接收电极,电极间隔为1 m,探测区域长×宽为100 m×16 m,每次接收10个周期的1 Hz方波信号,则一列电极的接收时间为10 s,总的检测时间为1 000 s。
2) 经FFT后绘制电势等位线图,不需要复杂的数据处理过程,数据处理速度快,检测现场即可得到检测结果。
3) 分布式电极切换装置功耗低,采用24 V电源供电时每个控制单元的供电电流约为1.5 mA,功率为36 mW,连接800个控制单元功率为28.8 W。
4) 系统发射和接收1 Hz双极性方波,通过FFT分析1,3,5,7 Hz等奇次谐波,可以有效避免50 Hz工频干扰,检测结果更加准确。
5) 基于流场拟合原理设计,该系统也可用于矿井漏水、屋顶漏雨和堤坝渗漏等方面的检测。
参考文献:
[1] 沈涛, 张荣灿, 肖俊. 软土地基深基坑综合堵漏技术[J]. 浙江建筑, 2009, 26(7): 51-52.
SHEN Tao, ZHANG Rongcan, XIAO Jun. The composite leakage blocking technic used in deep excavation located in soft soil foundation[J]. Zhejiang Construction, 2009, 26(7): 51-52.
[2] 昌伟伟, 顾东平. 深基坑渗漏流及透水事故处理技术与实例分析[J]. 山西建筑, 2012, 38(8): 90-91.
CHANG Weiwei, GU Dongping. The case analysis and processing technology to osmotic flow and permeable accident of deep foundation pit[J]. Shanxi Architecture, 2012, 38(8): 90-91.
[3] 孙冰. 电法检测地连墙渗漏模拟试验研究[D]. 天津:天津大学建筑工程学院, 2012: 4-10.
SUN Bing. The experimental study of diaphragm wall panel trench by micro-voltage method[D]. Tianjin: Tianjin University. School of Civil Engineering, 2012: 4-10.
[4] 何继善. 堤防渗漏管涌流场法探测技术[J]. 铜业工程,2000(1): 5-8.
HE Jishan. Flowing field technology to detect surge leakage in dams[J]. Copper Engineering, 2000(1): 5-8.
[5] 何继善, 邹声杰, 汤井田, 等. 流场法用于堤防管涌渗漏实时监测的研究与应用[C]//当代矿山地质地球物理新进展报告文集. 长沙: 中南大学出版社, 2004: 225-229.
HE Jishan, ZOU Shengjie, TANG Jingtian, et al. Research and application of flow-fitting method for real-time detection of piping and leakage in dykes and dams[C]//Proceeding of Modern Mining Geology Geophysical New Progress. Changsha: Central South University Press, 2004: 225-229.
[6] 邹声杰. 堤坝管涌渗漏流场拟合法理论及应用研究[D]. 长沙: 中南大学信息物理工程学院, 2009: 19-23.
ZOU Shengjie. The research on theory and application of the flow-fitting method for detection of piping and leakage in dykes and dams[D]. Changsha: Central South University. School of Information Physics and Engineering, 2009: 19-23.
[7] 邹声杰, 汤井田, 何继善, 等. 流场拟合法在堤坝渗漏管涌探测中的应用[J]. 人民长江, 2004, 35(2): 7-8.
ZOU Shengjie, TANG Jingtian, HE Jishan, et al. Application of flow field fitting method in seepage and piping detection of embankments[J]. Yangtze River, 2004, 35(2): 7-8.
[8] 朱自强, 邹声杰, 何继善, 等. 流场拟合法在洪泽湖大堤管涌渗漏探测中的应用[J]. 工程地球物理学报, 2004, 1(3): 243-246.
ZHU Ziqiang, ZOU Shengjie, HE Jishan, et al. The application of the flow field fitting method in the detection of the piping and leakage in Hongzehu lake levee[J]. Chinese Journal of Engineering Geophysics, 2004, 1(3): 243-246.
[9] 奥本海姆. 信号与系统[M]. 2版. 刘树棠, 译. 北京: 电子工业出版社, 2013: 182-191.
Oppenheim A V. Signals and systems[M]. 2nd ed. LIU Shutang, trans. Beijing: Publishing House of Electronics Industry, 2013: 182-191.
[10] 冯慈璋, 马西奎. 工程电磁场导论[M]. 北京: 高等教育出版社, 2000: 71-72.
FENG Cizhang, MA Xikui. An introduction to engineering electromagnetic fields[M]. Beijing: High Education Press, 2000: 71-72.
[11] 周国华, 林君, 周逢道, 等. 浅海底瞬变电磁探测发射系统研究[J]. 电力电子技术, 2006, 40(5): 58-61.
ZHOU Guohua, LIN Jun, ZHOU Fengdao, et al. Study of transmitting system in transient electromagnetic exploration on shallow seafloor[J]. Power Electronics, 2006, 40(5): 58-61.
[12] 高志国. 基于RS-485总线信号的可靠性研究[J]. 石油化工自动化, 2011, 47(2): 42-44.
GAO Zhiguo. The reliability study based on the RS-485 bus signal[J]. Automation in petro-chemical industry, 2011, 47(2): 42-44.
[13] 刘向军, 黄蔚偈, 兰太寿, 等. 磁保持继电器动作机构动态过程仿真分析和验证[J]. 低电压器, 2013(2): 5-9.
LIU Xiangjun, HUANG Weijie, LAN Taishou, et al. Dynamic process simulation and verification of magnetic latching relay’s action mechanism[J]. Low Voltage Apparatus, 2013(2): 5-9.
[14] 周西峰, 赵蓉, 郭前岗, 等. Blackman-Harris窗的插值FFT 谐波分析与应用[J]. 电测与仪表, 2014, 51(11): 81-85.
ZHOU Xifeng, ZHAO Rong, GUO Qiangang, et al. Blackman-harris window based interpolation FFT harmonic analysis and its application[J]. Electrical Measurement&Instrumentation, 2014, 51(11): 81-85.
(编辑 赵俊)
收稿日期:2015-12-30;修回日期:2016-03-01
基金项目(Foundation item):国家重大科学仪器设备开发专项项目(2011YQ030133);科技部2010年度创新方法项目(2010IM031500) (Project(2011YQ030133) supported by the National Major Science Instrument Development Foundation of China; Project(2010IM031500) supported by the 2010 Ministry of Science and Technology Innovative Method)
通信作者:段清明,教授,从事电磁测量与计算机控制技术;E-mail:duanqm@jlu.edu.cn