添加铬合金化和复合变质处理对白口铸铁组织性能的影响
肖于德1,廖 敏1,王 伟1,刘 锷2,肖治平1
(1. 中南大学 材料科学与工程学院,湖南 长沙,410083;
2. 沈阳农业大学 工程学院,辽宁 沈阳,110161)
摘 要:在熔炼过程中通过对熔体进行复合变质处理,制备普通白口铸铁和含铬白口铸铁试样及其在相同铸造条件下的变质试样;对试样进行金相显微组织观察、碳化物定量分析和宏观硬度测量,研究添加铬合金化和复合变质处理对普通白口铸铁碳化物类型、形态、分布和性能的影响。研究结果表明,铸铁铬含量较低时,碳化物类型为(Fe, Cr)3C或(Fe, Cr)3C+(Cr, Fe)7C3,呈粗大网状结构;经复合变质处理后,碳化物变得孤立、分散,网状结构被消除;随着铬含量增加,碳化物全部转变为(Cr, Fe)7C3,共晶团中碳化物呈菊花状分布,并在共晶团心部附近出现近似六方形的块状(Cr, Fe)7C3碳化物;经复合变质处理后,共晶碳化物变的细小分散、分布均匀,菊花状形态消失,但六方形(Cr, Fe)7C3碳化物仍然存在;白口铸铁经复合变质处理后,其洛氏(HRC)硬度比变质前有明显提高。
关键词:白口铸铁;铬合金化;变质处理
中图分类号:TG143.3 文献标识码:A 文章编号:1672-7207(2007)06-1067-05
Effect of chromium alloying and complex modification on
structures and properties of white cast iron
XIAO Yu-de1, LIAO Min1, WANG Wei1, LIU E2, XIAO Zhi-ping1
(1. School of Materials Science and Engineering, Central South University, Changsha 410083, China;
2. Engineering School, Shenyang Agricultural University, Shenyang 110161, China)
Abstract:Normal white cast iron and chromium alloying white cast iron were prepared using a melt-casting process, and their corresponding modified samples were cast after their melt were treated by a complex modification technique. By means of metallographic observation, carbide quantitative analysis and hardness measurement, effects of chromium alloying and complex modification on shape, distribution of carbides in white cast iron and properties were investigated. The results show that white cast iron has a network structure of (Fe, Cr)3C or (Fe, Cr)3C+(Cr, Fe)7C3 carbides when chromium content is low. By complexly modifying, the carbides become isolated and decentralized. With the increase of chromium content, all the carbides can change into (Cr, Fe)7C3 and exhibit chrysanthemum morphosis in a eutectic colony, with hexagon shape carbides appearing. Meanwhile the uniform distributed carbides without chrysanthemum morphosis can be obtained, but the hexagon shape carbides still exist. The Rockwell (HRC) hardness of the white cast iron is obviously increased by complexly modifying compared with the corresponding cast iron without modification.
Key word: white cast iron; chromium alloying; modification
普通白口铸铁和铬系白口铸铁主要用作轧辊、磨球、衬板、颚板、锤头、抛丸机叶片等耐磨物件,在机械、冶金、矿山、电力、化工和建筑等行业有着广泛的应用。在通常铸造条件下,普通白口铸铁中的碳化物(Fe3C)多以共晶莱氏体组织存在,呈粗大的网状、块状形态,这不利于随后热处理过程中碳化物的溶解和组织的析出,严重降低了铸铁的韧性。因此,在实际生产中,人们通过加入合金化元素或变质剂[1-3]以及通过后续的热处理[4]来改善其组织,从而达到降低热处理的难度和成本,提高使用性能的目的。
目前,人们在改善白口铸铁组织和性能方面已进行了一定的研究,如符寒光等[5-6]研究了稀土和碱土金属对低钨合金白口铸铁共晶碳化物球团化的影响,王仲珏[7]研究了Re-Al-Bi-Mg对高铬白口铸铁进行复合变质的动力学效应,Bedolla-Jacuinde等[8]研究了Ti-RE-Bi对低铬白口铸铁共晶凝固过程的作用,这些研究都表明复合变质剂能显著改善白口铸铁的组织和性能。为此,本文作者运用一种由稀土硅铁,硅钙,硅铁和少量低熔点金属颗粒组成的自制复合变质剂,通过对普通白口铸铁进行变质处理和添加铬合金化处理,研究其对普通白口铸铁组织和性能的影响,旨在为进一步开发低成本,高性能的普通白口铸铁和含铬白口铸铁提供试验依据。
1 实 验
采用生铁、废钢、铬铁、锰铁等作原料,配制白口铸铁的化学成分为2.6% C,1.0% Si,0.8% Mn,x Cr (x为Cr的质量分数,分别为0%,1.0%,2.0%,4.0%,8.0%和12.0%)。熔炼在25 kg中频感应电炉中进行,熔炼温度为1 450~1 500 ℃。熔体经扒渣、静置后,用金属模浇铸成直径×长度为15 mm×180 mm的圆棒。变质处理在扒渣后进行,采用钟罩压入法加入一种由稀土硅铁(含22% RE, 44% Si),硅钙(含50% Si),硅铁(含72%Si)和少量低熔点金属颗粒组成的自制复合变质剂,变质熔体静置45 s后,在相同的铸造条件下浇铸成圆棒。
试样经机械抛光后,采用4%硝酸乙醇溶液浸蚀,金相显微组织在PLOYVAR MET金相显微镜下观察;碳化物定量分析在MeF3A金相显微镜和Q550图像定量分析仪上进行;硬度HRC在69-1型布洛维光学硬度计上测量,所加载荷为1.47 kN。
2 结果与分析
2.1 复合变质处理对普通白口铸铁组织的影响
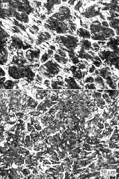
图1所示为普通白口铸铁试样在铸态下的金相组织照片。未经变质处理的试样中碳化物呈粗大的连续网状分布,如图1(a)所示;经复合变质处理后,共晶碳化物的连续部位出现断开,并以孤立块状存在,网状结构基本被破碎消除,同时,碳化物的颗粒变得更加孤立、细小,如图1(b)所示。

(a) 变质前;(b) 变质后
图 1 普通白口铸铁变质处理前后的显微组织
Fig.1 Microstructures of normal white cast iron before and after modification
复合变质剂的加入,尤其是稀土等低熔点元素的加入,提高了初生奥氏体的析出温度和扩大其结晶温度区间,有利于初生奥氏体的形核。稀土元素在奥氏体中的溶解度很小,共晶反应时在奥氏体枝晶结晶前沿的熔体中富集,有利于奥氏体枝晶的分枝增加及枝晶间距减小;同时,稀土是表面活性元素,可以在共晶碳化物上选择吸附,从而阻碍了共晶碳化物在结晶时边缘部位的继续生长。除此之外,稀土具有较强的脱硫去氧、净化金属液的能力,甚至形成的高熔点化合物相有可能作为凝固结晶的形核基底,促使初生相和共晶组织中的渗碳体细化。
2.2 添加铬合金化对普通白口铸铁组织的影响
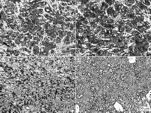
添加铬合金化后,白口铸铁的组织发生相应变化,如图2所示。当铬含量较低时,碳化物枝晶粗大,呈莱氏体蜂房状,通过尖细部位互搭成网状结构,如图2(a)和2(b)所示;铬含量较高时,组织明显变细,碳化物没有明显的网状结构,出现长杆状(Cr, Fe)7C3碳化

w(Cr)/%: (a) 1;(b) 2;(c) 8;(d) 12
图2 不同铬含量的白口铸铁显微组织
Fig.2 Microstructures of white cast iron with different chromium contents
物,如图2(c)所示;铬含量达到12%时,共晶团呈菊花状,碳化物纤维从心部到边界逐渐粗大,晶区边界上的碳化物呈较粗的六角形块状(纵截面为杆状),心部附近出现近似六边形的块状(Cr, Fe)7C3碳化物,其中心部位分布着单个或多个孔洞,孔洞内充满奥氏体或奥氏体转变产物,如图2(d)所示。
添加铬合金化后,白口铸铁中的碳化物呈现的多种形态与其含铬量和结晶过程密切相关。当含铬量较低时,共晶凝固开始,渗碳体为领先相,以边缘生长方式长大;而奥氏体相具有对称结构,能在与晶区基础平面相垂直的方向上长大,使邻接的液体中富碳,于是渗碳体在奥氏体突出物的孔隙中发芽生长,形成蜂房结构的莱氏体形态,如图2(a)和2(b)所示。
当含铬量较高时,铬使初生奥氏体析出温度升高,从而增加非平衡结晶凝固时的过冷度,细化初生奥氏体晶粒。由于铬的分配系数K0<1,使得达到共晶反应温度的液相中的铬浓度增加,达到析出(Cr, Fe)7C3碳化物的条件,并提高共晶凝固速率[9-11],使共晶组织得到细化,碳化物为(Fe, Cr)3C和(Cr, Fe)7C3混合物,没有出现明显的网状结构,如图2(c)所示。
当铬含量达到12%时,共晶凝固开始,奥氏体为领先相[9],(Cr, Fe)7C3具有沿[0001]择优生长的特性,使得共晶团呈菊花状。共晶结晶过程中,垂直于液-固界面的晶区生长速度,中心部分最高,愈接近晶区边界愈低,使心部的共晶碳化物较细小,边界较粗;随着共晶反应的进行,液相中铬浓度逐渐降低及结晶潜热的释放,结晶凝固速率随之降低,所以,晶区边界上的共晶碳化物生长成相对较粗大的六角形块状(纵截面为杆状),如图2(d)所示。在共晶团心部出现的近似六方形碳化物,可能是在冷却速度较快的非平衡凝固条件下,初生奥氏体析出,导致液相中铬和碳浓度升高,液相成分点落在伪共晶区右上方,在成分点进入伪共晶区之前形成的。(Fe, Cr)7C3碳化物包覆基体金属的原因可能是碳化物凝固收缩后被溶液填入而形成的。
2.3 铬合金化对白口铸铁复合变质处理效果的影响
添加铬合金化会影响白口铸铁的复合变质处理效果。铸铁经复合变质处理后,当铬量较低时,碳化物变得破碎分散,网状结构基本消除,呈不规则小块状分布,如图3(a)和3(b)所示;当铬含量较高时,碳化物呈孤立的小块状和杆状,碳化物粒径和分布都比较均匀,如图3(c)所示;当含铬量达到12%时,共晶团中共晶碳化物的菊花状分布消失,碳化物呈孤立的细小块状,分布很均匀,但近似六边形的块状(Cr, Fe)7C3碳化物仍然存在,如图3(d)所示。
当铬含量较低时,复合变质处理对铸铁结晶凝固

w(Cr)/%: (a) 1;(b) 2;(c) 8;(d) 12
图 3 经添加铬合金化和复合变质处理后的白口铸铁显微组织
Fig.3 Microstructures of white cast iron by chromium alloying and complex modification
过程的影响与对普通白口铸铁的影响相似。稀土表面活性元素的加入,与C,N和O等反应形成高熔点稳定化合物可以作为微小的异质晶核,增加凝固时的形核率;共晶反应时和铬元素一起在奥氏体枝晶结晶前沿聚集形成成分过冷,细化共晶体晶粒;稀土元素在共晶碳化物上选择吸附,阻碍(Fe, Cr)3C的边缘生长,使 (Fe, Cr)3C和(Cr, Fe)7C3碳化物孤立分散,见图3(a)~(c)。
当铬含量为12%,w(Cr)/w(C)≥4时,共晶碳化物由 (Fe, Cr)3C 完全转变为 (Cr, Fe)7C3[12]。(Cr, Fe)7C3具有沿[0001]方向择优生长的特性,共晶凝固时呈纤维状生长。加入复合变质剂后,稀土元素对(Cr, Fe)7C3的生长过程有一定的抑制作用,稀土中的活泼元素在共晶凝固时有选择地偏聚于共晶碳化物择优长大方向的液相中,阻止了液相中的铬、铁、碳等原子正常进入共晶碳化物晶体,降低其在择优方向上的长大速度,同时,有利于共晶奥氏体枝晶在碳化物四周生长,形成包围碳化物的外壳,限制了碳化物纤维状成长的空间,共晶团菊花状形态消失,碳化物呈孤立分散的小块状。如图3(d)所示,与变质前相比,复合变质剂的加入对六边形(Cr, Fe)7C3碳化物的影响不明显。
2.4 添加铬合金化和复合稀土变质处理对白口铸铁性能的影响
图4所示为铸态下白口铸铁在复合变质处理前后的硬度随铬含量的变化规律。可见,变质前和变质后的硬度均随着铬含量增加而升高,变质后的硬度略高于变质前的硬度,铬含量越高,变质前后硬度越接近。
随着铬含量增加,白口铸铁中的共晶碳化物类 型和数量均发生变化。碳化物由Fe3C→(Fe, Cr)3C→

1—变质前;2—变质后
图4 变质前后铸铁硬度与铬含量的关系曲线
Fig.4 Relationship between hardness of white cast iron and chromium content before and after complex modification
(Cr, Fe)7C3,它们的硬度HV分别为860,840~1 100和1 500~1 800[13]。组织中共晶碳化物的数量随着含铬量的升高而增加,可由下式估算[14]:w(共晶铁铬碳化物)=12.33%×w(C)+0.55%×w(Cr)-15.2%。碳化物数量的增加和类型的转变,使铸铁硬度随之升高。
白口铸铁经复合变质处理后,初生相和共晶团晶粒都得到细化,分布也更均匀,具有细晶强化效果,提高铸铁的硬度;但晶粒得到细化的同时,碳化物数量略有减少。对碳化物做定量分析结果表明,含铬量w(Cr)=1%的试样,变质处理前后碳化物的质量分数分别为35.3%和32.1%;含铬量w(Cr) =8%的试样,变质处理前后碳化物的质量分数分别为43.1%和41.5%,碳化物数量的减少会降低铸铁的硬度,这两者的综合作用决定了变质处理后铸铁的硬度。图4表明,复合变质处理,因细化铸铁组织使其硬度提高的幅度大于因碳化物数量的减少使铸铁硬度降低的幅度。含铬量愈高,白口铸铁组织愈得到明显改善,使得通过改善铸铁组织而进一步提高铸铁硬度的复合变质处理效果愈不明显,导致含铬量越高,铸铁变质处理前后的硬度越接近。
3 结 论
a. 采用自制的复合变质剂对普通白口铸铁进行变质处理,能显著破坏共晶碳化物的网状结构,得到破碎的块状碳化物。
b. 含铬量较低的白口铸铁,共晶碳化物为(Fe, Cr)3C或(Fe, Cr)3C+(Cr, Fe)7C3,呈网状结构;经复合变质处理后,碳化物孤立分散,网状结构被破坏。含铬量较高的白口铸铁,共晶团中的碳化物呈菊花状分布,共晶团心部附近出现近似六方形(Cr, Fe)7C3碳化物;经复合变质处理后,共晶碳化物的菊花状形态消失,变得细小、分布均匀,但六方形 (Cr, Fe)7C3碳化物仍然存在。
c. 随着铬含量增加,因碳化物类型发生转变和碳化物数量的增加,铸铁硬度随之提高;经复合变质处理,因细化组织使铸铁硬度提高的幅度大于因碳化物数量的减少导致铸铁硬度降低的幅度,使得铸铁经变质处理后硬度有所提高;含铬量愈高,复合变质处理对铸铁硬度的影响愈不明显。
参考文献:
[1] Yasuhiro M, Nobuya S, Kazumichi S, et al. Solidification and abrasion wear of white cast irons alloyed with 20% carbide forming elements[J] .Wear, 2001, 250(1/12): 502-510.
[2] CHANG Li-min, LIU Jian-hua, ZHANG Rui-jun. Effect of RE modification and heat treatment on impact fatigue property of a wear resistant white cast iron[J]. Journal of Rare Earths, 2004, 22(4): 537-541.
[3] Arikan M M, Cimenoglu H, Kayali E S. The effect of titanium on the abrasion resistance of 15Cr-3Mo white cast iron[J]. Wear, 2001, 247(2): 231-235.
[4] 关迎风, 刘良先, 龚润生, 等. 不同处理态高铬白口铸铁显微组织与性能[J]. 中南工业大学学报: 自然科学版, 1998, 29(2): 161-164.
GUAN Ying-feng, LIU Liang-xian, GONG Run-sheng, et al. Microstructure and properties of high chromium white cast iron in different treatment states[J]. Journal of Central South University of Technology: Natural Science, 1998, 29(2): 161-164.
[5] FU Han-guang, ZOU De-ning. Effects of rare earth and alkaline earth on spheroidizing of eutectic carbides in low tungsten white cast iron[J]. Journal of Rare Earths, 2004, 22(Suppl.2): 68-72.
[6] ZOU De-ning, FU Han-guang. Influence of Ce, K, and Na on spheroidization of eutectic carbides in low-tungsten white cast iron[J]. Materials Research and Advanced Techniques, 2005, 96(11): 1328-1331.
[7] 王仲珏. 高铬白口铸铁复合变质的作用及动力学效应[J]. 大型铸锻件, 2005(3): 25-26.
WANG Zhong-jue. The compound modification function and kinetic effect for the high-Cr white cast iron[J]. Heavy Casting and Forging, 2005(3): 25-26.
[8] Bedolla-Jacuinde A, Aguilar S L, Hernandez B. Eutectic modification in a low-chromium white cast iron by a mixture of titanium, rare earths, and bismuth: I. Effect on microstructure [J]. Journal of Materials Engineering and Performance, 2005, 14(2): 149-115.
[9] Matsubara Y, Ogi K, Matsuda K. Eutectic solidification of high chromium cast iron─Eutectic stuctures and their quantitative analysis[J]. AFS Transactions, 1981, 89: 183-196.
[10] Ogi K, Matsubara Y, Matsuda K. Eutectic solidification of high chromium cast iron─Mechanism of eutectic growth[J]. AFS Transactions, 1981, 89: 197-204.
[11] Ohide T, Ohira G. Solidification of high chromium alloyed cast iron[J]. The British Foundryman, 1983, 76(1): 7-14.
[12] 周继扬. 铸铁彩色金相学[M]. 北京: 机械工业出版社, 2002.
ZHOU Ji-yang. Color metallography of cast iron[M]. Beijing: China Machine Press, 2002.
[13] Wu H Q, Sasaguri N, Matsubara Y. Solidification of multi-alloyed white cast iron: Type and morphology of carbides[J]. AFS Transactions, 1996(104): 103-108.
[14] 苏俊义. 铬系耐磨白口铸铁[M]. 北京: 国防工业出版社, 1990.
SU Jun-yi. Chromium wear resistant white cast iron[M]. Beijing: National Defence Industry Press, 1990.
收稿日期:2006-12-05;修回日期:2007-01-29
基金项目:中国博士后科学基金资助项目(2005038560); 中南大学米塔尔创新项目(71007)
作者简介:肖于德(1969-),男,湖南娄底人,教授,从事耐磨材料研究
通信作者:肖于德,男,教授;电话:0731-8830261,E-mail:xiaoyude@mail.csu.edu.cn