赵素兴,王改荣,杨洪英,陈国宝
(东北大学 冶金学院,沈阳 110819)
黄铜矿是自然界分布最广的含铜矿物。采用湿法处理黄铜矿经济环保,较低的浸出速率限制了其应用。机械活化预处理是促进黄铜矿浸出的重要手段,该工艺在国内外受到广泛关注。本文对机械活化的原理、机械活化对黄铜矿物理化学性质和浸出的影响以及机械活化在黄铜矿生产中的应用进行了系统综述。通过机械活化可以降低黄铜矿粒度、增大比表面积、降低晶格尺寸、提高微应变和非晶化程度等,进而提高反应活性、降低反应温度、大幅度提高浸出率和浸出速度。对于黄铜矿的机械活化湿法提取技术、降低能耗和规模化应用依然是有待改进的关键。
文章编号:1004-0609(2021)-11-3396-13 中图分类号:TF811 文献标志码:A
引文格式:赵素兴, 王改荣, 杨洪英, 等. 黄铜矿机械活化的研究进展[J]. 中国有色金属学报, 2021, 31(11): 3396-3408. DOI: 10.11817/j.ysxb.1004.0609.2021-42437
ZHAO Su-xing, WANG Gai-rong, YANG Hong-ying, et al. Research progress of mechanical activation in chalcopyrite[J]. The Chinese Journal of Nonferrous Metals, 2021, 31(11): 3396-3408. DOI: 10.11817/j.ysxb.1004.0609.2021-42437
黄铜矿是含量最为丰富的铜资源,约占全世界铜含量的70%[1]。长期以来火法冶炼在黄铜矿处理工艺中占据主导地位,但其能耗高且气体污染严重。近年来,随着铜资源短缺、铜品位不断下降和环保标准日益严格,湿法提铜逐渐受到重视[2]。然而,黄铜矿的晶体和电子结构特殊,导致其对化学和微生物氧化反应非常惰性。而且黄铜矿在浸出时容易形成钝化层,降低反应速度,因此湿法处理难度较高[3]。为了促进黄铜矿的湿法浸出,研究人员开发了多种解决方案,如加压浸出、添加强氧化剂和催化剂等。然而,这些工艺仍然存在成本较高、浸出时间过长或浸出率偏低等缺点,因此,没有得到广泛应用。
机械活化通过对矿物输入机械能来改变其物理化学性质,如降低粒度、增大比表面积、增强结构无序等,进而提高矿物的反应活性,实现降低反应温度、提高矿物溶解度和反应速度、节省反应时间等目标[4]。20世纪八九十年代,众多黄铜矿机械活化的研究都获得了高浸出率,成本也并不高昂,近年来相关研究越发深入和广泛[5-10]。
这篇综述介绍了有关机械活化黄铜矿的研究现状。首先阐述机械活化的基本理论,然后分析了机械活化对黄铜矿物理化学性质的影响,讨论了机械活化在黄铜矿浸出中的作用,包括酸浸、碱浸、生物浸出和机械化学活化,最后是机械活化相关的黄铜矿生产工艺。
1 机械活化原理
人类对机械应力在化学反应中的应用可以追溯到远古时期猿人的钻木取火。“机械化学”的概念由OSTWALD在1887年开创,他认为机械化学反应是机械能诱发的化学反应,这一定义被IUPAC沿用至今[11]。作为机械化学的一个分支,“机械活化”概念由Smekal引入,此后机械活化在冶金、材料、医药、化学等诸多领域都得到了广泛应用[12]。目前,冶金领域的机械活化主要是指通过机械应力增强物质的反应性。在通过细磨降低粒度、增加比表面积的基础上,机械活化还涉及材料表面性质和整体的物理化学变化[13]。
机械活化主要通过磨机进行,目标粒径为10~ 100 μm的研磨被称为细磨,目标粒径低于10 μm则是超细磨[4]。研磨不仅可以增加表面积、诱发固体缺陷,还会显著增加表面高活性区域的比例。在机械活化的研磨过程中,只有5%的能量用于减小粒径[14],更多机械能会转移到颗粒上,使得晶体结构破裂,缺陷等微应变增加,晶格尺寸变小且被高能晶界隔开,非晶化程度提高,导致材料的热力学稳定性降低[15]。如图1所示[16],机械活化前原子的排列是周期性有规律且紧密连接的,活化后原子排列长程无序且变松散。通过机械活化输入的能量主要储存在非晶态材料里,其焓大幅度升高,因此显著提高了材料的反应活性[16]。
然而,机械活化对材料的改变不是永恒的,其中存在着结构弛豫。不同活化结果的弛豫时间也不同,晶格应变的弛豫时间范围是10-7~106 s,而比表面积在很长一段时间内保持不变[4]。如图2所示,活化后材料的反应活性从活化态的高点持续下降,但永远不会返回到初始状态[17]。因此,为了提高浸出率,矿物经机械活化后应立即浸出。
2 机械活化对黄铜矿性质的影响
黄铜矿呈黄色,带有绿黑色条纹和金属光泽。黄铜矿是脆性矿物,它的硬度为3~4,密度为4.1~4.3。黄铜矿属于四方晶系、I4 2d空间组,离子结构为Cu+Fe3+(S2-)2,晶格尺寸为a=b=5.2890
,c=10.4230
[1]。机械活化导致黄铜矿物理化学性质和微观结构的全方位改变,包括物理性质如粒度、比表面积和微观形貌变化,化学性质如表面氧化和热、电性质变化,微观结构如晶格尺寸、微应变和结晶度变化等。
2.1 物理性质变化

图1 机械活化前后的原子排列对比图(二维)[16]
Fig. 1 Conceptual two dimensional illustration of arrangement of atoms prior to and after MA[16]

图2 典型的机械活化态结构弛豫曲线[17]
Fig. 2 Generalized relaxation curve of mechanically activated state[17]

图3 黄铜矿晶胞结构示意图[1]
Fig. 3 Schematic diagram of chalcopyrite unit cell structure[1]

图4 机械活化黄铜矿粒度随时间的变化[18]
Fig. 4 Particle size distributions of chalcopyrite samples milled for different time[18]
机械活化通过研磨进行,其最直观的特征是粒度降低和比表面积增加。实验室应用最为广泛的是行星球磨干磨黄铜矿,如图4所示,活化前几分钟强烈的破碎会快速降低矿物粒度,并从根本上提高比表面积[18]。黄铜矿属于脆性材料,因此其破碎曲线是典型的shatter式、左缓右陡的单峰分布[19]。此后的研磨过程中,破碎颗粒在范德华力的作用下逐渐团聚,粒径分布由单峰转向双峰。ZHAO等[18]和WELHAM[20]都发现干磨下物料破碎和团聚的占比会随时间变化,双峰的位置和大小也随之变化。在团聚作用下,干磨活化黄铜矿BET比表面积S的增长速度逐渐放缓,并且在达到最大值后下降。BAFGHI等[21]分析破碎(解团聚)和团聚的关系,推导出S随活化时间变化的方程式(1),取得了较好的
拟合效果。
(1)
式中:a、b、c、m、n是常数。
助磨剂如水和有机溶剂的存在可以降低矿物的表面张力,减少团聚,所以相同条件下湿磨获得的比表面积比干磨大,粒度比干磨低[4]。然而,通过行星球磨、振动磨等进行湿磨,液体添加量并不是越多越好。 BALAZ等[22]研究发现,在不发生团聚的情况下,添加的助磨剂越少,获得的比表面积越大,研磨效果越好。这由于过多的助磨剂会阻碍机械能传输。甚至于以行星球磨为工具,长时间干磨后再通过短时间湿磨处理解团聚,所得样品的比表面积也高于同条件、同等时长的湿磨产物[23]。使用湿磨处理黄铜矿更好的途径是搅拌球磨,在更强的剪应力作用下,所得黄铜矿的粒度更小,S可以达到12 m2/g[24]。而且和结构复杂、体积受限的行星球磨相比,搅拌球磨可以大型化,因此广泛用于工业生产。
活化也导致黄铜矿的微观形貌发生变化,众多研究都报道了干磨活化中黄铜矿颗粒从表面光滑到粗糙且团聚的转变[4, 6-7, 18]。由图5(b)可以观察到活化后黄铜矿呈层状结构,这是由块状结构转化而来的。脆性黄铜矿颗粒到达研磨极限后发生塑性变形,并由脆性转向韧性。韧性黄铜矿颗粒被重复压平、冷焊(Cold welding)、破碎、重新焊接[18],从而生成层状结构。BALAZ[4]和MOHAMMADABAD等[6]都报道了过长时间干磨活化后,黄铜矿粒度尤其是最大粒径的提升和比表面积与浸出性能的下降,认为这是团聚的结果。本课题组研究发现,此时发生的是集聚,颗粒在化学键的作用下紧密连接,层状结构紧密压缩成大颗粒,被局部高温加热至熔融的小颗粒也彼此连接(见图5(c)),阻碍了BET测试和浸出时的液体渗透[18]。湿磨活化的黄铜矿团聚轻微,比干磨矿样松散许多[25](见图5(d))。机械活化后黄铜矿平均直径为几微米,断裂表面的形貌如台阶(Step)、转角(Kink)和平台(Terrace)等对浸出也有很重要的影响[26]。
2.2 化学性质变化
机械活化后黄铜矿的化学性质变化包括表面氧化和热/电等性质变化。黄铜矿的表面氧化主要是硫的价态变化,因为硫化物键强较弱,在研磨中并不稳定,所以破碎后会发生表面弛豫生成
和
,然后又容易被氧化生成氧化物或硫酸盐等[27]。GODOCIKOVA等[28]通过FT-IR、DRIFTS和XPS发现行星干磨15 min后,黄铜矿出现了表面氧化和吸附,包括CuSO4、FeSO4、FeSO4·7H2O、Fe2(SO4)3·9H2O、CuSO4·5H2O和一些碳酸盐等。他们使用XPS计算S6+和S2-的质量比,结果与普通研磨220 h的硫原子比类似,ACHIMOVICOVA等[7]也观测到了类似的表面氧化。而KARCZ[29]使用XPS发现了活化后黄铜矿向二硫化物和多硫化物的转变。

图5 活化黄铜矿的典型SEM像[18, 25]
Fig. 5 SEM images of chalcopyrite samples[18, 25]
表1总结了相关实验中活化黄铜矿FT-IR图的基团分布情况。空气氛围下,不同磨机和研磨介质所得的氧化产物种类相似,只是产量(基团数量和强度)不同。
表1 黄铜矿FT-IR图中的基团分布情况
Table 1 Assignment of most characteristic bands in FT-IR spectra of chalcopyrite samples

通常情况下,氧化反应往往停留在材料表面,对应氧化产物含量较少,无法在XRD中被检测出来。AGNEW等[33]发现,在氧气氛围下活化黄铜矿产生了能被XRD检测到的硫酸铜、硫单质和氧化铁,且黄铜矿非晶化程度增长显著,效果明显优于空气和氩气氛围。AGNEW根据浸出结果推测研磨过程中黄铜矿被氧气氧化生成CuS和FeSO4,后来被GRANATA等[34]采用X射线吸收精细结构(XAFS)验证,他们在搅拌球磨中额外加入石英以增强活化效果,活化1 h后使用低浓度硫酸浸出,1 min内浸铜量达25%,高于XAFS检测出的CuO和CuSO4之和,说明还氧化生成了非晶态的CuS[34]。KHAMKHASH等[35]在球料比为10、液固比为1的条件下使用行星球磨湿磨活化黄铜矿30 d,有5%的黄铜矿被转换成了铜蓝和黄铁矿等。这些含铜的表面氧化产物易溶,由此会在浸出初始阶段促进铜的浸出[7, 18, 33-35]。
黄铜矿在惰性气体中加热,可以从α-黄铜矿转变到β-黄铜矿和γ-黄铜矿,这三种晶型在浸出中表现出不同的溶解动力学[22]。对机械活化黄铜矿的热力学性质研究在20世纪八九十年代较多,人们发现机械活化后黄铜矿没有发生相变,但输入的机械能有利于加热后的晶型转变。差热分析中活化黄铜矿吸热峰整体左移,吸热效应明显结构化,湿磨矿样的热力学性质改变比干磨低[31]。中南大学胡慧萍等[36]总结发现,由于黄铜矿存在不完全解理和热不稳定性,使得活化时部分机械能转化为化学能,导致晶格应变比同构型的闪锌矿低。他们认为黄铜矿的活化机制是形成大量表面活性位点。
惰性氛围下活化黄铜矿的热分解是一种非均相反应,其热分解速率随比表面积和非晶化程度的增加而增加[31]。BALAZ等[37]最新研究发现,通过机械活化也可以有效降低半导体黄铜矿的能带值,降低程度与活化时间呈正相关。非晶化程度和比表面积升高均有利于能带值降低,且前者对能带值的影响大于后者。活化240 min后,纯黄铜矿的活化能Eg从0.81 eV下降到0.64 eV。
2.3 微观结构变化

图6 活化与未活化黄铜矿的XRD谱[18]
Fig. 6 XRD pattern of active and non-actived chalcopyrite samples[18]
微观结构改变是近年来机械活化研究的重点,XRD是检测活化矿物性能的常用手段。图6所示为典型的机械活化黄铜矿精矿衍射花样,可见活化后石英和黄铁矿的衍射峰相对稳定,主要是黄铜矿发生变化。这是因为它们的莫氏硬度存在差距:黄铜矿3.5~4、黄铁矿6、石英7,显然,研磨时微观结构变化倾向于在较软的相上发生[38]。20世纪的探索实验中,人们发现石英和黄铁矿的存在不会阻碍黄铜矿在活化中的性质改变[31],后来GRANATA等[34]和YUSUPOV等[39]发现硬杂质相如石英的存在反而会使黄铜矿获得更好的活化效果。一般情况下机械活化后黄铜矿的峰位不会移动,也没有新峰产生,因而没有大规模相变或者新相生成[40]。黄铜矿衍射图的主要变化是峰高逐渐降低、峰展宽明显且对称,这是研磨过程中发生了微结构变化,即诱导微应变和晶格尺寸降低等。在展宽过程中,有些相邻强峰叠峰严重,难以区分,如(220)和(204)、(312)和(116)。GRANATA等[34]发现活化导致某些峰消失,如(400)和(008),认为此类黄铜矿晶面被选择性破碎。
由于黄铜矿叠峰严重,研究人员一般以主峰(112)为基础,计算非晶化程度来评估机械活化效果,计算公式见式(2):
(2)
式中:A是非晶化程度;X是结晶度;U0和I0分别是原矿的背景强度和峰强;UX和IX分别是活化后矿样的背景强度和峰强。BAFGHI等[41]推导出了非晶化程度与研磨时间的经验公式A=ktn,在黄铜矿等矿物上取得了很好的拟合结果。
可以使用线分析技术(LPA)进一步研究机械活化对黄铜矿微观结构的影响,包括Williamson-Hall积分宽度法、Warren-Averbach傅里叶分析法和Rietveld精修等,常用软件包括FullProf、winfit、Highscore和JADE等[42]。微应变和晶格尺寸是此类研究的重点。李洪桂等[43]用行星球磨活化黄铜矿,发现其主要晶面间距都有所增长,晶格畸变提高了矿样的反应能力,但晶格畸变的改变速度随着机械活化时间的延长而放慢,意味着活化效率的降低。本文作者等[25]对比行星球磨干磨(DM)、液固比0.2的潮磨(MM)和液固比1的湿磨(WM),发现活化7 h后干磨黄铜矿晶格尺寸由122 nm降低到10 nm,微应变由0.098%上升到0.427%。而潮磨仅为25 nm和0.281%,湿磨效果更差。ONISEI等[44]利用搅拌球磨机活化黄铜矿,晶格尺寸的变化由高斯分布表征,从120 mm降低到20 nm;微应变的变化则由洛伦兹分布表征,其从0.01%增长到0.1%。他们发现晶格尺寸是指数型下降,而微应变是线性上升,变化趋势与行星球磨干磨所得的结果相同。MINAGAWA等[45]使用离散元模拟分析发现,只要输送到物料上的碰撞能相同,不同类型的磨机也会产生微观结构变化程度相似的产品。
3 机械活化对黄铜矿浸出工艺的影响
通过机械活化预处理可以改变黄铜矿的物理化学性质和微观结构,增强反应活性,因此广泛用于黄铜矿的湿法浸出,包括机械活化后的酸性浸出、碱性浸出和细菌浸出等。
3.1 机械活化黄铜矿的酸性浸出
酸性浸出是黄铜矿浸出的主要工艺,使用的浸出剂包括盐酸、硫酸、硫酸铁+硫酸、氯化铁+盐酸等[8]。活化黄铜矿的浸出有两个特点:1) 选择性浸出,浸出液中Fe/Cu比随活化时长下降;2) 结构敏感性,比表面积增长和微观结构变化均有利于浸 出[31]。近年来,部分机械活化黄铜矿酸性浸出实验参数如表2所示[5, 7, 18, 34, 40, 46-48]。
3.1.1 盐酸浸出
盐酸浸出黄铜矿反应速度快、钝化少、浸出率高,但成本高,所以近年来机械活化黄铜矿后用盐酸浸出的研究逐渐减少。TESINSKY等[46]发现虽然活化黄铜矿的盐酸浸出不需要额外添加氧化剂,但氩气氛围下铜的浸出率不如空气氛围高,说明氧分压在浸出中依然发挥着作用。
3.1.2 硫酸浸出
硫酸浸出黄铜矿价格低廉、设备简单、浸出液电解方便,但是浸出速度慢、浸出率低,所以需要在加压、高温等条件下进行,导致成本升高。机械活化可以显著提高黄铜矿的反应活性,降低浸出温度,因此,机械活化黄铜矿的硫酸浸出研究丰富。ACHIMOVICOVA等[7]在硫酸浸出实验中发现,机械活化时对一部分晶格的选择性效应只存在于拥有密堆积结构的矿物。
在使用行星球磨干磨活化黄铜矿的浸出实验中,MOHAMMADABAD等[6]、ZHAO等[18]和VAFAEIAN等[40]研究发现,一定的活化时间内活化时长与浸出率呈正相关。由于使用磨机型号不同,活化时长的分界线分别为10 h、8 h和6 h,超过此阶段后继续活化反而导致浸出率下降。他们一致认为,活化前期微观结构改变增加了颗粒自由能,和增加的比表面积一起促进了浸出效率的提高。而长时间活化后矿样的严重团聚(集聚),导致了比表面积和浸出率的下降。MOHAMMADABAD等[6]还提出活化黄铜颗粒表面的活性位点产生元素硫,阻碍了浸出。本文作者等[25]通过对比干磨、潮磨和湿磨,发现在活化黄铜矿的硫酸浸出中,比表面积和非晶化程度的提升都有助于浸出,而最能代表浸出能力的参数是微应变与晶格尺寸的比值N,称为机械活化常数。
3.1.3 硫酸+硫酸铁浸出
硫酸+硫酸铁的体系浸出黄铜矿反应简单、浸出液方便电解、浸出速度也较快,但依然容易被钝化层影响,所以机械活化黄铜矿与硫酸铁浸出的结合很有前景。
表2 部分机械活化黄铜矿浸出实验统计
Table 2 Summary of leaching results of mechanically activated copper under various conditions


图7 湿磨、潮磨和干磨活化黄铜矿浸出动力学常数与比表面积、非晶化程度和机械活化常数的关系[24]
Fig. 7 Relationships among specific surface area(a), amorphization degree(b), mechanical activation parameter(c) and reaction rate constant in WM, MM and DM[25]
BAFGHI等[48]发现行星球磨干磨活化后黄铜矿浸出率显著提高,最高可达1×105倍。BET比表面积变化对浸出速度有显著影响,呈指数关系。浸出速率常数是BPR的线性函数,磨矿时间的幂函数[49]。通过假设晶格缺陷能不是表面积的直接函数,他们推导出了本体系下黄铜矿比表面积与浸出速率常数的关系式:
(3)
式中:A是常数;σ是比表面能;R是摩尔气体常数;T是浸出温度,也较好地与浸出数据吻合[48]。需要指出的是,团聚作用下黄铜矿的比表面积存在上限,比表面积的些许增长可能对应着微观结构的大量变化,因此,对于湿磨,该关系式需要改进再使用。浸出前期可能是化学反应控制,但会随着浸出过程中钝化层的出现转变为外扩散,且不随机械活化程度改变。东北大学白云龙等[50]发现机械活化并未改变黄铜矿硫酸铁浸出的阴极反应动力学,但显著促进了阳极溶解动力学。本体系下钝化层的成分非常复杂,有人认为浸出过程中铜和铁不同的扩散速度导致了非计量硫化物Cu1-xFe1-yS2-z的产生,这些硫化物会在某个阶段阻碍浸出[51],但缺乏此类硫化物实际存在的证据。
3.1.4 盐酸+氯化铁浸出
盐酸+氯化铁溶液在常压下浸出更快、黄铜矿的溶解度更高。KAMALI等[5]用搅拌球磨活化黄铜矿,24 h后粒度由100 μm降低至50 nm。在酸性氯化铁溶液中浸出铜,表观活化能由60.23 kJ/mol降低至5.56 kJ/mol,浸出率由43%提高至86%。PALANIANDY[38]使用针式搅拌球磨活化黄铜矿,对比硫酸、盐酸、硝酸、硫酸铁和氯化铁等5种浸出液,发现氯化铁溶液中的Cu浸出率最高,达75%。然而这种溶液容易腐蚀设备,并且电解处理的稳定性不如硫酸体系,所以对下游工艺提出了更高要求。
GODOCIKOVA等[52]用搅拌球磨活化含黄铜矿、闪锌矿和方铅矿的复杂精矿,随后用氯化铁溶液浸出,30 min浸出了65%的铜。PEREK使用振动磨活化含黄铜矿的复杂矿石3 h,随后在110 ℃和1 MPa氧压下,用蒸馏水浸出,铜、钴和锌的浸出效率分别从 45.2%、25.9% 和 87.7% 提高到 98%、85% 和 97%[53]。这说明机械活化对复杂黄铜矿浸出能力的提升也是很显著的,因此,在黄铜矿品位下降日益严重的今天,机械活化作为预处理手段,对黄铜矿的浸出具有很高的应用价值。
3.2 机械活化黄铜矿的碱性浸出
除了酸浸外,碱法浸出也被用于从黄铜矿中提取铜。ONISEI等[44, 54]发现搅拌球磨活化后黄铜矿的比表面积从0.1增加到4.3 m2/g,活化能随活化时间降低,分别在高压和常压下成功用Na2CO3浸出了黄铜矿。KHEZRI等[55]使用行星磨活化黄铜矿,比表面积增长了11倍,甘氨酸溶液浸出率提高到2.8倍。活化样品释放了更多的还原性物质,在低氧化还原电位下阳极电流密度更高,溶解的铁也以磁赤铁矿的形式沉淀,利于萃取。
3.3 机械活化黄铜矿的生物浸出
机械活化作为加速矿物溶解的一种预处理手段,可以在黄铜矿的生物浸出中发挥重要作用,活化后矿物与细菌的交互也值得研究。JONES等[56]使用行星磨和振动磨对黄铜矿进行蒸馏水介质的湿磨活化,然后进行生物浸出,浸出率增长了7倍。行星湿磨活化样品比表面积大、密度低、结构缺陷多,但释放的有毒活性氧(ROS)远超振动磨,长时间的行星磨湿磨活化会产生过多ROS导致细菌死亡,对生物浸出有很强阻碍作用。中南大学曹思婷等[57]对行星磨干磨活化后的黄铜矿进行细菌浸出,浸出结果以活化2 h矿样为优。此时团聚并不严重,黄铜矿的比表面积和反应性能都达到最佳,生物浸出15 d得到了87.41%的浸出率。他们还通过密度泛函计算发现,活化矿物对葡萄糖的吸附能力也有增强,使得细菌更多的吸附在矿物表面,提高了反应率。所以,机械活化对黄铜矿生物浸出的促进有两个方面,除了矿物反应能力的提升之外,还包括矿物表面的细菌吸附提升。
3.4 其他
机械活化更多的是作为一种预处理手段增强黄铜矿的反应活性,机械化学活化黄铜矿则是指在机械活化处理黄铜矿的同时发生化学反应,主要包括两种:在磨机内通过固相反应(氧化/还原),将黄铜矿转化为易处理相;或者在磨机内以浸出液作为助磨剂,实现边磨边浸的固液反应。
上世纪的固相反应机械化学活化黄铜矿主要是将黄铜矿与铜、铁、硫等单质共同研磨以改变其性质[4],BALAZ等[58]发现黄铜矿与铁的机械化学活化有助于改变黄铜矿磁性,生成纳米材料,而现在更多的化合物投入实验。MARTIROSYAN等[59]用振动磨对黄铜矿的火法生产进行改良,即使用活化代替焙烧,然后进行低温铝热反应,发现生成了杂质较少的铜铁相且极大减少了硫排放。武汉理工大学李育彪等[10, 60-61]使用行星磨将黄铜矿和氧化剂如Fe2(SO4)3、NaClO2等同时干磨,活化2 h即可大量氧化生成易浸相如CuSO4和CuCl2,同时也改变了未反应黄铜矿的晶格结构,在75 ℃硫酸体系下2 h浸出了90%的铜。活化时氧化剂与黄铜矿的摩尔比越高,接下来的浸出效果越好。
边磨边浸的机械化学活化可以精简工艺流程,节省时间和设备,但在20世纪七八十年代的尝试中受限于高压和能耗,后来美国矿务局、犹他大学等单位陆续开发出高温机械化学活化工艺[31]。KARCZ等[62]发现在80 ℃、pH=2的硫酸体系下,通过在搅拌球磨中掺杂少量硫酸铜对黄铜矿进行1 h的化学活化,即可极大缩短浸出时间。他们通过TEM确认掺杂破坏的晶格并不多,但严重的晶格变化广泛存在于周边晶格,因而显著降低了铜溶解所需的活化能,为机械化学活化提出了新的可行路径。
值得注意的是,湿法机械化学活化对活化温度有较高要求。MOHAMMADABAD等[6]在行星磨中进行室温下硫酸介质的机械化学浸出,矿浆浓度25 g/L(液固比40),并且分别采用H2O2和Fe2(SO4)3做氧化剂,活化30 h后仅仅取得了30%左右的浸出率。因为其液固比太高,严重阻碍了机械能的传输,而浸出温度又太低,不适合反应发生。
所以,机械化学活化黄铜矿浸出可以往两个方向发展,即在更低的液固比或固态反应下进行机械化学活化,改变微观结构后进行浸出;或者在高温下边磨边浸,更好地利用研磨中不断创造的新表面来加速浸出。
4 机械活化在黄铜矿生产中的应用
机械活化对黄铜矿浸出的促进作用明显,因此,20世纪90年代以来,机械活化相关的黄铜矿生产工艺在美国、欧洲和澳大利亚发展迅速,有Lurgi-Mitterberg (振动磨)、ACTIVOX(搅拌球磨)、NSC(立式磨)、Albion\Nenatech(艾萨磨)等工艺,细磨范畴(40 μm以下)的工艺还有CESL、Dynatec和Mintek/Bactech等[63-64],我国的紫金矿业也报道了利用搅拌球磨超细磨黄铜矿然后加压浸出的实 验[65]。和图8所示的ACTIVOX工艺类似[64],这些工艺都是通过机械活化粉碎黄铜矿矿样至极低粒度,产生更大的比表面积和微观结构变化,增强黄铜矿的反应性能,然后再进行高温酸性浸出或者生物浸出,从而有效地提高黄铜矿的浸出率和利用率,对含黄铜矿的低品位复杂矿石也能实现较好的回收。这些工艺的能耗和常规的细磨-加压浸出工艺相比并不逊色,但依然有待提高。
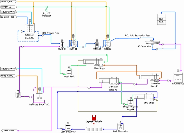
机械化学活化生产黄铜矿也已投入实践, MELT工艺实现了对含黄铜矿的复杂硫化矿的碱法机械化学浸出[66]。而美国FLSmidth公司最新发明的ROL工艺,如图9所示,把搅拌球磨改造为搅拌介质反应器,在其中对黄铜矿进行机械化学活化。然后将反应器与传统的浸出槽间隔串联,从而不断在钝化前磨损矿物,最大限度获得并利用新表面。在80 ℃、硫酸铁溶液、通氧和大气压力下,6 h内从黄铜矿中提铜率达97%~99%[67]。该工艺已投入生产,为黄铜矿的湿法浸出提供了新的方向。

图8 ACTIVOX工艺流程图[64]
Fig. 8 ACTIVOX process flowsheet[64]

图9 ROL工艺流程图[67]
Fig. 9 Operational diagram of FLSmidth
rapid oxidative (ROL) leaching process[67]
5 总结和展望
1) 作为预处理手段,机械活化可以改变黄铜矿的物理化学性质和微观结构,比如降低粒度、创造新鲜表面、提高非晶化程度、增强反应性能,从而加速黄铜矿浸出。因此,机械活化是高效、清洁的黄铜矿浸出预处理工艺。
2) 通过机械活化干磨处理黄铜矿可以更大程度改变其微观结构,而且活化越久,溶液中铜铁比越高,利于后续萃取。但存在耗时较久、规模较小、能耗偏高等缺点,因此多数处于实验室阶段进行机理研究。未来应深入研究机械活化后黄铜矿微观结构变化,结合第一性原理、模拟计算等量子化学技术,总结规律,拓展理论,指导科研与生产。
3) 实际投入生产的黄铜矿机械活化生产工艺以湿磨为主,侧重于提高比表面积。尤其是近年来逐渐发展的高温机械化学活化工艺,可以通过边磨边浸精简生产流程,降低成本,减少能源消耗和废气污染,高效利用低品位黄铜矿,值得我国企业学习发展。
4) 由于机械活化耗能较高,因此,发展黄铜矿机械活化浸出工艺必须提高能源利用率,降低能耗。机械活化通过磨机进行,还需要开发效率更高、容积更大的磨机,以改善活化效果、扩大生产规模。同时,机械活化与浸出下游工艺的结合也值得引起重视。
REFERENCES
[1] ZHAO Hong-bo, ZHANG Yi-sheng, ZHANG Xian, et al. The dissolution and passivation mechanism of chalcopyrite in bioleaching: An overview[J]. Minerals Engineering, 2019, 136: 140-154.
[2] 田祖源, 李浩东, 魏 茜, 等. Cu2+、Fe2+和Fe3+对中等嗜热混合菌浸出黄铜矿的影响[J]. 中国有色金属学报, 2021, 31(1): 171-180.TIAN Zu-yuan, LI Hao-dong, WEI Qian, et al. Effects of Cu2+, Fe2+, and Fe3+ on bioleaching of chalcopyrite by moderate thermophilic mixed bacteria[J]. The Chinese Journal of Nonferrous Metals, 2021, 31(1): 171-180.
[3] WATLING H R. Chalcopyrite hydrometallurgy at atmospheric pressure: 1. Review of acidic sulfate, sulfate-chloride and sulfate-nitrate process options[J]. Hydrometallurgy, Elsevier B.V., 2013, 140: 163-180.
[4] BALAZ P. Mechanochemistry in minerals engineering[M]. Mechanochemistry in Nanoscience and Minerals Engineering. Springer, 2008: 257-296.
[5] KAMALI A R, KHAKI J V. Copper leaching from nanoparticles of chalcopyrite concentrate[J]. Russian Journal of Non-Ferrous Metals, 2008, 49(3): 138-143.
[6] MOHAMMADABAD F K, HEJAZI S, KHAKI J V, et al. Mechanochemical leaching of chalcopyrite concentrate by sulfuric acid[J]. International Journal of Minerals, Metallurgy, and Materials, 2016, 23(4): 380-388.
[7] ACHIMOVICOVA M, BALAZ P, BRIANCIN J. The influence of mechanical activation of chalcopyrite on the selective leaching of copper by sulphuric acid[J]. Metalurgija, 2006, 45(1): 9-12.
[8] 冷红光, 韩百岁, 杨孟月. 黄铜矿浸出研究进展[J]. 湿法冶金, 2021, 40(5): 355-360.LENG Hong-guang, HAN Bai-sui, YANG Meng-yue. Research progress on chalcopyrite leaching[J]. Hydrometallurgy of China, 2021, 40(5): 355-360.
[9] 肖忠良. 机械活化硫化矿能量学研究[D]. 长沙: 中南大学, 2003.XIAO Zhong-liang. Study on the energesis of mechanically activated sulphide ores[D]. Changsha: Central South University, 2003.
[10] 王 兵, 李育彪, 张世鹏, 等. 机械活化黄铜矿浸出动力学研究[J]. 中国矿业, 2018, 27(2): 136-140.WANG Bing, LI Yu-biao, ZHANG Shi-peng, et al. Effects of mechanical activation on chalcopyrite leaching kinetics[J]. China Mining Magazine, 2018, 27(2): 136-140.
[11] BOLDYREV V V, TKACOVA K. Mechanochemistry of solids: Past, present, and prospects[J]. Journal of Materials Synthesis and Processing, 2000, 8(3/4): 121-132.
[12] BEYER M K, CLAUSEN-SCHAUMANN H. Mechano- chemistry: The mechanical activation of covalent bonds[J]. Chemical Reviews, 2005, 105(8): 2921-2948.
[13] 黄青云, 向俊一, 裴贵尚, 等. 机械活化强化钒渣钙化提钒工艺[J]. 中国有色金属学报, 2020, 30(4): 858-865.HUANG Qing-yun, XIANG Jun-yi, PEI Gui-shang, et al. Mechanical activation on extraction of vanadium from vanadium slag by calcification roasting-acid leaching process[J]. The Chinese Journal of Nonferrous Metals, 2020, 30(4): 858-865.
[14] RHODES M. Introduction to particle technology[M]. 2nd ed. West Sussex: John Wiley & Sons Ltd, 2008.
[15] URAKAEV F K, BOLDYREV V V. Mechanism and kinetics of mechanochemical processes in comminuting devices: 1. Theory[J]. Powder Technology, 2000, 107(1/2): 93-107.
[16] HAUG T A. Dissolution and carbonation of mechanically activated olivine-Investigating CO2 sequestration possibilities[D]. Norwegian University of Science and Technology, 2010.
[17] BALAZ P, ACHIMOVICOVA M, BALAZ M, et al. Hallmarks of mechanochemistry: From nanoparticles to technology[J]. Chemical Society Reviews, 2013, 42(18): 7571-7628.
[18] ZHAO Su-xing, WANG Gai-rong, YANG Hong-ying, et al. Agglomeration-aggregation and leaching properties of mechanically activated chalcopyrite[J]. Transactions of Nonferrous Metals Society of China, 2021, 31(5): 1465-1474.
[19] KING R P. Modeling and simulation of mineral processing systems[M]. Oxford: Butterworth-Heinemann, 2001.
[20] WELHAM N J. Effect of extended grinding on the dissolution of a Ta/Nb concentrate[J]. Canadian Metallurgical Quarterly, 2001, 40(2): 143-154.
[21] BAFGHI M S, EMAMI A H, ZAKERI A, et al. Development and verification of a mathematical model for variations of the specific surface area of mineral powders during intensive milling[J]. Powder Technology, 2010, 197(1/2): 87-90.
[22] BALAZ P, TURIANICOVA E, FABIAN M, et al. Structural changes in olivine (Mg, Fe)2SiO4 mechanically activated in high-energy mills[J]. International Journal of Mineral Processing, 2008, 88(1/2): 1-6.
[23] KLEIV R A, THORNHILL M. The effect of mechanical activation in the production of olivine surface area[J]. Minerals Engineering, 2016, 89: 19-23.
[24] BALAZ P, ALACOVA A, ACHIMOVICOVA M, et al. Mechanochemistry in hydrometallurgy of sulphide minerals[J]. Hydrometallurgy, 2005, 77(1/2): 9-17.
[25] YANG Hong-ying, ZHAO Su-xing, WANG Gai-rong, et al. Mechanical activation modes of chalcopyrite concentrate and relationship between microstructure and leaching efficiency[J]. Hydrometallurgy, 2021, https://doi.org/10.1016/j.hydromet. 2021.105778.
[26] 陈启元,胡慧萍,尹周澜. 硫化矿机械活化机理研究现状与展望[J]. 中国稀土学报, 2004, 22(z1): 117-127.CHEN Qi-yuan, HU Hui-ping, YIN Zhou-lan. The research status in quo and the prospect for the mechanism of mechanical activation of sulfide ores[J]. Journal of The Chinese Rare Earth Society, 2004, 22(z1): 117-127.
[27] WEI Zhen-lun, LI Yu-biao, GAO Hui-min, et al. New insights into the surface relaxation and oxidation of chalcopyrite exposed to O2 and H2O: A first-principles DFT study[J]. Applied Surface Science, 2019, 492: 89-98.
[28] GODOCIKOVA E, BALAZ P, BASTL Z, et al. Spectroscopic study of the surface oxidation of mechanically activated sulphides[J]. Applied Surface Science, 2002, 200(1/4): 36-47.
[29] KARCZ A P. Surface characterization of activated chalcopyrite particles[D]. [s.l] Technical University of Denmark, 2019.
[30] ALEX T C, KUMAR R, ROY S K, et al. Towards ambient pressure leaching of boehmite through mechanical activation[J]. Hydrometallurgy, 2014, 144/145: 99-106.
[31] BALAZ P. Extractive metallurgy of activated minerals[J]. Minerals Engineering, 2000, 13(10/11): 1191.
[32] VYATCHINA V G, PERELYAEVA L A, ZUEV M G, et al. Vibrational spectra of sulfoborate glasses[J]. Inorganic Materials, 2005, 41(10): 1128-1130.
[33] AGNEW C J, WELHAM N J. Oxidation of chalcopyrite by extended milling[J]. International Journal of Mineral Processing, 2005, 77(4): 208-216.
[34] GRANATA G, TAKAHASHI K, KATO T, et al. Mechanochemical activation of chalcopyrite: Relationship between activation mechanism and leaching enhancement[J]. Minerals Engineering, 2019, 131: 280-285.
[35] KHAMKHASH A, MEDVEDEV A S, KRYLOVA L N. Changes in the mineral phases during the processing of a copper sulfide concentrate[J]. Russian Journal of Non-Ferrous Metals, 2007, 48(1): 31-39.
[36] 胡慧萍. 机械活化硫化矿结构与性质变化规律的基础研究[D]. 长沙: 中南大学, 2003.HU Hui-ping. Study on the rules for the changes of the structures and the properties of mechanically activated sulphide ores[D]. Changsha: Central South University, 2003.
[37] BALAZ P, DUTKOVA E, BALAZ M, et al. Mechanochemistry for energy materials: Impact of high-energy milling on chemical, electric and thermal transport properties of chalcopyrite CuFeS2 nanoparticles[J]. Chemistry Open, 2021, 10(8): 806-814.
[38] PALANIANDY S. Impact of mechanochemical effect on chalcopyrite leaching[J]. International Journal of Mineral Processing, 2015, 136: 56-65.
[39] YUSUPOV T S, KIRILLOVA E A, SHUMSKAYA L G. Mineral hardness effect on the combined mineral grinding[J]. Journal of Mining Science, 2007, 43(4): 450-454.
[40] VAFAEIAN S, AHMADIAN M, REZAEI B. Sulphuric acid leaching of mechanically activated copper sulphidic concentrate[J]. Minerals Engineering, 2011, 24(15): 1713-1716.
[41] BAFGHI M S, EMAMI A H, VAHDATI KHAKI J, et al. Development of a mathematical expression for the variation of amorphization phenomenon during intensive milling of minerals[J]. International Journal of Mineral Processing, 2009, 93(2): 149-154.
[42] MAHMOUDI CHENARI H. X-ray powder diffraction line broadening analysis of the nanocrystalline tin dioxide by the classical Warren-Averbach approach[J]. The European Physical Journal Plus, 2018, 133(2): 33.
[43] 李洪桂, 杨家红, 赵中伟, 等. 黄铜矿的机械活化浸出[J]. 中南工业大学学报, 1998, 29(1): 28-30.LI Hong-gui, YANG Jia-hong, ZHAO Zhong-wei, et al. Study on the leaching of mechanically activated chalcopyrite[J]. Journal of Central South University of Technology, 1998, 29(1): 28-30.
[44] ONISEI S, BADILITA V, STOICIU F, et al. Mechanochemical activation of copper concentrate and the effect on oxidation of metal sulphides[J]. Revista de Chimie- Bucharest-Original Edition, 2012, 63(6): 591-597.
[45] MINAGAWA M, HISATOMI S, KATO T, et al. Enhancement of copper dissolution by mechanochemical activation of copper ores: Correlation between leaching experiments and DEM simulations[J]. Advanced Powder Technology , 2018, 29(3): 471-478.
[46] TESINSKY M, BALAZ P. Copper leaching from chalcopyrite: Mechanochemical approach[J]. Inzynieria Mineralna, 2017, 2017(1): 1-5.
[47] GUZMAN D, ORDONEZ S, AGUILAR C, et al. Sulphuric acid leaching of mechanically activated chalcopyrite[J]. Revista Facultad de Ingenieria, 2010(56): 32-30.
[48] BAFGHI M S, EMAMI A H, ZAKERI A. Effect of specific surface area of a mechanically activated chalcopyrite on its rate of leaching in sulfuric acid-ferric sulfate media[J]. Metallurgical and Materials Transactions B, 2013, 44(5): 1166-1172.
[49] BAFGHI M S, EMAMI A H, ZAKERI A, et al. Effect of mechanical activation on the kinetics of leaching of chalcopyrite in the ferric sulfate media[J]. Iranian Journal of Materials Science and Engineering, 2010, 7(2): 30-35.
[50] BAI Yun-long, WANG Wei, ZHAO Shan-rong, et al. Effect of mechanical activation on leaching behavior and mechanism of chalcopyrite[J]. Mineral Processing and Extractive Metallurgy Review, 2021. https://doi.org/ 10.1080/08827508.2021.1906239.
[51] NAVA D, GONZALEZ I. Electrochemical characterization of chemical species formed during the electrochemical treatment of chalcopyrite in sulfuric acid[J]. Electrochimica Acta, 2006, 51(25): 5295-5303.
[52] GODOCIKOVA E, BALAZ P, BOLDIZAROVA E. Structural and temperature sensitivity of the chloride leaching of copper, lead and zinc from a mechanically activated complex sulphide[J]. Hydrometallurgy, 2002, 65(1): 83-93.
[53] PEREK K T, ARSLAN F. Effect of mechanical activation on pressure leaching of küre massive rich copper ore[J]. Mineral Processing and Extractive Metallurgy Review, 2010, 31(4): 191-200.
[54] ONISEI S, MOLDOVAN P, MARA L, et al. Influence of mechanical activation on the kinetics of non ferrous metal sulphides oxidation[J]. UPB Scientific Bulletin, Series B: Chemistry and Materials Science, 2010, 72(3): 183-192.
[55] KHEZRI M, REZAI B, ABDOLLAHZADEH A A, et al. Investigation into the effect of mechanical activation on the leaching of chalcopyrite in a glycine medium[J]. Hydrometallurgy, 2021, 203(8): 105492.
[56] JONES G C, CORIN K C, VAN HILLE R P, et al. The generation of toxic reactive oxygen species (ROS) from mechanically activated sulphide concentrates and its effect on thermophilic bioleaching[J]. Minerals Engineering, 2011, 24(11): 1198-1208.
[57] CAO Si-ting, ZHENG Xing-fu, NIE Zhen-yuan, et al. Mechanical activation on bioleaching of chalcopyrite: A new insight[J]. Minerals, 2020, 10(9): 788.
[58] BALAZ P, ZORKOVSKA A, BALAZ M, et al. Mechanochemical reduction of chalcopyrite CuFeS2: changes in composition and magnetic properties[J]. Acta Physica Polonica A, 2017, 131(4): 1165-1167.
[59] MARTIROSYAN V, AGHAMYAN T, SASUNTSYAN M, et al. Sulfur dioxside utilization by the treatment of pyrite- chalcopyrite sulfide concentrates, combining mechanical and metallothermic processes[J]. Journal of Faculty of Food Agriculture and Environment, 2011, 10(4): 24-29.
[60] LI Yu-biao, YAO Yi-lun, WANG Bing, et al. New insights into chalcopyrite leaching enhanced by mechanical activation[J]. Hydrometallurgy, Elsevier, 2019, 189: 105131.
[61] LI Yu-biao, WANG Bing, XIAO Qing, et al. The mechanisms of improved chalcopyrite leaching due to mechanical activation[J]. Hydrometallurgy, 2017, 173: 149-155.
[62] KARCZ A P, DAM
A J, ILLERUP J B, et al. Electron microscope investigations of activated chalcopyrite particles via the FLSmidth
ROL process[J]. Journal of Materials Science, 2017, 52(20): 12044-12053.
[63] ANDERSON C G. Applications of NSC pressure leaching[M]. Montreal: Canadian Institute of Mining, Metallurgy and Petroleum, 2004: 855-886.
[64] BALAZ P, DUTKOVA E. Fine milling in applied mechanochemistry[J]. Minerals Engineering, 2009, 22(7/8): 681-694.
[65] 李晓伟, 董常平, 张 波. 某含铜金精矿超细磨低温低压浸出试验研究[J]. 矿产综合利用, 2015(1): 27-30.LI Xiao-wei, DONG Chang-ping, ZHANG Bo. Study on leaching a gold and copper concentrate with low temperature and pressure and ultra-fine grinding treatment[J]. Multipurpose Utilization of Mineral resources, 2015(1): 27-30.
[66] BALAZ P, ACHIMOVICOVA M. Mechanochemical leaching in hydrometallurgy of complex sulphides[J]. Hydrometallurgy, 2006, 84(1/2): 60-68.
[67] MULLIGAN M, CHAIKO D, BACZEK F, et al. The FLSmidth
rapid oxidative leach (ROL) process: a mechanochemical approach and industrial applications for rapid metal sulphide dissolution[J]. Journal of the Southern African Institute of Mining and Metallurgy, 2017, 117(8): 741-747.
ZHAO Su-xing, WANG Gai-rong, YANG Hong-ying, CHEN Guo-bao
(School of Metallurgy, Northeastern University, Shenyang 110819, China)
Abstract: Chalcopyrite is the most abundant copper resources, the hydrometallurgical processing of chalcopyrite represents an ecologically and environmentally friendly attractive technology. However, the slow Cu leaching rate during chalcopyrite dissolution process limits its wide application. The mechanical activation is an important pretreatment method of chalcopyrite and has been concerned worldwide due to its cleanliness and efficiency. In the present paper, the principles of mechanical activation, the change of properties of chalcopyrite by mechanical activation, the influence of mechanical activation on chalcopyrite leaching, and the application in the production of chalcopyrite were systematically reviewed. The mechanical activation can improve the activity of chalcopyrite by the decrease in particle size distribution, the increase in specific surface area, the decrease in grain size, and the increase of microstrain and amorphization degree. Thus, lower reaction temperature, higher reaction rate, shorter reaction time, and other benefits can be achieved in the leaching of activated chalcopyrite. For the recovery of copper from chalcopyrite using hydrometallurgical processes, based on mechanical activation, the energy consumption and scale are the key problems to be solved in the future.
Key words: mechanical activation; chalcopyrite; microstructure; surface area; leaching
Foundation item: Project(2018YFC1902002) supported by the National Key Research and Development Program of China; Project(U1608254) supported by the Special Fund for the National Natural Science Foundation of China
Received date: 2021-09-28; Accepted date: 2021-11-08
Corresponding author: YANG Hong-ying; Tel: +86-13889803669; E-mail: yanghy@mail.neu.edu.cn
(编辑 李艳红)
基金项目:国家重点研发计划资助项目(2018YFC1902002);国家自然科学基金资助项目(U1608254)
收稿日期:2021-09-28;修订日期:2021-11-08
通信作者:杨洪英,教授,博士;电话:13889803669;E-mail:yanghy@mail.neu.edu.cn
摘 要:黄铜矿是自然界分布最广的含铜矿物。采用湿法处理黄铜矿经济环保,较低的浸出速率限制了其应用。机械活化预处理是促进黄铜矿浸出的重要手段,该工艺在国内外受到广泛关注。本文对机械活化的原理、机械活化对黄铜矿物理化学性质和浸出的影响以及机械活化在黄铜矿生产中的应用进行了系统综述。通过机械活化可以降低黄铜矿粒度、增大比表面积、降低晶格尺寸、提高微应变和非晶化程度等,进而提高反应活性、降低反应温度、大幅度提高浸出率和浸出速度。对于黄铜矿的机械活化湿法提取技术、降低能耗和规模化应用依然是有待改进的关键。