聚吡咯/聚乳酸多孔复合导电材料的制备与表征
徐海星1, 2,闫玉华2,李世普2
(1. 武汉理工大学 化工学院,湖北 武汉,430070;
2. 武汉理工大学 生物材料与工程研究中心,湖北 武汉,430070)
摘 要:
摘 要:以FeCl3为氧化剂和掺杂剂,以SDS(十二烷基磺酸钠)为乳化剂,利用乳液聚合法制备用于周围神经修复的聚吡咯(PPY)/聚乳酸(PDLLA)多孔复合导电材料,用全反射傅里叶红外光谱(ATR-FT-IR)、多功能电子能谱(XPS)、扫描电镜(SEM)及霍尔效应测试系统对其进行表征并对其导电性能进行测试。研究结果表明:PDLLA的特征吸收峰和PPY的特征吸收峰在多孔复合材料的ATR-FT-IR图谱中都有体现;多孔复合材料中具有N原子的特征电子能谱峰;PPY/PDLLA多孔复合材料是一个两相体系,PPY粒子分散在连续的绝缘PDLLA相中,并具有多孔结构;当PPY含量高时,微区域变大,并且相互连接,在PDLLA中形成贯穿网络;复合材料的电导率随着PPY含量的增大而增大,能满足周围神经再生要求。
关键词:
中图分类号:TQ316.6+2 文献标志码:A 文章编号:1672-7207(2010)04-1321-06
Preparation and characterization of PPY/PDLLA porous conductive material
XU Hai-xing1, 2, YAN Yu-hua2, LI Shi-pu2
(1. School of Chemical Engineering, Wuhan University of Technology, Wuhan 430070, China;
2. Biomedical Materials and Engineering Research Center, Wuhan University of Technology, Wuhan 430070, China)
Abstract: Using FeCl3 as oxidant and doping agent and SDS (sodium dodecyl sulfate) as emulsifier, polypyrrole (PPY)/poly (d, l-lactic acid) (PDLLA) porous conductive material was prepared by emulsion polymerization for repair of peripheral nerve. The porous conductive material was characterized by all total reflection Fourier transform infrared spectroscopy (ATR-FT-IR), scanning electron microscopy (SEM) and Hall effect testing system. The results show that the characteristic absorption peaks of PDLLA and PPY exist in the ATR-FT-IR spectroscopy of the composite porous conductive material. The porous composite material has the characteristics of electron spectroscopy peak of N atom, the PPY/PDLLA composite porous conductive material is a two-phase system with the PPY particles dispersed in the continuous phase of PDLLA and the composite porous conductive material has a porous structure. When the content of PPY is high, micro-regions interconnected in the PDLLA becomes larger and the network is formed. The conductivity of composite materials gradually increases with the increase of PPY content. The composite materials has large conductivity which can meet the requirements of the regeneration peripheral nerve.
Key words: poly(d, l-lactic acid); polypyrrole; conductive material; peripheral nerve
周围神经损伤修复临床使用自体神经移植、同种异体神经移植、自体非神经组织移植和生物材料替代品,但自体神经移植、同种异体神经移植、自体非神经组织移植存在来源有限、排异等问题[1]。近年来,聚乳酸因具有良好的生物可降解性、生物相容性和机械性能用于周围神经损伤的修复[2-3]。导电高分子聚吡咯Polypyrrole (PPY)是一种具有良好生物相容性及优异导电性能的导电功能性高分子[4-6],已经证实其支持内皮细胞、嗜络细胞、神经细胞的增殖,并且刺激神经再生等[7]。作为组织生长支架的聚合物,人们对聚吡咯(PPY)的研究主要集中在为神经细胞纤维生长、血管移植提供再生的模板以及体外肝脏的培植等组织工程学领域,其优越性在于[8-12] :(1) 加电的区域定位准确;(2) PPY成本低廉且易于合成,通过加入不同的掺杂分子以及是否加电,可以获得不同的表面特性,使得在同一表面不同区域获得与细胞黏连和不黏连的表面格局成为可能,在同一表面可获得分界清晰的不同生长阶段的细胞;(3) 作为高分子聚合物,基质类似物和生长因子可以偶联到PPY进行表面生物活性修饰,给神经甚至骨的再生提供多种刺激。在此,本文作者利用乳液聚合法,在FeCl3的作用下,使单体吡咯在聚乳酸的三氯甲烷溶液中进行氧化聚合,制备聚吡咯/聚乳酸(PPY/PDLLA)多孔复合导电材料,并用全反射傅里叶红外光谱、多功能电子能谱仪、扫描电镜以及霍尔效应测试系统进行表征和测试,以便为进一步用于周围神经损伤修复奠定基础。
1 实验
1.1 药品、试剂与仪器
药品与试剂为:聚乳酸(PDLLA,相对分子质量为20万),武汉理工大学生物中心自制,用前经乙醇-水(质量比为1?1)浸泡一定时间取出,真空减压,于干燥器中备用;吡咯(PY, 纯度为98%,Aldrich Chemical Co, Milwaukee, WI, USA),减压蒸馏2次使其呈无色,用前于冰箱低温放置;十二烷基磺酸钠(SDS)、无水FeCl3及其余试剂,均为分析纯。
仪器为:Nexus傅里叶变换红外光谱仪(美国热电尼高力公司(Thermo Nicolet制造);ESCALAB MK Ⅱ多功能电子能谱仪(英国VG Scientific Ltd制造);JSM-5610LV扫描电子显微镜(日本电子株式会社(JEOL)制造);HL5500PC霍尔效应测试系统(英国Accent Optical制造)。
1.2 PPY/ PDLLA多孔复合导电材料的制备
取一定量的聚乳酸加三氯甲烷溶解配成一定浓度的三氯甲烷溶液,另取不同量的吡咯在N2保护下加入三氯甲烷聚乳酸溶液。搅拌2 h,加入一定量的十二烷基磺酸钠(SDS),并按比例逐滴加入10%的FeCl3 水溶液(w(FeCl3)? w(PY)=5.3)[13],搅拌,乳化聚合4 h,采用旋涂法将乳化聚合好的复合乳液逐层涂覆于波棒上,每涂一层用无水乙醇洗涤,以除去三氯甲烷和水溶液,如此反复,直至达到预计厚度为止,脱膜、真空减压至恒质量即得PPY/PDLLA多孔复合导电材料。
1.3 PPY/ PDLLA多孔复合导电材料的表征与测试
在Nexus傅里叶变换红外光谱仪上进行全反射红外光谱测试(AFT-FT-IR);用ESCALAB MK Ⅱ多功能电子能谱仪对表面元素进行分析;用JSM-5610LV扫描电子显微镜对表面形貌进行测试;用HL5500PC霍尔效应测试系统,采用四点法测试其导电性能。
1.4 实验分析方法
目前,聚吡咯(PPY)的制备方法有2种:一是用氧化剂氧化的化学方法制备聚吡咯粉末;二是用电化学方法制备导电薄膜。但是,由这2种方法制备的聚吡咯都需要进一步提高电导率并改善其加工性能。为提高电导率和加工性能,一般采用效果好的掺杂剂并适当提高掺杂水平,但目前由这些方法制得的产品需要进一步改进,而且制备过程都较复杂。近年来,以反向(油包水)微乳液法制备纳米粒子很受重视,该法的反应条件容易控制,粒子粒度小且均匀。它是以非极性介质为连续相,溶有反应物的水为分散相的体系,隔离的微细水池中形成单一粒子。例如:在合成导电高分子材料聚苯胺纳米材料中,以TritonX- 100为乳化剂,正己醇为助乳化剂,得到以苯胺盐酸盐为水相,正己烷为分散介质的反向(W/O)微乳液。进一步以过硫酸铵为氧化剂合成聚苯胺纳米材料,这也为合成聚吡咯复合材料提供了一条新的途径[14]。
本文以FeCl3为氧化剂和掺杂剂,以SDS(十二烷基磺酸钠)为乳化剂,利用乳液聚合法制备用于周围神经修复的聚吡咯(PPY)/聚乳酸(PDLLA)多孔复合导电材料,以期制备一种适于神经生长的PPY/PDLLA 复合导电材料。
2 结果与讨论
2.1 PDLLA,PPY/PDLLA和PPY的全反射傅里叶红外光谱
图1所示为PDLLA,PPY/PDLLA及PPY的全反射傅里叶红外光谱(ATR-FT-IR)图。从图1可知:PPY/ PDLLA中存在PDLLA与PPY的主要特征峰,其中,1 752 cm-1处的峰为聚乳酸的经典酯基吸收峰,这表明PPY与PDLLA已形成有机的复合材料。
2.2 PPY/PDLLA的多功能电子能谱
图2所示为不同比例的3种PPY/PDLLA 复合材料的多功能电子能谱(XPS)图。从图2可知:5%,10%和15% PPY/PDLLA这3种材料均具有N原子的特征电子能谱峰;随着PPY含量的增加,相对强度上升,这说明N的含量增加,也表明PPY与PDLLA 已形成有机的复合材料。

(a) PDLLA; (b) PPY/PDLLA; (c) PPY
图1 PDLLA,PPY/PDLLA 及PPY的全反射傅里叶红外光谱
Fig.1 ATR-FT-IR spectra of PDLLA, PPY/PDLLA and PPY
2.3 SEM图像
为了让受损区能与外界进行物质和信息交换,近年来,人们采用高渗透、多孔的载体材料[15-16]。载体材料的孔结构(全通透性、半通透性、不透性)对受损部位的功能恢复有较大的影响,一般认为半通透性的载体材料为最佳。其原因是:全通透性的材料能允许包括淋巴组织、成纤维细胞等所有成分通过,易引起炎性反应和局部纤维组织增生,不利于受损区的生长;而不通透性材料不允许任何营养物质进入,不利于与外界物质交换,使受损区不能获得良好的微环境。半通透性材料则克服了上述不足,能允许红细胞、氧气、小分子营养物质通过,阻隔了不利成分进入,其局部微环境利于受损区的再生。图3所示为5% PPY/PDLLA复合材料的表面SEM形貌,图4所示为其截面SEM图。从图3和图4可知:PPY纳米粒(图4中箭头所示)分散在连续的绝缘PDLLA相中形成一种多孔结构,孔径为1~10 μm(图3),且孔与孔之间互相连通。这种多孔结构的形成可能是在制膜过程 中,无水乙醇将乳液中的水及三氯甲烷置换出来的结果。这种结构不仅起半通透性作用,使受损区能与外界进行正常的物质和信息交换,而且能有效地阻止淋巴组织、成纤维细胞的进入,起到很好的屏障作用,可能成为一种较理想的周围神经再生支架材料[17]。

w(PPY/PDLLA)/%: (a) 5; (b) 10; (c) 15
图2 不同含量PPY/PDLLA导电复合材料的XPS
Fig.2 XPS of PPY/PDLLA conductive composite material with different ratios
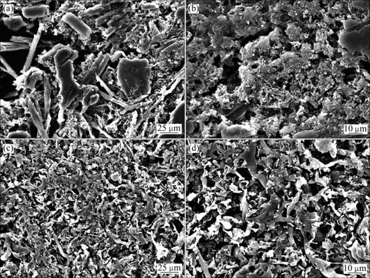
根据扫描电镜观察结果,PPY/PDLLA导电复合材料为两相体系,PPY粒子分散在连续的高分子材料PDLLA相中,但分散不均匀,PPY纳米粒在PDLLA表面或膜中形成不同尺寸的微区域。PPY纳米粒首先形成集合物,然后,这些集合物构成微区域,形成的微区域互相连接就构成嵌入PDLLA中的网状结构。不同含量的PPY/PDLLA导电复合材料的SEM图见图5。对比图3和图5可知:当PPY含量较高时,微区域变得较大,并且相互连接,在PDLLA中形成贯穿网络;而聚合物的导电性依赖于聚吡咯网络的电导率,粒子之间的联系、区域的尺寸、网络的延伸以及表面暴露PPY区域的面积在聚吡咯网络界面有着重要的作用。

放大倍数:(a) 500;(b) 1 000
图3 5% PPY/PDLLA导电复合材料表面的SEM图
Fig.3 SEM images of 5% PPY/PDLLA conductive composite material

放大倍数:(a) 1 000;(b) 5 000
图4 PPY/PDLLA导电复合材料截面的SEM图
Fig.4 SEM images of cross section of PPY/PDLLA conductive composite material

(a) 10% PPY/PDLLA,放大倍数为500;(b) 10% PPY/PDLLA,放大倍数为1 000;
(c) 15% PPY/PDLLA,放大倍数为500;(d) 15% PPY/PDLLA,放大倍数为1 000
图5 不同含量PPY/PDLLA导电复合材料的SEM图
Fig.5 SEM photographs of different ratios of PPY/PDLLA conductive composite material
2.4 导电性能
采用四点法将不同含量的PPY/PDLLA多孔导电复合材料置于霍尔效应测试系统中,测定其电导率。表1所示为5%,10%和15% PPY/PDLLA这3种不同含量的复合材料的电导率测试结果。从表1可知:这3种复合材料的电导率随着PPY含量增高而增大。
表1 导电复合材料的电导率测试结果
Table 1 Conductivity test results of conductive composite material

PPY是一种非降解性导电材料,本研究的目的是:当PPY含量很低时,使PPY/PDLLA导电复合材料能产生导电性,满足神经再生要求。全反射傅里叶红外光谱(ATR-FT-FTIR)及多功能电子能谱仪测试结果表明:在复合材料中存在聚吡咯和聚乳酸。电导率测试结果表明:3种含量的导电复合材料电导率完全满足神经的生长要求[18];PDLLA可在体内降解,而PPY是非降解物,因此,虽然这3种含量的PPY/PDLLA导电复合材料均满足于导电性,但综合导电性和降解性,5% PPY/PDLLA导电复合材料更加适合周围神经缺损实验研究,其具有较强的神经再生修复能力。
3 结论
(1) 以乳液聚合法制备了1种PPY/PDLLA复合材料。这种复合材料具有互相连通的多孔结构。
(2) 分别含5%,10%和15% PPY/PDLLA的3种导电多孔复合材料均具有一定的导电性,且其电导率完全满足神经的生长要求,尤以含5% PPY/PDLLA的导电复合材料最适合用于周围神经缺损实验研究。
参考文献:
[1] V?gelin E, Baker J M, Gates J, et al. Effects of local continuous release of brain derived neurotrophic factor (BDNF) on peripheral nerve regeneration in a rat model[J]. Experimental Neurology, 2006, 199(2): 348-353.
[2] Chang C J, Hsu S H. The effect of high outflow permeability in asymmetric poly(DL-lactic acid-co-glycolic acid) conduits for peripheral nerve regeneration[J]. Biomaterials, 2006, 27(7): 1035-1042.
[3] AO Qiong, WANG Ai-jun, CAO Wen-ling, et al. Fabrication and characterization of chitosan nerve conduits with microtubular architectures[J]. Tsinghua Science & Technology, 2005, 10(4): 435-438.
[4] Gouri S A, Iroh J O. Polypyrrole coatings on aluminum- synthesis and characterization[J]. Polymer, 2001, 42(24): 9665-9669.
[5] Zhang Z, Roy R, Dugre F J, et al. In vitro biocompatibility study of electrically conductive polypyrrole-coated polyester fabrics[J]. J Biomed Mater Res, 2001, 57(1): 63-71.
[6] Jiang X P, Marois Y, Traore A, et al. Tissue reaction to polypyrrole-coated polyester fabrics: An in vlvo study in rats[J]. Tissue Engineering, 2002, 8(4): 635-647.
[7] Schmidt C E, Shastri V R, Vacanti J P, et al. Stimulation of neuriteout growth using an electrically conducting polymer[J]. Proc Natl Acad Scl USA, 1997, 94(8): 8948-8953.
[8] De Giglio E, De Gennaro L, Sabbatini, et al. Development and analytical characterization of cysteine-grafted polypyrrole films electrosynthesized on Pt- and Ti-substrates as precursors of bioactive interfaces[J]. J Biomater Sci Polym Ed, 1999, 10(8): 845-858.
[9] Barosci J N, Hodgson A J, Liu L, et al. Electrochemical production of protein-containing polypyrrole colloids[J]. Reactive and functional Polymers, 1999, 39(3): 269-275.
[10] Elsazadeh H, Gilmore K J, Hodgson A J, et al. Electrochemical production of conducting polymer colloids[J]. Colloids and Surfaces A: Physicochemical and Engineering Aspects, 1995, 103(3): 281-288.
[11] Hodgson A J, Gilmore K, Small C, et al. Reactive supramalecular assemblies of mucopolysaccarlde, polypyrrole and protein as controllable biocomposites for a new generation of intelligent biomaterials[J]. Supramolecular Science, 1994, l(2): 77-83.
[12] Kotwal A, Schmidt C E. Electrical stimulation alters protein adsorption and never cell interaction with electrically conducting biomaterials[J]. Biomaterials, 2001, 22(10): 1055-1064.
[13] 井新利, 郑茂盛, 蓝立文. 反向微乳液法合成导电聚苯胺纳米粒子[J]. 高分子材料科学与工程, 2000, 16(2): 23-25.
JIN Xin-li, ZHENG Mao-sheng, LAN Li-wen. The syntheses of conducting polyaniline nano particles through reverse microemulsions[J]. Polymeric Materials Science & Engineering, 2000, 16(2): 23-25.
[14] 薛晓康. 聚吡咯薄膜的电化学制备和性能研究[D]. 武汉: 华中科技大学化学与化工学院, 2005: 1-44.
XUE Xiao-kang. Electrochemical preparation and properties of polypyrrolemembrane[D]. Wuhan: University of Huazhong Science and Technology. School of Chemistry and Chemical Engineering, 2005: 1-44.
[15] Suganuma J, Alexander H. Biological response of intramedullary bone to poly L-lactic acid[J]. J Appl Biomater, 1993, 4(1): 13-27.
[16] CHEN Pei-ru, CHEN Ming-hong, LIN Feng-hui, et al. Release characteristics and bioactivity of gelatin-tricalcium phosphate membranes covalently immobilized with nerve growth factors[J]. Biomaterials, 2005, 26(33): 6579-6587.
[17] 李青峰, 许靖宏, 罗敏, 等. 不同通透性壳聚糖生物膜复合导管修复周围神经缺损的实验研究[J]. 上海医学, 2000, 23(7): 390-392.
LI Qing-feng, XU Jing-hong, LUO Min, et al. Experimental study on peripheral nerve regeneration through composite biomembrane-chitosan conduits with different permeabilities[J]. Shanghai Medicine, 2000, 23(7): 390-392.
[18] SHI Gui-xin, Rouabhia M, WANG Zhao-xu, et al. A novel electrically conductive and biodegradable composite made of polypyrrole nanoparticles and polylactide[J]. Biomaterials, 2004, 25(20): 2477-2488.
收稿日期:2009-07-10;修回日期:2009-10-21
基金项目:国家重点基础研究发展计划(“973”计划)项目(2005CB623905);中央高校基本科研业务费专项资金资助项目(2010-IV-059)
通信作者:徐海星(1973-),男,湖北罗田人,博士,副教授,从事生物医用、药用材料的研究;电话:027-63982329;E-mail: xuhaixingwhut@163.com
(编辑 陈灿华)