南苏门答腊盆地北部新生代层序地层格架及有利储层分布
毛治国1,樊太亮1,刘亚明2,王宏语1,蒋 韧1,高志前1
(1.中国地质大学(北京) 沉积盆地与能源地质实验室,北京 100083;
2.中国石油勘探开发研究院,北京 100083)
摘 要:
摘 要:南苏门答腊盆地是在欧亚、印度洋-澳大利亚、太平洋三大板块交汇处发育起来的新生代弧后裂谷沉积盆地,经历了一次完整的海进—海退旋回。应用层序地层学的原理和方法,综合研究盆地北部钻井、测井及地震资料,确定4种层序界面识别标志,在盆地北部新生代始新世—中新世识别出2种类型层序界面:不整合面和沉积作用转换面。南苏门答腊盆地北部新生代始新世—中新世发育8个具有等时意义的层序界面,将其划分为7个三级层序。分析层序格架内基准面上升期与下降期地层叠加样式及沉积相构成特征,认为冲积扇、河流、三角洲和盆底低位扇等沉积体系是南苏门答腊盆地北部最重要的勘探目标,有利的岩性储集相带主要分布在基准面上升期,为后期盆地勘探的潜在领域,特别要重视对邻近不整合面或沉积作用转换面位置的储集层精细描述,选择有利相带进行钻探与评价。
关键词:
层序地层格架;基准面旋回;层序界面;新生代;南苏门答腊盆地;
中图分类号:TE121.34 文献标识码:A 文章编号:1672-7207(2007)06-1225-07
Phanerozoic sequence stratigraphic framework and reservoir distribution in the north of South Sumatra Basin
MAO Zhi-guo1, FAN Tai-liang1, LIU Ya-ming2, WANG Hong-yu1, JIANG Ren1, GAO Zhi-qian1
(1. Sedimentary Basin and Energy Geology Laboratory, China University of Geosciences, Beijing 100083, China;
2. Research Institute Petroleum Exploration & Development PetroChina, Beijing 100083, China)
Abstract: South Sumatra Basin is located in the combination region of Eurasian-Asian, Indian -Australian and Pacific plates. It is a Phanerozoic back-arc rifted basin and undergoes an integral cyclic succession of the transgression-regression. According to drilling, logging and seismic data in the north of the basin, four types of identification signs were determined to the Phanerozoic sequence boundary. And two kinds of sequence boundaries (unconformity and shift surface of deposition) were identified. Stratigraphic superimposed style and sediment feature inside the base level cycles were studied. The results show that eight isochronous sequence boundaries develop in the Phanerozoic stratigraphy, which divides into seven third-order sequences in the north of South Sumatra Basin further. Alluvial fan system, fluvial system, delta system and basin floor fan are the key target series for exploration in the north of South Sumatra Basin. The distribution of advantaged lithologic reservoir facies is mainly developed in the half cycle of increasing A/S conditions, which is potential exploitation resource in the region.
Key words: sequence stratigraphic framework; base level cycle; sequence boundary; phanerozoic; South Sumatra Basin
南苏门答腊盆地位于东南亚印度尼西亚苏门答腊岛东南端,是在欧亚、印度洋-澳大利亚、太平洋三大板块交汇处发育起来的新生代沉积盆地[1-2],构造十分复杂,面积约为117 000 km2,东以Palembang- Lampung弧形高地与西北爪哇盆地相隔,西以Tigapuluh山脉和中苏门答腊盆地分界,西南缘是Barisan山脉,北为海域[3-4]。1886 年发现该盆地存在石油,1922年发现最大的Pendopo-Talang Akar油田,现有67 个油田生产[5],其所含石油和天然气资源而引起国内外地学工作者的关注[6-10]。
1 研究区地质概况
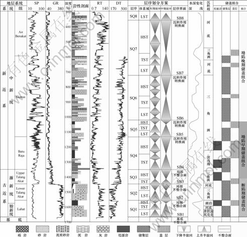
南苏门答腊盆地北部指Tigapuluh山脉东部的临海地区,位于盆地北部边缘,主要由基底构造和断陷期构造控制(图1),由西向东依次可分为4个构造带:西部隆起带、Betara 凹陷、Geragai凹陷和东部斜坡带(图2)。大量的钻井、地震、重磁等资料证明,南苏门答腊盆地分为陆上与海域 2 部分,是新生代早期印度洋板块向东南亚板块俯冲由弧后扩张形成的弧后裂谷盆地,经历了裂谷、裂谷—坳陷过渡、坳陷、盆地挤压反转这4个构造演化期[1-4],依次沉积了始新世中晚期裂谷发育阶段的Lahat组,渐新世裂谷—坳陷过渡阶段的Talang Akar组,中新世坳陷发育阶段早期的Batu Raja组、中期的Gumai组、晚期的Air Benakat组和Muara Enim组,以及上新世—更新世挤压反转阶段的Kasai组[5-10]。此次研究的目的层位为Lahat组、Talang Akar组、Batu Raja组、Gumai组和Air Benakat组(见图2)。
目前,南苏门答腊盆地北部勘探程度整体上处于中级阶段,发现的油气一般产于渐新统至上新统的 海侵砂岩和上部海退砂岩,个别为台地碳酸盐岩储层。含油砂层多达52个,孔隙度为20%~30%,渗透率为0.250 μm2。生油层主要是中新统页岩。有油田10多个,成群分布在复背斜带上,大部分属背斜圈闭油田。因此,有必要对其进行层序地层学特征分析,研究古水系、沉积体系及有利储集相带的展布规律,以寻找各类非构造成因的隐蔽圈闭或构造一岩性复合圈闭,扩大该区的勘探局面[11-14]。

图1 盆地构造特征图
Fig.1 Tectonic setting of South Sumatra Basin
2 新生代层序地层格架
2.1 层序界面的识别标志
新生代以来,南苏门答腊盆地经历了一次完整的海进-海退旋回,发育冲积扇、河流、三角洲和浅海等沉积建造,层序的形成与发育主要受构造运动和海平面升降的控制[15-16]。综合该区的岩芯、测井、地震

图2 南苏门答腊盆地北部构造剖面图
Fig.2 Structural section in the north of South Sumatra Basin
资料分析,主要有4种层序界面识别标志:
a. 岩相突变面。Batu Raja组沉积时期,盆地北部开始大范围海侵,在西部隆起带和东部斜坡带发育台地碳酸盐岩与碳酸盐岩建隆,与下伏粉细砂岩、泥岩呈突变接触(图3(b)和图4)。
b. 测井相突变。由于基准面下降到地表之下,发生河流侵蚀作用,在河道底部形成块状砂岩和河底滞留沉积物。在对应的测井曲线上,自然电位、自然伽马和视电阻率曲线等均出现突变接触关系,如箱形或钟形电测曲线与下伏测井响应的突变接触面,表明沉积环境突然变浅的过程,如图4所示。
c. 在垂向剖面上岩相类型或相组合转换的位置,如水体向上变浅的相序或相组合向着水体逐渐变深的相序或相组合的转换处。对应的电测曲线上,表现为曲线组合型式的转换,如进积叠加型式向退积叠加型式的转换,进积叠加型式向加积叠加型式的转换,加积叠加型式向退积叠加型式的转换等。此类旋回界面型式在各井中是最常见的(图4)。
d. 地震波反射终止面。根据地质事件在地震剖面的反映,可将反射波组间的相互关系划分为协调(整一)关系或不协调(不整一)关系2种类型。协调关系相当于地质上的整合接触关系,不协调关系相当于地质上的不整合接触关系。指示层序底界面的反射波终止类型有上超和下超2种,指示层序顶界面的反射波类型有削截和顶超。Lahat组和Talang Akar组沉积时期,盆地北部发育大面积的冲积扇—辫状河—三角洲—湖泊沉积体系。在西部隆起带和东部斜坡带地震剖面上表现为较弱的、连续性较差的弱反射超覆于基岩面之上,形成区域性的角度不整合面(见图3(a)和3(b))。
2.2 层序界面的类型及划分
根据上述层序界面的识别标志,结合井-震标定结果,在研究区进行地震、钻井层序对比,识别出8个层序界面,自下而上依次为SBl,SB2,SB3,SB4,SB5,SB6,SB7和SB8。
在SB1界面,古近系砂泥岩地层组直接覆盖于白垩系变质岩基底上,自然伽马和电阻率曲线均表现为与下伏地层的突变(图4);地震上表现为一套较强的、连续性较差的密集反射, 全区稳定,易于识别和追踪(图3(a)),分析认为该界面为一岩性突变的区域性不整合面。
在SB2界面上下,地震剖面由下部的连续性较差、振幅较强的反射突变至上部的弱反射-空白反射,表明沉积环境显著改变。盆地边缘和斜坡区上超、削截现象普遍发育,局部下切谷发育,由凹陷边缘至凹陷中心,钻井揭示沉积相由冲积扇—河流相转变为河流相—湖泊相,表现为地层侵蚀—沉积间断—基本连续的演变过程,表明此时正处于断陷发育期,沉积范围不断扩大,界面SB2为一较大的不整合面。

(a) 对应层序界面SB1和SB3地震反射特征;(b) 对应层序界面SB3,SB4,SB5,SB6和SB8地震反射特征
图3 地震层序界面特征
Fig.3 Seismic features of sequence boundary

图4 南苏门答腊盆地北部层序地层格架
Fig.4 Phanerozoic sequence stratigraphic framework in the north of South Sumatra Basin
SB3界面是Talang Akar组内部的层序界面。在盆地边缘和斜坡地带表现为上超、顶超,盆地深洼区对应基准面由下降到上升的转换位置,二者之间的过渡地带则表现为后期的三角洲水下分支河道对前期河道的侵蚀、冲刷作用,界面之上发育底砾岩,与下伏粉细砂岩呈突变接触(见图3(a),3(b)和图4),该界面为一局部不整合面。
在SB4界面之上,西部隆起带和东部斜坡带发育台地碳酸盐岩与碳酸盐岩建隆,与下伏粉细砂岩、泥岩呈突变接触(见图3(b)),为一岩性突变界面。地震上,强弱分异明显,在斜坡部位可见上超现象,表现为一密集的强反射突变为弱—空白的连续性差的反射,界面特征明显,该组全区分布,沉积厚度薄,有大量海绿石、黄铁矿出现(见图3(b))。
在SB5界面之上,凹陷区大套泥岩内部发育1个在平面上大范围分布,纵向厚度达20 m的粉砂-泥质粉砂的低位扇体。地震上,强弱分异明显,表现为连续性差的强反射直接下超在弱的较连续的反射之上(见图3(b)),经分析认为该界面为岩性突变界面。
SB6,SB7和SB8位于地层由进积叠加样式向加积或退积叠加样式的转换位置,表现为厚层河道砂岩的底部冲刷面,为沉积作用旋回转换面。在全区地震剖面上为弱振幅反射,与下伏地层整合接触,局部地区为下伏层序三角洲前积反射的顶超面。观察岩芯发现,单砂体厚度在界面以下向上逐渐变薄,在界面之上向上渐增,泥质夹层增多。界面以上电阻率曲线呈钟型,界面之下自然伽马曲线呈箱型,电阻率曲线呈漏斗型 (见图4)。在地震剖面上为较强振幅反射,在局部地区可见该界面之上地层的上超面(见图3(b))。
综合上述8个层序界面在测井、岩性以及地震反射等方面的特征可以看出,SBl,SB2,SB3和SB4为不整合面,SB5,SB6,SB7和SB8为沉积作用转换面。
2.3 层序地层格架的建立
根据上述不同特征的层序界面,建立南苏门答腊盆地北部层序划分方案,将Lahat组、Lower Talang Akar组、Upper Talang Akar组、Batu Raja组各划分为1个三级层序,Gumai组划分为2.5个三级层序,Air Benakat组划分为0.5个层序(图4),从下至上依次命名为SQl,SQ2,SQ3,SQ4,SQ5,SQ6,SQ7和SQ8。通过对西部隆起带、Betara凹陷区、Geragai凹陷区和东部边缘斜坡等地区的合成记录对区域二维地震剖面和三维地震剖面进行标定,实现了目的研究层系的地震层序和钻(测)井层序地层统一划分(见图4)。
2.4 层序格架内部构成特征
层序SQ1分布范围有限,以半地堑式充填于凹陷的最深部位,基准面下降半旋回占优势(见图4);在地震反射特征上,以强振幅、变振幅、不连续和杂乱反射为基本特点,反映了地层成层性差,岩性复杂多变,盆地发育早期粗碎屑混杂堆积,沉积物快速充填的特点(见图3(a))。该层序相当于Lahat组,是盆地发育断陷期充填的地层。
在层序SQ2和SQ3时期,地区开始局部海侵,沉积范围扩大,地层在某些基岩隆起上缺失或很薄。地震反射特征仍是以反射振幅强而不太稳定的面貌出现,但其连续性比SQ1下伏层序的连续性稍好,并明显可分为上、下2段(见图3(a)和3(b))。下部层序SQ2地震反射连续性好,振幅较大,早期充填在沉降的半地堑中,后期向大多数基岩隆起超覆,以冲积扇-河流-三角洲沉积为主,相当于Lower Talang Akar组;上部层序SQ3逐渐过渡为河流—三角洲及边缘海沉积为主,地震上为弱-空白反射,连续性差,在层序的顶部可见上超、削截现象,相当于Upper Talang Akar组。该2种层序内部旋回不对称性明显,基准面下降半旋回占优势,靠近凹陷旋回的不对称性加强,地层增厚,是盆地发育断坳转换期充填的地层。
层序SQ4和SQ5时期,钻井和地震揭示盆地迅速扩张,沉积范围扩大,分布全区,其中SQ4底界以大范围的浅海灰岩沉积为典型特征,在局部高地显示为上超、顶超特征,沉积厚度薄,在全区范围内表现为沉积作用的填平补齐,相当于Batu Raja组(见图3(b));SQ5内部近于空白反射,反映了地层岩性单一,缺乏反射层面,在凹陷的斜坡、陡坡或边缘地带,可以识别出退积反射结构,代表着全区的大范围海侵,相当于Gumai组的下部(见图3(b))。此2种层序为盆地坳陷期早期的沉积地层,浅海相沉积发育,是重要的生油岩发育期和储集岩形成期。
层序SQ6和SQ7内部地震反射特征为连续较好、较强振幅、反射振幅稳定,可以识别出前积反射结构、楔形体等有特殊地质意义的地震反射现象,具有全区广覆型分布、侧向厚度变化小的特征,是盆地发育坳陷期晚期发育的沉积层序(见图3(b))。其中SQ6以三角洲前缘水下分流河道、河口坝砂体为主,相当于Gumai组的中上部;SQ7以三角洲平原-河流沉积砂体为主,相当于Gumai组的顶部和Air Benakat组(见图5)。

图5 南苏门答腊盆地北部层序地层充填模式及储集层分布图
Fig.5 Filled pattern of sequence stratigraphy and reservoir distribution in the north of South Sumatra Basin
3 层序充填演化特征及有利储集层分布
3.1 层序充填演化特征
南苏门答腊盆地北部新生代发育三大物源体系,即来自东部缓坡的物源体系、西部隆起带的物源体系、北部边缘隆起带的物源体系。
在始新世时期,南苏门答腊盆地北部大多为陆相半地堑式沉积充填,物源为局部剥蚀地区,发育层序SQ1。层序的分布都是以断层为边界而突然终止;在各凹陷的缓坡带,则以地层上超的形式而尖灭(见图5)。沉积物以冲积扇、河流-湖泊相碎屑岩沉积为主,是主要的生油岩发育期和重要的储集岩形成期。
始新世晚期—渐新世晚期部分地区开始海侵,发育的层序SQ2和SQ3向古地形凸起超覆沉积。灰白色砾岩、砂岩、粉砂岩和深灰色、灰色泥岩向凹陷中心快速堆积形成了倾斜的箕状断陷不对称地形(见图5),在凹陷靠近边界断层的陡岸附近,可见近岸水下扇发育。地层中夹有的薄煤层反映了当时的冲积扇、河 流-三角洲沉积环境。该时期是重要的生油岩发育期和储集岩形成期。
中新世早期开始大范围海侵,水体加深,盆地迅速扩张,发育的层序SQ4以浅海灰色灰岩或灰质、含灰砂岩为主,并夹有薄层泥岩沉积。地层中伴有大量海绿石、黄铁矿,在局部台地与断块高部位为浅海碳酸盐岩沉积(见图5)。在层序SQ5时期,海平面达到最大,地层沉积表现出继承性的特征,沉积了区域性深海灰岩、泥灰岩、泥岩及海相三角洲前缘席状砂,形成了一套区域性良好的盖层。
中新世中晚期由于盆地挤压隆升开始,海退水体变浅,充足的陆源碎屑开始向盆内进积。发育了深灰色泥岩,灰色粉砂岩、细砂岩的三角洲前缘和三角洲平原沉积为主的层序SQ6(见图5)。随着构造挤压运动的加强,研究区水体继续变浅,发育了以下降半旋回为主层序SQ7,岩性向上变粗,沉积环境也逐渐过渡到三角洲—河流相,是重要的储集岩形成期。
由以上层序沉积充填演化特征可以看出,Lahat组和Talang Akar组沉积时期发育层序SQ1,SQ2和SQ3,在凹陷厚度最大,区域厚度差异大,在隆起区和斜坡区缺失或少量沉积,以冲积扇-河流-三角洲沉积为主,具有深凹沉积、厚度变化大、沉积中心转移、沉积相类型多样化的特征。从SQ4层序开始盆地进入坳陷发育期,在SQ1,SQ2和SQ3的基础上填平补齐并扩张,整个盆地呈浅蝶式结构,具有继承性的特点,期间全区经历了一个完整的海进—海退旋回。在坳陷发育早期,短暂而快速的水进造成了全盆地范围的海侵,发育浅海-三角洲沉积;从SQ6层序则开始缓慢水退,盆地萎缩,以三角洲-河流沉积为主,其间有部分地层遭受剥蚀,代表着层序顶部的不整合面。综上所述,盆地构造演化和海平面变化控制了层序的发育,而层序的发育又控制了地层沉积的纵向演化、平面展布以及骨架砂体的成因类型;在不同层序发育时期,盆地不同位置的沉积体系类型及其分布差异较大。
3.2 层序格架内的有利储集层分布
根据区内钻探结果,综合分析储集层发育程度、埋藏深度、油气成藏组合等因素,认为冲积扇、河流、三角洲和盆底低位扇等沉积体系是南苏门答腊盆地北部最重要的勘探目标。将该区钻遇的油气层段归到其所对应的层序地层位置可以发现,油气层岩性以灰白色砾岩、砂岩、粉砂岩为主,平均孔隙度在25%左右,主要发育在SQ2层序(Lower Talang Akar组)、SQ3层序(Upper Talang Akar组)、SQ5层序(Gumai组下部)和SQ6层序(Gumai组上部)基准面上升期的下部和基准面下降期的上部。可见油气层分布与所处的层序地层位置密切相关,油气成藏受层序控制明显,邻近转换面的位置油层分布面积及厚度较大,向最大水泛面则变为薄层孤立的透镜状油藏。在基准面上升期,凹陷区发育厚层盆底低位扇体和单个岩性砂体,物性较好,侧向易于尖灭,上部因为最大水泛面泥岩盖层遮挡封闭,形成该区主要的岩性圈闭(图5);而在基准面下降期,砂岩垂向相互叠置,侧向连通性较好,易与区域含水层相通,不易形成岩性圈闭。因此,该区的岩性油气勘探应在基准面上升期特别是邻近不整合面或沉积作用转换面的位置开展精细的储集层描述,选择有利的储集相带进行钻探与评价。
4 结 论
a. 对南苏门答腊盆地北部新生代进行层序地层学研究,确定了岩相突变、测井相突变、岩相类型或相组合转换面及地震波反射终止面等不同级次层序界面的识别标志,识别出不整合面和沉积作用转换面2种层序界面类型。
b. 综合岩相、测井相、地震相和古生物特征等资料建立了南苏门答腊盆地北部新生代层序地层格架系统。识别出8个具有等时意义的层序界面,将其划分为7个三级层序,层序内部沉积体系类型及其纵向演化与平面展布受基准面升降变化控制明显。
c. 南苏门答腊盆地经历了多期构造运动和一个完整的海进-海退旋回,发育多种圈闭类型,冲积扇、河流、三角洲和盆底低位扇等沉积体系是南苏门答腊盆地北部最重要的勘探目标。有利的岩性储集相带主要分布在基准面上升期,为后期盆地勘探的潜在领域,特别要重视对邻近不整合面或沉积作用转换面位置的储集层精细描述,选择有利相带进行钻探与评价。
参考文献:
[1] 薛良清, 杨福忠, 马海珍, 等. 南苏门答腊盆地中国石油合同区块成藏组合分析[J]. 石油勘探与开发, 2005, 32(3): 130-134.
XUE Liang-qing, YANG Fu-zhong, MA Hai-zhen, et al. Petroleum play analysis of the PetroChina Contract Blocks in the South Sumatra Basin[J]. Petroleum Exploration and Development, 2005, 32(3): 130-134.
[2] 许浚远, 杨巍然, 曾佐勋, 等. 南中国海成因: 右行拉分作用与左行转换挤压作用交替[J]. 地学前缘, 2004, 11(3): 193-206.
XU Jun-yuan, YANG Wei-ran, ZENG Zuo-xun, et al. Genesis of South China Sea: Intervening of dextral pull-apart and sinistral transgression[J]. Earth Science Frontiers, 2004, 11(3): 193-206.
[3] Moore D E, Hickman S, Lockner D A. Hydrothermal minerals and microstructures in the Silangkitang geothermal field along the Great Sumatran fault zone, Sumatra, Indonesia[J]. Geological Society of America Bulletin, 2001, 113(9): 1179-1192.
[4] Metcalfe I. Palaeozoic and Mesozoic tectonic evolution and palaeogeography of East Asian crustal fragments: The Korean Peninsula in context[J]. Gondwana Research, 2006, 9(1): 24-46.
[5] 童晓光, 杨福忠. 印尼油气资源及中国石油合同区块现状[J]. 中国石油勘探, 2005, 10(2): 58-62.
TONG Xiao-guang, YANG Fu-zhong. Oil and gas resource and occurrence of PetroChina’s Block in Indonesia[J]. China Petroleum Exploration, 2005, 10(2): 58-62.
[6] Cross T A, Lessenger M A. Sediment volume partitioning: Rational for stratigraphic model evaluation and high-resolution statigraphic correlation[C]//Gradstein F M, Sandvik K O, Milton N J. Sequence Stratigraphy Concepts and Applications. NPF Special Publication, 1998: 171-195.
[7] Posamentier H W. Ancient shelf ridges-A potentially significant component of the transgressive systems tract: Case study from offshore northwest Java[J]. AAPG Bulletin, 2002, 86(1): 75-106.
[8] Harmen R, Sosrowidjojo I B, Wildiarto F X. Musi platform and Palembang high: A new look at the petroleum system[M]//Jakarta: IPA, 1998: 265-276.
[9] Suseno P H, Zakaria, Nizar M, et al. Contribution of Lahat formation as hydrocarbon source rock in south Palembang area, South Sumatra, Indonesia[M]//Jakarta: IPA, 1992: 325-337.
[10] Carlos T, Miharwatiman J S, Aisyah A, et al. Redevelopment of Rayun oil field (South Sumatra): A seismic success story[C]//Jakarta: IPA, 2000: 65-81.
[11] 邓宏文, 王红亮, 李熙喆. 层序地层地层基准面的识别、对比技术及应用[J]. 石油与天然气地质, 1996, 17(3): 177-183.
DENG Hong-wen, WANG Hong-liang, LI Xi-zhe. Identification and correlation techniques of sequence stratigraphic base-levels and their application[J]. Oil & Gas Geology, 1996, 17(3): 177-183.
[12] 王居峰, 邓宏文, 蔡希源. 准噶尔盆地中部侏罗系层序地层格架[J]. 石油勘探与开发, 2005, 32(1): 23-26.
WANG Ju-feng, DENG Hong-wen, CAI Xi-yuan. Jurassic sequence stratigraphic frames in the middle Junggar Basin[J]. Petroleum Exploration and Development, 2005, 32(1): 23-26.
[13] 瞿 辉, 赵文智. 层序格架在油气勘探中的作用[J]. 石油勘探与开发, 2000, 27(5): 40-43.
QU Hui, ZHAO Wen-zhi. The application of sequences framework to oil and gas exploration[J]. Petroleum Exploration and Development, 2000, 27(5): 40-43.
[14] 冯有良. 断陷盆地层序格架中岩性地层油气藏分布特征[J]. 石油学报, 2005, 26(4): 17-22.
FENG You-liang. Distribution of stratigraphic and lithologic reservoirs in sequence framework of rift subsidence basin[J]. Acta Petrolei Sinica, 2005, 26(4): 17-22.
[15] Galloway W E. Genetic stratigraphic sequences in basin analysis I: Architecture and genesis of flooding-surface bounded depositional units[J]. AAPG Bulletin, 1989, 73(2): 125-142, 143-154.
[16] Shanley K W. Perspective on the sequence stratigraphy of continental strata[J]. AAPG Bulletin, 1994, 74(4): 544-568.
收稿日期:2007-03-20;修回日期:2007-05-12
基金项目:中国石油天然气国际有限公司科技基金资助项目(05B60203)
作者简介:毛治国(1977-),男,湖北宜昌人,博士,从事层序地层与油气勘探的研究
通信作者:毛治国,男,博士;电话:010-82321559;E-mail: owenmao@126.com