文章编号: 1004-0609(2006)10-1793-06
新型Ag-Cu-Ge钎料的性能及钎焊界面特征
岳译新1, 谭澄宇1, 郑子樵1, 李世晨1, 叶建军2
(1. 中南大学 材料科学与工程学院, 长沙 410083; 2. 南京电子器件研究所, 南京 210016)
摘 要: 根据Ag-Cu-Ge系三元相图, 制备了Ag-Cu33.4-Ge28.1, Ag-Cu43-Ge20 (质量分数, %)两种中温合金钎料。 利用金相显微镜、 DTA对钎料组织及其熔点进行分析, 并对其润湿性进行测试。 结果表明: 两种合金钎料的熔化温区为539~622℃, Ag-Cu33.4-Ge28.1合金对于纯Ni和Cu具有良好的漫流性和润湿性。 利用扫描电镜和能谱仪对钎焊后的界面微观组织进行观察与分析, 发现在界面处形成了固溶体和金属间化合物。
关键词: Ag-Cu-Ge; 钎料; 润湿性; 界面
中图分类号: TG425.2 文献标识码: A
Properties and interface microstructure of
new type Ag-Cu-Ge solder
YUE Yi-xin1, TAN Cheng-yu1, ZHENG Zi-qiao1,
LI Shi-chen1, YE Jian-jun2
(1. School of Materials Science and Engineering,
Central South University, Changsha 410083, China;
2. Nanjing Electronic Devices Institute, Nanjing 210016, China)
Abstract: According to Ag-Cu-Ge phase diagram, two solders Ag-Cu33.4-Ge28.1 and Ag-Cu43-Ge20 (mass fraction, %) were designed. The microstructure and melting point of two solders were studied by optical microscope and differential thermal analysis(DTA), and the wettability of solders with base metal was tested. The results show that, the melting temperatures of the two solders are in the range of 539-622℃, Ag-Cu33.4-Ge28.1 solder has good flowability and wettability to Ni and Cu substrates. The scanning electron microscope equipped with energy dispersive X-ray (EDX) analysis system was used to inspect and analyze the interfacial microstructure, and the solid solution and intermetallic compounds were found in interface.
Key words: Ag-Cu-Ge; solder; wettability; interface
在电子工业领域, 常采用金基[1-3]和银基合金[4, 5]进行电器构件的分级钎焊, 这些焊料的共同特点是合金蒸汽压低, 流动性好, 焊接强度高, 耐腐蚀, 塑性好。 银基焊料由于有价格优势, 其应用更为普遍。 对于熔化温度650~1100℃分级钎焊用钎料, 一些工业发达国家早在20世纪六七十年代就已标准化, 其中金、 银和钯等贵金属钎料已制定相应的专用标准, 我国也于2002年制定了国家标准GB/T18762—2002, 并与国际标准ISO3677-1992接轨。 莫文剑等[6-7]研究了Au-Ag-Si系共晶钎料, 填补了国内400~500℃温度范围内电子器件用钎料的空缺。 昆明贵金属研究所研究开发了740~950℃的Cu-Ag-Si系钎料合金, 可以满足电真空器件的高温钎焊及二次钎焊要求[8-9]。 而对于熔化温度在500~650℃的电子器件用中温钎料, 目前国内外的品种较少, 主要为Ag-Cu-In-Sn[10]和Ag-Cu-Sn系列[11-12], 该合金系列的中间相较多, 不但会影响钎料的加工成型, 而且还会影响钎焊接头的性能。 目前大致有两种改善途径: 一种是尝试添加微量元素改善合金性能[13-14], 另一种是寻找新的合金体系[15-16]。 本文作者在分析了Ag-Cu-Ge三元相图[17]的基础上, 提出一种新型Ag-Cu-Ge合金钎料。 并对Ag-Cu-Ge钎料的熔化特性和在还原性H2气氛中的钎焊行为进行了观察与分析。
1 实验
图1所示为Ag-Cu-Ge系三元相图[18]。 实验中制备了两种合金, 合金1#位于三元共晶E点; 另外, 为减少价格较贵的锗的使用量, 设计了低锗的合金2#。 采用纯度为99.99% Ag, 99.9%Cu和99.999%Ge进行配制, 在中频感应真空炉中熔炼, 浇铸成方锭。 所制备的合金钎料成分为: 合金1# Ag-Cu33.4-Ge28.1, 合金2# Ag-Cu43-Ge20 (质量分数, %)。

图1 Ag-Cu-Ge系合金的液相面投影图
Fig.1 Phase diagram of Ag-Cu-Ge ternary alloy system
用微量型DTA装置测定钎料合金的熔点, 氩气保护, 升温速度为10K/min。 实验中, 基板采用轧制态的纯Ni板和Cu板, 厚度为1mm, 钎料合金采用长方体, 用量保持为0.3g, 在流动的纯H2保护管式电阻炉中进行, 具体实验过程参考GB11364-89。 将试样打磨, 抛光, 先用30%H2O2溶液+饱和NaOH溶液的混和液浸蚀, 然后用5g FeCl3+2mL HCl+96mL CH3CH2OH溶液浸蚀后, 在POLYVAR-MET大型金相显微镜下观察。 X射线衍射是在日本Rigaku(D/Max2500)衍射仪上进行, 采用CuKα(λ=0.15418nm)辐射, 以石墨单色器滤波。 利用KYKY2800扫描电子显微镜(SEM)背散射电子成相进行界面组织分析, 加速电压为20kV, 同时利用能谱分析(EDX)对界面微观组织进行成分分析。
2 结果和讨论
2.1 钎料熔化特性和组织
利用微量型差热装置测定的两种钎料合金的DTA曲线如图2所示。 合金1#在539~547℃处有1个反应吸热峰; 合金2#有3个反应吸热峰, 大致分别对应539~543℃, 576~580℃, 602~622℃。 表明由于Ag-Cu-Ge合金中3种元素相对比例的改变, 使得两种合金发生了不同的相转变过程。

图2 实验合金的DTA曲线
Fig.2 DTA curves of tested alloys
结合Ag-Cu-Ge相图, 不难发现合金1#是发生了共晶反应L[FYKN](Ag)+(Ge)+η; 合金2#在602~622℃温度区间发生如下反应: L[FYKN](Ag), 在576~580℃发生如下反应: L[FYKN](Ag)+η; 在539~543℃温度区间发生了L[FYKN](Ag)+(Ge)+η共晶反应。
表1列出了1#和2#两种Ag-Cu-Ge合金的成分以及两种合金根据差热测试的固相点、 液相点转变温度。 两种实验合金的熔化温度区间处在539~622℃, 均落在500~650℃之间, 符合对钎料熔化温度的设计要求。
表1 实验合金的成分和熔化特性
Table 1 Composition and melting temperatures of tested alloys

对于钎料合金而言, 除了有熔化温度区间的要求, 还希望有较好的流动铺展性。 通常共晶型合金的熔化温度区间小, 表现出良好的流动铺展性。 从表1中还可以看出, 合金1#位于共晶成分点, 其固-液相线间隔温度的确很小, 仅为8℃, 这表明合金1#可能会具有较好的流动性能; 而合金2#的固-液相线间隔温度比较大, 达到了83℃, 这意味着合金2#的流动性可能不是太好。 由此, 推定Ag-Cu-Ge合金中3种元素的调整, 尤其是Ge的变化可能对该类合金的流动性有较大的影响。
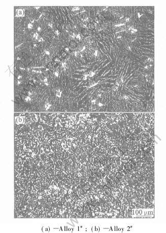
图3所示为两种钎料合金的铸态金相组织照片。 合金1#的组织特点是在灰黑相间的条状组织上有许多小块状白色相。 经能谱分析, 白色块状相Ge含0.69%Ag(mole fraction)、 97.37%Ge、 1.94%Cu。 灰黑相间的条状组织中, 灰白相为富Ag相含2.62%Ge、 93.90%Ag、 3.48% Cu, 深黑色相中含Ge25.39%, Cu72.98%, Ag1.63%。 考虑到所选择合金1#为三元共晶点成分, 因此, 合金1#的这种组织应是Ag-Cu-Ge合金三元共晶组织((Ag)+(Ge)+η)。 合金2#的组织显得比较均匀, 存在少量的枝晶组织, 但是白色小块状(Ge)相明显减少。 经X射线衍射分析(图4)得知, 合金1#和2#均由富Ag相, Ge相以及化合物Cu5Ge2(η相)组成。 由图4还可以看出, 两种合金中所标示的3种相的衍射峰强度有所不同, 这正好反映了合金1#与2#中3种相在含量上的差异。
2.2 钎料合金的润湿性与润湿后的界面组织

图3 实验合金的金相组织
Fig.3 Metallographs of tested alloys

图4 实验合金的X射线衍射谱
Fig.4 XRD patterns of tested alloys
将钎料合金1#与2#分别放在纯Ni板和Cu板上, 温度选取其液相线以上30、 50和70℃, 分别进行钎料的铺展性和润湿性实验, 相关实验结果列于表2。 结果表明, 在还原H2气氛条件下, 合金1#在Ni板、 Cu板上均表现出良好的漫流性, 钎焊后的润湿角均较小(θ〈30°), 钎料铺展后表面质量良好, 无明显残留物; 而合金2#在Ni板上的漫流性差, 钎焊后残留物较多, 润湿角也较大, 而在Cu板上的漫流性及润湿角与合金1#的差不多, 钎料铺展后呈球冠形。 由表2还可以看出, 随着钎焊温度的升高, 合金1#的润湿铺展面积略有减少, 润湿角略有增加, 合金2#的铺展面积增大, 其润湿角减小。 其形成原因应该与钎料的成分, 钎焊过程中元素的扩散以及表面能的变化等因素相关。
利用扫描电镜对合金1#的钎焊界面特征进行了观察与分析。 图5所示为钎料合金1#在不同温度下钎焊后横截面的界面形貌。 可以看出, 界面较平直完整, 无明显界面缺陷与熔蚀现象。 在每个钎焊温度下, 合金1#与Ni、 Cu母材在钎焊后均形成了明显的过渡层。 在577和597℃温度下钎焊Ni和Cu时, 界面过渡层比较明显地分为两层(图5(a)、 (b)中的Ⅰ和Ⅱ, 图5(d)中的Ⅳ和Ⅴ)。 图5(a)中Ⅰ层呈均匀灰色, Ⅱ层为交替分布的灰、 白两色长条状物; 而图5(b)中Ⅱ区, 灰、 白两色长条状物不但较均匀交替分布, 而且还是沿垂直Ni基体方向生长。
表2 钎料合金的铺展性和润湿性
Table 2 Spreading property and wettability of solder alloys


图5 钎料合金1#与基板润湿后界面的背散射电子相
Fig.5 Back scattered electron images of interface of filler wetting samples at different temperatures
当钎焊温度为617℃时, 过渡层则分为3层(图5(c)中的Ⅰ、 Ⅱ和Ⅲ); 其中Ⅱ和Ⅲ均为灰和白两色长条状物交替分布区, 但是Ⅲ区更为细小些。 在其它钎焊条件不变的情况下, 过渡层的厚度随着钎焊温度的升高而略有增厚。 钎焊Cu时, 也呈现有过渡层, 但是并没有出现钎焊Ni时所出现的Ⅱ或Ⅲ区的组织特征。
表3所列是图5(c)和(d))中1~12号位置微区能谱分析结果, 其中1~7号对应的是钎料与Ni板钎焊后的过渡层组织, 8~12号对应的是钎料与Cu板润湿后的过渡层组织。
表3 图5界面标立位置的EDAX元素成分分析结果(摩尔分数, %)
Table 3 EDAX composition analysis of regions marked in Fig.5
(mole fraction, %)

由表3可以发现: 在Ⅰ层中, Cu与Ge浓度沿基体方向逐渐下降, Ni沿钎料方向浓度逐渐降低。 考虑到Ge在Ni中固溶度很大, Cu与Ni可形成无限固溶体, 由此不难分析得出, Ⅰ层应为Ni基(含Cu和Ge)固溶体。 能谱分析证实, Ⅱ层中深色物质中Cu与Ge的原子数量比大致为2.54∶1, 初步推断为Cu5Ge2化合物(η相); 而Ⅱ层中白色物质较多, 为Ag的固溶体, 其中亦固溶了少量的Cu和Ge。 从形貌上看, Ⅱ层是由较粗大的Ag固溶体初晶与共晶组织组成, 与合金1#共晶组织有较大的差别, 估计这种组织的形成是由于在钎焊过程中Cu与Ge快速向Ni基体扩散, 使得Ⅱ层中的Cu, Ge元素含量降低, 其成分偏离了共晶成分点所致。 Ⅲ层的形成与Ⅱ层有些相似, 但在成分上Ⅲ层与共晶点成分比较接近。 随着钎焊温度的升高, Cu与Ge的扩散能力增大, 焊料成分偏离共晶成分点也愈加明显, 从而使得焊料的流动性降低, 导致润湿角略有增加。
在597℃钎焊Cu时, 也存在与上述相似的过程, 过渡层(Ⅳ)层中Cu与Ge的原子数量比为2.99∶1, 推断该化合物为Cu3Ge; 而过渡层Ⅴ层为Ag固溶体初晶与共晶组织组成。
3 结论
1) 所制备的两种成分焊料Ag-Cu33.4-Ge28.1和Ag-Cu43-Ge20 (质量分数, %), 以Ag-Cu33.4-Ge28.1合金为佳, 其熔化温度为539~547℃, 固-液相间隔温度仅为8℃。 在H2气氛环境下钎焊时, Ag-Cu33.4-Ge28.1在Ni基体上表现出良好的铺展性和润湿性, 润湿角仅为7°~15.5°, 随着钎焊温度的升高, 润湿性略有降低。
2) 扫描电镜分析证实, 在钎焊过程中, 由于Cu和Ge等元素的扩散, 使得焊料与基体之间形成了明显的过渡层; 在577℃和597℃钎焊Ni时, 过渡层由含Cu、 Ge的Ni基固溶体层, Ag固溶体初晶+共晶组织两层组成; 617℃钎焊时, 过渡层增至三层。 钎料与Cu板在597℃钎焊时亦形成了明显的过渡层: Cu3Ge金属间化合物和Ag固溶体初晶与共晶组织。
3) 随着钎焊温度的升高, 钎料的流动性降低, 润湿角略有增加, 其原因可能是由于Cu与Ge的扩散能力增大, 使钎料成分偏离原共晶成分点的程度加大所致。
REFERENCES
[1]Sundman B, Fries S G, Oates W A. A thermodynamic assessment of the Au-Cu system[J]. Calphad, 1998, 22(3): 335-354.
[2]Wasai K, Mukai K. Consideration on the enthalpy of mixing of liquid Au-Sn and Au-In alloys[J]. Fluid Phase Equilibria, 1996, 125: 185-194.
[3]Liu H S, Ishida K, Jin Z P, et al. Thermodynamic assessment of the Au-Zn binary system[J]. Inter-metallics, 2003, 11: 987-994.
[4]Walder S, Ryder P L. Rapid dendritic growth in undercooled Ag-Cu melts[J]. Acta Metall Mater, 1995, 43(11): 4007-4013.
[5]Weirach D A, Horvath S F. The spreading kinetics of Ag-28Cu(L) on nikel (S)(Part Ⅱ)—Area of spread on surfaces plated with electrolytic Ni[J]. J Mater Res, 1997, 12(4): 953-954, 960-964.
[6]莫文剑, 王志法, 王海山, 等. Au-Ag-Si钎料合金的初步研究[J]. 贵金属, 2004, 25(4): 45-51.
MO Wen-jian, WANG Zhi-fa, WANG Hai-shan, et al. A primary study of the Au-Ag-Si solder[J]. Precious Metals, 2004, 25(4): 45-51.
[7]莫文剑, 王志法, 姜国圣, 等. Au-Ag-Si新型共晶钎料的研究[J]. 稀有金属材料与工程, 2005, 34(3): 497-500.
MO Wen-jian, WANG Zhi-fa, JIANG Guo-sheng, et al. Study of a new type of Au-Ag-Si Intermediate temperature eutectic solder[J]. Rare Metal Materials and Engineering, 2005, 34(3): 497-500.
[8]刘泽光, 刘锡明, 郭根生, 等. Cu-Ag-Si系钎料合金的开发研究[J]. 贵金属, 2000, 21(4): 16-20.
LIU Ze-guang, LIU Xi-ming, GUO Gen-sheng, et al. Research and development on Cu-Ag-Si system filler metals[J]. Precious Metals, 2000, 21(4): 16-20.
[9]罗锡明. Ag-Cu-Si合金的熔化特性[J]. 贵金属, 1999, 20(4): 17-22.
LUO Xi-ming. Melting characterization of Ag-Cu-Si alloys[J]. Precious Metals, 1999, 20(4): 17-22.
[10]刘泽光. 电子器件用的中温钎料的进展[J]. 贵金属, 1993, 14(1): 65-69.
LIU Ze-guang. Advancement of medium-soldering flux for electronics[J]. Precious Metals, 1993, 14(1): 65-69.
[11]方洪渊. 简明钎焊工手册[M]. 北京: 机械工业出版社, 2000: 73-75.
FANG Hong-yuan. Short Solderer Manual[M]. Beijing: China Machine Press, 2000: 73-75.
[12]HE Zhi-yong, DING Li-ping. Investigation on Ag-Cu-Sn brazing filler metal[J]. Material Chemistry and Physics, 1997, 49: 1-6.
[13]武玉英, 刘相法, 刘相俊, 等. Sb, Bi和Fe对Cu-8P共晶合金熔点和组织的影响[J]. 中国有色金属学报, 2004, 14(7): 1206-1210.
WU Yu-ying, LIU Xiang-fa, LIU Xiang-jun, et al. Effect of Sb, Bi and Fe on melting points and microstructure of eutectic Cu-P alloys[J]. The Chinese Journal of Nonfererrous Metals, 2004, 14(7): 1206-1210.
[14]张程煜, 王立彬, 丁秉钧. Ni含量对CuCr25合金组织与性能的影响[J]. 中国有色金属学报, 2002, 12(1): 94-97.
ZHANG Cheng-yu, WANG Li-bin, DING Bing-jun. Effect of Ni content on microstructure and properties of CuCr25 contact metals[J]. The Chinese Journal of Nonfererrous Metals, 2002, 12(1): 94-97.
[15]陈国海, 耿志挺, 马莒生, 等. 新型无铅焊料合金Sn-Ag-Cu-In-Bi的研究[J]. 电子元件与材料, 2003, 22(4): 36-38.
CHEN Guo-hai, GENG Zhi-ting, MA Ju-sheng, et al. A new type lead-free solder[J]. Electronic Components & Materials, 2003, 22(4): 36-38.
[16]刘静, 徐骏, 张富文, 等. 新型无铅焊料Sn-Ag-Cu-Cr-X的性能研究[J]. 稀有金属, 2005, 29(5): 625-630.
LIU Jing, XU Jun, ZHANG Fu-wen, et al. Property of new type lead-free solder Sn-Ag-Cu-Cr-X[J]. Chinese Journal of Rare Metals, 2005, 29(5): 625-630.
[17]何纯孝, 马光辰, 王文娜, 等. 贵金属相图[M]. 北京: 冶金工业出版社, 1983: 167-189.
HE Chun-xiao, MA Guang-chen, WANG Wen-na, et al. Precious Metals Phase Diagram[M]. Beijing: Metallurgical Industry Press, 1983: 167-189.
[18]Prince A L, Petzow G, Effenberg G. Ternary Alloy. A comprehensive Compendium of Evaluated Constitutional Data and Phase Diagrams[M]. New York: VCH Publishers 1988: 566.
(编辑龙怀中)
基金项目: 国家科研资助项目(MKPT-04-106)
收稿日期: 2005-11-24; 修订日期: 2006-03-24
通讯作者: 谭澄宇, 教授; 电话: 0731-8830270; E-mail: tanchengyu@tom.com