
Microstructure and mechanical properties of Mg-6Al-0.3Mn-xY alloys prepared by casting and hot rolling
SU Gui-hua(苏桂花), ZHANG Liang(张 亮), CHENG Li-ren(程丽任),
LIU Yong-bing(刘勇兵), CAO Zhan-yi(曹占义)
Key Laboratory of Automobile Materials, Ministry of Education,
Department of Materials Science and Engineering, Jilin University, Changchun 130025, China
Received 26 November 2008; accepted 28 May 2009
Abstract: Mg-6Al-0.3Mn-xY (x=0, 0.3, 0.6 and 0.9, mass fraction, %) magnesium alloys were prepared by casting and hot rolling process. The influence of yttrium on microstructure and tensile mechanical properties of the AM60 magnesium alloy was investigated. The results reveal that with increasing the yttrium content, Al2Y precipitates form and the grain size is reduced. The ultimate strength, yield strength and elongation at room temperature are 192 MPa, 62 MPa and 12.6%, respectively, for the as-cast Mg-6Al-0.3Mn-0.9Y alloy. All these properties are improved obviously by hot rolling, and the values are up to 303 MPa, 255 MPa and 17.1%, respectively, for the rolled Mg-6Al-0.3Mn-0.9Y alloy. The improvement of mechanical properties is attributed to continuous dynamic recrystallization and the existence of highly thermal stable Al2Y precipitate which impedes the movement of dislocation effectively.
Key words: magnesium alloy; yttrium; hot rolling; dynamic recrystallization; mechanical properties
1 Introduction
Magnesium alloys attract significant interests due to their low density (1.7 g/cm3), high specific strength and stiffness, superior damping capacity, good electromagnetic shielding characteristics, and good machinability, which makes them potentially suitable candidates for some automobile parts. However, the number of commercially available magnesium alloys is still limited especially for application because of the limited cold workability and toughness, low strength and creep resistance at elevated temperatures[1]. The applications of most common magnesium alloys, such as AZ91, AM50 and AM60 with outstanding mechanical properties and die castability are restricted to temperatures below 393 K. This limitation is attributed to the low hardness and poor thermal stability of the intermetallic phase Mg17Al12 under high temperature. Recently, it has been reported that rare earth(RE) element addition can improve casting characteristics, age-hardening behavior, high-temperature tensile strength, and ambient tensile yield strength of as-cast magnesium alloys[2-5]. XIE et al[6] studied the microstructure and mechanical properties of AZ81 magnesium alloy with Y and Nd elements. WANG et al [7] investigated the effect of yttrium and cerium addition on microstructure and mechanical properties of AM50 magnesium alloy. However, the effect of yttrium on the microstructure and tensile properties of AM60 has less been reported. Moreover, in order to further broaden the application fields of magnesium alloys, a number of alternative severe plastic deformation(SPD) technologies have been developed for grain refinement of some metallic materials, including accumulative roll bonging (ARB), equal channel angular pressing(ECAP), cyclic extrusion, cyclic bending, and others[8-9]. GUO et al [10] reported reciprocating extrusion of rapidly solidified Mg-6Zn-1Y-0.6Ce-0.6Zr alloy. FANG et al[11] reported effect of yttrium on microstructures and mechanical properties of hot rolled AZ61 wrought magnesium alloy. In order to further improve the mechanical properties of Y-contained AM60 alloy, in the present work, hot rolling was conducted. Moreover, the microstructure and mechanical properties were investigated.
2 Experimental
The nominal compositions of the four studied alloys are Mg-6Al-0.3Mn (A), Mg-6Al-0.3Mn-0.3Y (B), Mg-6Al-0.3Mn-0.6Y (C), and Mg-6Al-0.3Mn-0.9Y (D) (mass fraction, %). The alloys were prepared with AM60 and Mg-30.5% Y master alloy in an electric resistance furnace filled continuously with SF6 and CO2 gas. The molten alloys were homogenized at 1023 K for 30 min and then cast into a preheated steel mold at approximately 973 K. Chemical compositions of the studied alloys determined by inductively-coupled plasma (ICP) analyzer are shown in Table 1. The ingots were then solution heat-treated at 693 K for 12 h and then water quenched. Rolling process was carried out at 673 K and held at that temperature for 10 min between passes to stabilize the rolling temperature.
Table 1 Chemical compositions of studied alloys (mass fraction, %)

Phase analyses of the alloys were detected by X-ray diffractometer(XRD) (D/MAX 2000/PC, Rigaku). The microstructures of the alloys were characterized by optical microscope(OM) (OLYMPUS-PMG3) and scanning electron microscope(SEM) (Model JSM-5310, Japan) equipped with an energy dispersive X-ray spectrometer (EDS) (Model Link-Isis, Britain). After grinding and polishing, as-cast specimens were etched with a solution of 4% (volume fraction) nitric acid alcohol, while rolled alloys were etched with acetic-picric acid solution (5.5 mL CH3COOH, 2.1 g picric acid, 5 mL water, 2 mL nitric acid, and 90 mL alcohol). The microhardness experiment was carried out by Vickers hardness tester at a load of 0.45 N with a holding time of 15 s. Tensile tests were performed at universal testing machine (MTS810, USA) with a strain rate of 5×10-4 s-1. The gauge sizes of the tensile specimen were 10 mm in length, 4 mm in width and 2 mm in thickness. In this work, self-programmed software with VC++ was used to quantitatively analyze the average grain size from microstructure images[12].
3 Results and discussion
3.1 Microstructures of as-cast alloys
Fig.1 shows XRD patterns of alloy A and alloy D. The as-cast alloy A is composed of α-Mg matrix and β-Mg17Al12 phase (Fig.1(a)). After heat treatment at 693 K for 12 h, the characteristic peaks of β-Mg17Al12 phase disappear in alloy A, as shown in Fig.1(b). For the as-cast alloy D, however, an extra phase of Al2Y is detected (Fig.1(c)). After heat treatment at 693 K for 12 h, the characteristic peaks of β-Mg17Al12 phase disappear and the peaks of α-Mg and Al2Y phases remain in alloy D in Fig.1(d). The optical microstructures of the as-cast alloys are displayed in Fig.2. The eutectic microstructure of α-Mg and β-Mg17Al12 phase of the alloy A is clearly observed (Fig.2(a)). The β-phase precipitate shows a discontinuous network morphology and distributes primarily at grain boundaries. With addition of 0.3% Y, a few polygonal phases appear in Fig.2(b). As the yttrium content increases, the amount of the polygonal phase will increase, as shown in Figs.2(c) and (d). Meanwhile, the morphology of the β-phase tends to be in the island shape or fine particles. The distributions of the elements in the as-cast alloy D are presented in Fig.3. The EDS and XRD analyses reveal that the elemental composition of the island-shaped phase corresponds to the β-Mg17Al12. And the polygonal phase consists of Al and Y elements, so it is validated as the Al2Y phase. Moreover, the particles scattered throughout the alloy with diameters less than 1 μm are rich in Mn, which may be Al-Mn phase reported by Pérez-Prado[13].

Fig.1 XRD patterns of Mg-6Al-0.3Mn-xY alloys: (a) As-cast alloy A; (b) Alloy A heat treated at 693 K for 12 h; (c) As-cast alloy D; (d) Alloy D heat treated at 693 K for 12 h

Fig.2 Optical microstructures of as-cast Mg-6Al-0.3Mn-xY alloys: (a) Alloy A; (b) Alloy B; (c) Alloy C; (d) Alloy D

Fig.3 Distributions of Mg, Al, Y and Mn elements in as-cast Mg-6Al-0.3Mn-0.9Y alloy
Because the difference of electronegativity between Y and Al (0.3) is greater than that between Y and Mg (0.11), Al and Y are more likely to form Al-Y intermetallics than Y and Mg when Y is introduced into Mg-Al alloys. Moreover, in the process of solidification, since the solute element is congregated on the solid/liquid interface, which will cause the component supercooling, the nucleation ratio is improved and fast growing of grains is hindered. Additionally, it is possible that Al2Y phase plays an important role in hindering α-dendrites from growing rapidly in the alloys to some extent[5,14]. Therefore, yttrium shows an obvious refinement effect on Mg-Al alloys.
Solution heat treatment at 693 K for 12 h is applied in order to obtain a single-phase equiaxed microstructure and improve the forming capacity prior to processing. The β-Mg17Al12 phase is completely dissolved after heat treatment, but the particles of Al2Y with high thermal stability remain, and the particle size is slightly smaller, as shown in Fig.4. The average grain size gradually decreases from 180 μm to 85 μm as yttrium content increases from 0 to 0.9%.

Fig.4 Optical micrographs of Mg-6Al-0.3Mn-xY alloys heat treated at 693 K for 12 h: (a) Alloy A; (b) Alloy B; (c) Alloy C; (d) Alloy D
3.2 Microstructure evolution of rolled alloys
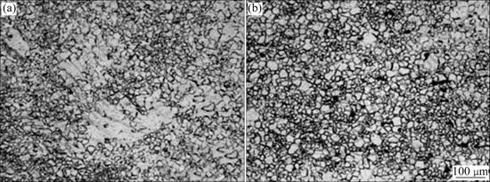
Fig.5 shows the microstructures of alloy A and alloy D rolled at 673 K and then annealed at 673 K for 10 min with 60% reduction. The average grain size of alloy D is obviously smaller than that of alloy A, as well as the homogeneity increases. The microstructure refinement caused by yttrium addition may be introduced by the following factors. Thermally stable Al2Y phase with a relatively high melting point (1 758 K) pins the grain boundaries, which is valid to inhibit the grain growth during hot rolling. Additionally, it is considered that the addition of yttrium changes the valence electron structure of the alloys and the bond energy between atoms is increased, hence the structure stability of the alloys is improved. All of above can confine the formation and movement of large angle grain boundaries. As a result, the growth of recrystallized grains in Y-containing AM60 alloys is restricted. In Ref.[15], similar result has been reported about the effect of cerium-rich mischmetal (MM) on grain refinement for the rolled ZK60 alloy.

Fig.5 Optical micrographs of Mg-6Al-0.3Mn-xY alloys rolled at 673K and then annealed at 673 K for 10 min with 60% reduction: (a) Alloy A; (b) Alloy D (Rolling direction is in horizontal direction)
Fig.6 represents the optical microstructures of alloy D rolled at 673 K and then annealed at 673 K for 10 min. Because this temperature is higher than the recrystallization temperature, dynamic recrystallization (DRX) occurs during the rolling process. Even after a 20% reduction, significant microstructure changes are observed in Figs.6(a) and (b). For example, twins are apparent, grain boundaries become wavy, and small recrystallized grains are visible along some grain boundaries and twinning regions, as shown in Fig.6(a). Also, the percent of recrystallized grains is very small and no significant grain refinement takes place. After annealing at 673 K for 10 min, the average grain size is about 21 μm, and the ratio of fine grains, with the size smaller than 10 μm, is about 44% (Fig.6(b)). Figs.6(c)-(h) illustrate that, as the reduction increases, the volume fraction of recrystallized grains increases, and the average grain size decreases; at the same time, the ratio of fine grains augments. The average grain sizes are 21 μm, 12 μm, and 9 μm, and the corresponding ratios of fine-grains are 50%, 80%, and 83% for the alloy rolled and then annealed at 673 K for 10 min with the reduction of 40%, 60%, and 70%, respectively, as shown in Figs.6(d), (f) and (h).

Fig.6 Microstructure evolution of Mg-6Al-0.3Mn-0.9Y alloy rolled (a, c, e, g) and then annealed at 673 K for 10 min (b, d, f, h) with different reductions: (a, b) 20%; (c, d) 40%; (e, f) 60%; (g, h) 70% (Rolling direction is in horizontal direction)
With increasing deformation extent, a larger volume fraction of dynamically recrystallized grains are apparent. The formation of new grains may occur with different ways, for example conventional dynamic recrystallization (DRX), continuous dynamic recrystallization (CDRX), rotational recrystallization (RRX), or twin–twin and dislocation slip–twin interactions[13,16]. TAN et al[17] reported that the DRX in Mg-3Al-Zn alloy sheet is attributed to continuous dynamic recrystallization where there is progressive increase in the grain boundary misorientation and the conversion of low angle boundaries into high angle boundaries. The fact that the recrystallized grains retain the stable rolling texture predicted by AGNEW et al[18] suggests that dynamic recrystallization in the AM60 alloy takes place by CDRX, due to the interaction of dislocations gliding in different slip systems. The preferential appearance of new recrystallized grains along grain boundaries may be explained by the enhanced dislocation activity in these areas due to the presence of high localized stresses, which arise from strain incompatibility between neighboring grains[13].
3.3 Mechanical properties of as-cast and rolled alloys
The change of microhardness of the alloys with increasing of yttrium content is shown in Fig.7. The result reveals that the microhardness of the rolled alloy is obviously higher than that of the as-cast alloy. With the increasing of yttrium content from 0 to 0.9%, the microhardness of as-cast alloys increases from HV 61.8 to HV 77.6, while the corresponding value of rolled ones increases from HV 92.2 to HV 98.2. Fig.8 shows the change of microhardness of matrix with the thickness reduction during rolling. With the increase of deformation, the microhardness of two alloys significantly increases. The microhardness of alloy A before rolling is about HV 61.8, while reaches HV 92.2 after 70% reduction. And the microhardness of the alloys with the addition of yttrium is obviously higher than that without yttrium, and the value of alloy D is enhanced from HV 69.4 to HV 98.2 after rolling.

Fig.7 Microhardness of matrix of Mg-6Al-0.3Mn-xY alloys as-cast and rolled at 673 K with 70% reduction

Fig.8 Microhardness of matrix of Mg-6Al-0.3Mn-xY alloys rolled at 673 K with different reductions
Table 2 shows the mechanical properties of the studied alloys at room temperature. With the increase of yttrium content, the ultimate tensile strength, yield strength and elongation of as-cast alloys are improved from 179 MPa to 192 MPa, 56 MPa to 62 MPa and 11.8% to 12.6%, respectively. A similar trend for rolled alloys is observed, and the corresponding values are improved from 293 MPa to 303 MPa, 221 MPa to 255 MPa and 10.3% to 17.1%, respectively.
Table 2 Tensile properties of Mg-6Al-0.3Mn-xY alloys at room temperature

The microhardness and tensile properties are improved by the following factors. Firstly, the main precipitate of alloys is the polygonal Al2Y with high melting point (1 758 K), which mainly distributes in the matrix. It has high thermal stability at high temperature compared with β-Mg17Al12 phase. Therefore, dislocation movement and grain boundary sliding at elevated temperatures are effectively prohibited by the Al2Y precipitates during hot rolling. Secondly, the dislocation density in a metal increases with deformation, due to dislocation multiplication or the formation of new dislocations. As the dislocation density increases, the resistance to dislocation motion by other dislocations becomes more pronounced. Thus, the imposed stress necessary to deform a metal increases with increasing deformation extent. Thirdly, gain size is also an important factor for the mechanical properties. It is well known that the yield strength is improved with grain size reduction. Fig.2 and Fig.6 reveal the refined grain obtained by the addition of yttrium and by hot rolling. Therefore, the tensile properties, especially the yield strength of the studied alloys, are greatly enhanced by the refinement strengthening.
4 Conclusions
1) With the addition of yttrium, Al2Y phase is formed in the as-cast alloys and its amount increases with increasing addition of yttrium. Meanwhile, the grain size is reduced with increasing the yttrium content. And the highest ultimate tensile strength is obtained in the Mg-6Al-0.3Mn-0.9Y alloy. The ultimate tensile strength, yield strength and elongation are 192 MPa, 62 MPa and 12.6% at room temperature, respectively.
2) After hot rolling, the average grain size decreases with increasing the reduction, as well as the homogeneity of the microstructure increases. The ultimate tensile strength, yield strength and elongation are 303 MPa, 255 MPa and 17.1% for the Mg-6Al-0.3Mn-0.9Y alloy with 70% reduction, respectively. The improvement of the tensile properties is attributed to continuous dynamic recrystallization and the high thermal stability of Al2Y precipitate which effectively impedes dislocation movement during hot rolling.
References
[1] MORDIKE B L, EBERT T. Magnesium: Properties- applications-potential [J]. Mater Sci Eng A, 2001, 302: 37-45.
[2] PENG Qiu-ming, WANG Jian-li, WU Yao-ming, WANG Li-min. Microstructures and tensile properties of Mg-8Gd-0.6Zr-xNd-yY (x+y=3, mass %) alloys [J]. Mater Sci Eng A, 2006, 433: 133-138.
[3] WANG Ying-xin, GUAN Shao-kang, ZENG Xiao-qin, DING Wen-jiang. Effects of RE on the microstructure and mechanical properties of Mg-8Zn-4Al magnesium alloy [J]. Mater Sci Eng A, 2006, 416: 109-118.
[4] TIAN Xu, WANG Li-min, WANG Jian-li, LIU Yong-bing, AN Jian, CAO Zhan-yi. The microstructure and mechanical properties of Mg-3Al-3RE alloys [J]. J Alloys Compd, 2008, 465: 412-416.
[5] L? Yi-zhen, WANG Qu-ding, ZENG Xiao-qin, DING Wen-jiang, ZHAI Chun-quan, ZHU Yan-ping. Effects of rare earths on the microstructure, properties and fracture behavior of Mg-Al alloys [J]. Mater Sci Eng A, 2000, 278: 66-76.
[6] XIE Jian-chang, LI Quan-an, WANG Xiao-qiang, LI Jian-hong. Microstructure and mechanical properties of AZ81 magnesium alloy with Y and Nd elements [J]. Trans Nonferrous Met Soc China, 2008, 18: 303-308.
[7] WANG Ming-xing, ZHOU Hong, WANG Lin. Effect of yttrium and cerium addition on microstructure and mechanical properties of AM50 magnesium alloy [J]. Journal of Rare Earths, 2007, 25: 233-237.
[8] DEL VALLE J A, CARRENO F, RUANO O A. Influence of texture and grain size on work hardening and ductility in magnesium-based alloys processed by ECAP and rolling [J]. Acta Mater, 2006, 54: 4247-4259.
[9] P?REZ-PRADO M T, DEL VALLE J A, RUANO O A. Achieving high strength in commercial Mg cast alloys through large strain rolling [J]. Mater Lett, 2005, 59: 3299-3303.
[10] GUO X F, SHECHTMAN D. Reciprocating extrusion of rapidly solidified Mg-6Zn-1Y-0.6Ce-0.6Zr alloy [J]. J Mater Process Tech, 2007, 187/188: 640-644.
[11] FANG Xi-ya, YI Dan-qing, WANG Bin, LUO Wen-hai, GU Wei. Effect of yttrium on microstructures and mechanical properties of hot rolled AZ61 wrought magnesium alloy [J]. Trans Nonferrous Met Soc China, 2006, 16: 1053-1058.
[12] ZHANG You-fa, LIU Yong-bing, ZHANG Qian-qian, CAO Zhan-yi, CUI Xiao-peng, WANG Yuan. Microstructural evolution of thixomolded AZ91D magnesium alloy with process parameters variation [J]. Mater Sci Eng A, 2007, 444: 251-256.
[13] P?REZ-PRADO M T, DEL VALLE J A, CONTRERAS J M, QUANO O A. Microstructural evolution during large strain hot rolling of an AM60 Mg alloy [J]. Scripta Mater, 2004, 50: 661-665.
[14] LIU Hong-mei, CHEN Yun-gui, TANG Yong-bai, HUANG De-ming, GAO Niu. The microstructure and mechanical properties of permanent-mould cast Mg-5wt% Sn-(0-2.6)wt% Di alloys [J]. Mater Sci Eng A, 2006, 437: 348-355.
[15] MA Chun-jiang, LIU Man-ping, WU Guo-hua, DING Wen-jiang, ZHU Yan-ping. Tensile properties of extruded ZK60-RE alloys [J]. Mater Sci Eng A, 2003, 349: 207-212.
[16] GALIYEV A, KAIBYSHEV R, GOTTSTEIN G. Correlation of plastic deformation and dynamic recrystallization in magnesium alloy ZK60 [J]. Acta Mater, 2001, 49: 1199-1207.
[17] TAN J C, TAN M J. Dynamic continuous recrystallization characteristics in two stage deformation of Mg-3Al-1Zn alloy sheet [J]. Mater Sci Eng A, 2003, 339: 124-132.
[18] AGNEW S R, YOO M H, TOM? C N. Application of texture simulation to understanding mechanical behavior of Mg and solid solution alloys containing Li or Y [J]. Acta Mater, 2001, 49: 4277-4289.
Foundation item: Projects(2006BA104B04-1, 2006BAE04B07-3) supported by the National Science and Technology Supporting Program of China; Project (2007KZ05) supported by the Science and Technology Supporting Program of Changchun City, China; Project supported by “985 Program” of Jilin University, China
Corresponding author: CAO Zhan-yi; Tel: +86-431-85095852; Fax: +86-431-85095876; E-mail address: caozy@jlu.edu.cn
DOI: 10.1016/S1003-6326(09)60150-3
(Edited by YANG Bing)