文章编号: 1004-0609(2006)06-0994-05
Si基上羟基磷灰石/Al2O3复合生物涂层的制备
何莉萍1, 陈宗璋2, 吴振军2
(1. 湖南大学 机械与汽车工程学院, 长沙 410082;
2. 湖南大学 材料科学与工程学院, 长沙 410082)
摘 要: 采用物理气相沉积(PVD)与阳极氧化与电沉积相结合的复合技术在Sia基表面制备了羟基磷灰石(HA)/Al2O3复合生物涂层。 采用SEM研究了阳极氧化Al2O3和HA/Al2O3复合生物涂层的形貌, 并采用EDS与XRD研究了HA/Al2O3复合生物涂层的组成和物相。 结果表明: 扩孔处理后阳极氧化的Al2O3孔径约为1.5~3.0μm, 电沉积HA的n(Ca)/n(P)约为1.61, 最终获得了以HA为外层、 HA/Al2O3为中间过渡层、 Si为基底的复合材料。 其中, HA不仅沉积于阳极氧化Al2O3的孔洞中, 且外延生长并覆盖在阳极氧化Al2O3表面, 从而在HA外层与HA/Al2O3中间过渡层之间形成了一种T形分布的结构特征, 该结构特征将有助于增强HA外层与中间过渡层的界面结合强度。
关键词: 羟基磷灰石/Al2O3; 生物活性涂层; 阳极氧化; 电沉积 中图分类号: TG174.1
文献标识码: A
Fabrication of hydroxyapatite/Al2O3 bioactive coating on Si substrate
HE Li-ping1, CHEN Zong-zhang2, WU Zhen-jun2
(1. College of Mechanical and Automotive Engineering,
Hunan University, Changsha 410082, China;
2. College of Materials Science and Engineering,
Hunan University, Changsha 410082, China)
Abstract: The bioactive coating of hydroxyapatite/Al2O3 on Si substrate was fabricated by a hybrid technique of physical vapor deposition (PVD), anodization and electro-deposition. Scanning electron microscopy (SEM), energy dispersive spectroscopy (EDS) and X-ray diffractometry (XRD) were employed to investigate the morphologies, composition and phases of anodic Al2O3 and HA/Al2O3 composite coating. The results show that the porous anodic Al2O3 (the intermediate layer)with pores of 1.5~3.0μm is obtained after the anodization and subsequent pore-widen process. The hydroxyapatite coating (top layer)is electrodeposited into the holes of anodic Al2O3 and onto the surface of anodic Al2O3. The mole ratio of Ca and P of hydroxyapatite coating is 1.61. The distribution of HA in HA/Al2O3-Si composite exhibits a feature of T shape structure, which will be beneficial to improve the bonding strength between the HA top layer and the HA/Al2O3 intermediate layer.
Key words: hydroxyapatite/Al2O3; bioactive coating; anodization; electrodeposition
羟基磷灰石(hydroxyapatite, HA)为人体骨骼和牙齿的主要无机成分, 具有优异的生物稳定性和生物活性, 在植入人体后能促进新骨在其表面生长, 并与之形成可靠的化学键合, 是一种理想的植入体表面生物涂层材料[1-3]。
HA不仅被用来改善硬组织植入金属材料的表面生物学性能[4, 5], 在新型Si基生物器件, 如体内智能传感器、 生物芯片(Biochips)等的生物学改性方面也获得了初步的应用, HA生物活性涂层可提高Si基生物器件的生物相容性, 并避免了生物器件与人体组织的不良反应[6-8]。
通过表面改性改善硅材料的生物活性, 扩大其在微电子生物器械方面的应用是当今世界前沿的研究领域之一, 国内外已有较多报导。 但生物活性涂层改性中活性涂层在长期使用条件下的剥离和失效一直未能得到很好的解决。
在前期的研究中, 本文作者成功地在金属Ti表面制备了磷酸钙盐/Al2O3复合生物涂层。 其中, 铝膜采用PVD沉积在Ti基上形成Al-Ti复合基底, 多孔Al2O3直接由铝膜阳极氧化生长在阳极氧化残留的铝膜上, 磷酸钙盐结晶在阳极氧化Al2O3孔洞内中并外延生长覆盖在其表面形成了一种T形分布结构, 这种原位生长效应与T形分布结构特征在改善基底耐腐蚀性能和提高生物活性涂层与基体的结合强度方面都具有较大的应用价值[9-11]。 该研究成果获得国家发明专利。 本研究在前期工作的基础上, 采用PVD、 阳极氧化和电沉积相结合的复合技术, 成功地在Si基上制备了以HA/Al2O3为中间过渡层、 HA为外层的新型复合材料, HA外层与HA/Al2O3中间过渡层间形成了与前期工作相似的T形分布结构特征(图1)。 同时, 本文作者较为详细地研究了阳极氧化Al2O3、 HA/Al2O3-Si复合体系的结构与成分, 以提高Si基生物器械的生物相容性。

图1 HA/Al2O3-Si的结构示意图及HA外层T形的分布特征
Fig.1 Schematic diagram of HA/Al2O3-Si and distribution characteristics
of HA outlayer T-shape
1 实验
1.1 材料制备
PVD沉积Al膜: 采用磁控溅射PVD沉积技术在Si基上沉积厚度为2~3μm的Al膜, 形成Al-Si复合基底, PVD沉积工艺参数与前期的研究工作相同[9]。
阳极氧化形成多孔Al2O3: 以Al-Si复合基底为阳极, 不锈钢为阴极, 1mol/L H3PO4为电解质, 在26℃下5mA/cm2恒流阳极氧化20min, 使Si基表面的Al膜转化为多孔阳极氧化的Al2O3, 再将阳极氧化的Al2O3在稀H3PO4(5%, 质量分数)中浸渍40min进行扩孔处理, 增大阳极氧化Al2O3的孔径大小。
电沉积HA外层: 以上述步骤制备的Si基多孔阳极氧化Al2O3为阴极, 石墨为阳极, 以0.2mol/L Ca(NO3)2和0.1mol/L H3PO4为电沉积电解质, 并用0.1mol/L NaOH调节pH为4~5, 在26℃下以2mA/cm2恒流阴极电沉积40min。 电沉积后所得材料经去离子水反复清洗烘干后待测。
1.2 材料测试与表征
采用扫描电子显微镜(SEM, JSM-5610, 20kV)观察多孔阳极氧化Al2O3与HA/Al2O3复合生物涂层的形貌结构, 电子能谱分析技术(EDS)测定HA/Al2O3复合生物涂层的元素组成, X射线衍射仪(XRD, Siemens D5000, CuKα, λ=0.15405nm)研究复合生物涂层的物相组成。 此外, 复合材料表面还用环氧胶(E-44环氧树脂与聚酰胺的质量比为1∶1)粘结后再剥离, 以研究外层与中间过渡层的界面结构。
2 结果与讨论
2.1 阳极氧化行为与电沉积过程分析
图2所示为Al-Si复合基底在1mol/L H3PO4中5mA/cm2恒流阳极氧化条件下槽电压随时间变化的曲线。 由图2可知, 随着阳极氧化的进行, 槽电压经历了快速上升、 平缓增加以及再次显著增高3个阶段。 这是由于在氧化刚开始的短时间内, 即有一层较薄致密Al2O3层的生成; 随后, 由于阳极氧化Al2O3膜厚度增加使槽电压进一步上升, 但部分致密Al2O3层转化为多孔Al2O3层, 这在一定程度上降低了阳极氧化Al2O3的电阻[12], 导致槽电压的增加速率要明显低于前一阶段; 当氧化时间超过约9min后, 槽电压再次以较快的速率上升, 这说明阳极氧化界面达到Al-Si界面, 即PVD沉积Al膜几乎完全被氧化为Al2O3膜, 此时可观察到阳极氧化Al2O3膜由灰白色逐渐变为暗灰色。
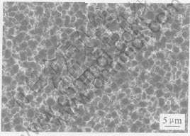
图3所示为扩孔处理后所得的多孔阳极氧化Al2O3的表面形貌。 由图3可知, 扩孔后Al2O3的孔径介于1~3μm之间, 这种微米级孔洞更利于电解液的浸润, 从而有利于电沉积过程中HA在Al2O3孔洞内的沉积。

图2 Al-Si复合基底在5mA/cm2恒流阳极氧化条件下槽电压随时间变化的曲线
Fig.2 Chang curve of cell voltage with anodization time of Al-Si anodized at constant current of 5mA/cm2

图3 扩孔处理后的阳极氧化Al2O3的表面形貌
Fig.3 Surface morphology of anodic oxidation Al2O3 after pore-widen process
以经阳极氧化和扩孔处理后所得的材料为阴极, 在0.2mol/L Ca(NO3)2和0.1mol/L H3PO4中电沉积羟基磷灰石(HA)生物活性涂层。 槽电压与沉积时间的关系如图4所示。 由图4可看出, 在沉积前期的较短时间内, 槽电压上升较快, 这是由于电沉积物在阳极氧化Al2O3孔洞(主要导电通道)中形成(本研究中HA/Al2O3复合涂层部分剥离后的表面形貌及EDS分析结果证明了这一点), 导致阳极氧化Al2O3膜的导电能力快速下降。 整个沉积过程槽电压均呈增加趋势, 反映出电沉积物的持续沉积。

图4 生物活性涂层电沉积过程中槽电压随沉积时间的变化曲线
Fig.4 Chang curve cell voltage with deposition time during electro-deposition of bioactive coating
2.2 复合生物涂层的组成与表面形貌
电沉积后Si基表面复合生物涂层的X射线衍射谱如图5所示。 图5中所示较强的背底衍射峰为基底Si的特征衍射峰和中间过渡层中阳极氧化Al2O3的衍射峰, 其它衍射峰与羟基磷灰石(HA, JCP DS9-432)粉末衍射峰能较好地吻合, 表明电沉积过程获得的沉积物为具有生物活性的羟基磷灰石。 在衍射角为31°~33°处, (211)、 (112)和(300)晶面所对应的三强峰较高, 在衍射角为28.1°和28.9°分别对应的(102)和(210)晶面衍射峰也较强, 但电沉积时羟基磷灰石的晶面取向生长使25.9°处的(002)晶面衍射峰几乎观察不到。

图5 HA/Al2O3-Si复合材料的X射线衍射谱
Fig.5 XRD pattern of HA/Al2O3-Si composite
图6所示为HA/Al2O3-Si复合材料层的EDS谱。 由图6分析可知, 涂层中的n(Ca)/n(P)约为1.61, 低于天然骨的n(Ca)/n(P)(1.67), 表明所沉积的复合生物涂层外层为缺钙羟基磷灰石(Ca-deficient HA)。 这是由于电沉积过程中电解质中含有H3PO4, H3PO4经离解或直接与OH-离子(来自pH值调节剂NaOH)反应能生成HPO2-4, HPO2-4进入电沉积物生成缺钙磷灰石(分子式为Ca5-x(HPO4)x(PO4)3-x(OH)1-x, 0≤x〈1)涂层[13, 14], 从而导致所制备复合材料的生物活性外层的n(Ca)/n(P)〈1.67。

图6 Si基HA/Al2O3复合生物涂层的EDS谱
Fig.6 EDS spectrum of HA/Al2O3 composite biocoating on Si substrate
HA/Al2O3复合涂层部分剥离后的表面形貌如图7所示。 图7中左边部分为未被剥离的HA外层, 右边为剥离区域的形貌。 在右边部分的A点处, HA在剥离过程中已从阳极氧化Al2O3的孔洞中拔出而外露出阳极氧化Al2O3的孔洞; B点处HA在剥离后未被拔出, 仍然保留在Al2O3的孔洞并覆盖阳极氧化Al2O3的表面。 这表明HA不仅覆盖阳极氧化Al2O3的表面, 而且还沉积在阳极氧化Al2O3的孔洞中, HA外层形成与本文作者前期工作相似的T形分布结构特征[9-11], 即在HA外层与HA/Al2O3中间过渡层之间形成了T形互锁界面结构(见图1)[11], 这种T形嵌合结构有助于提高生物活性HA外层与中间过渡层间的结合强度。
2.3 复合生物涂层断面形貌与元素分布
图8所示为Si基HA/Al2O3复合生物涂层的自然断面形貌。 从SEM照片衬度分析, d区白色部分应为HA外层, 其厚度约为3.5μm, a区为Si基底, 阳极氧化Al2O3层则介于两者之间, 即b点与c点间所夹区域。

图7 剥离后HA/Al2O3复合生物涂层的微观形貌
Fig.7 Microphology of HA/Al2O3 composite biocoating after partial exfoliation

图8 Si基HA/Al2O3复合生物涂层的自然断面形貌
Fig.8 Fractured cross-section morphology of Si base HA/Al2O3 composite coating
图8中对应位置的EDS元素分析结果如图9所示。 在a点与b点均检测到Si和Al元素, 即在Si基与阳极氧化Al2O3界面附近Si和Al两种元素出现了相互渗透现象, 这与相关文献[15]结果一致。 阳极氧化Al2O3所含Al元素主要位于b点与c点之间, 这与上文图6中分析结果一致。 在d、 c、 b 3点都存在Ca、 P元素, 进一步表明HA不仅生长于阳极氧化Al2O3外部, 而且在阳极氧化Al2O3孔洞内亦沉积有一定量的HA。 根据以上分析结果, 可标出基底Si、 HA/Al2O3中间层过渡层以及HA外层的相对位置(见图9)。

图9 对应图8中所标记位置的EDS元素分析结果
Fig.9 EDS element analysis results of HA/Al2O3 corresponding to sites shown in Fig.8
3 结论
1) 采用PVD、 阳极氧化以及电沉积相结合的技术在Si基底上成功制备了HA/Al2O3复合生物涂层。 其中, HA为外层, HA/Al2O3为中间过渡层, HA HA不仅沉积于阳极氧化Al2O3的孔洞中, 而且外延生长并覆盖在阳极氧化Al2O3表面, 从而在HA外层与HA/Al2O3中间过渡层之间形成了T形分布的结构特征, 即在HA外层与HA/Al2O3中间过渡层间形成了T形界面结构。
2) 在所制备的HA/Al2O3-Si复合材料中, HA外层可改善复合材料的生物活性, HA/Al2O3中间过渡层能有效地避免因体液渗透而对基底产生的腐蚀作用, 从而对基底形成有效的保护。 复合涂层中HA外层与中间过渡层所形成的T形界面结构有助于提高生物活性HA外层与中间过渡层间的结合强度; HA/Al2O3中间过渡层因直接由铝膜阳极氧化生长在Al-Ti复合基底上, 因而中间过渡层与基底间具有较强的界面结合强度, 可有效避免生物活性涂层的剥离。
REFERENCES
[1]Hench L. Bioceramics: from concept to clinic[J]. J Am Ceram Soc, 1991, 74: 1485-1510.
[2]Kim H. Bioactive ceramics-challenges and perspectives[J]. J Ceram Soc Jpn, 2001, 109(4): S49-S57.
[3]Dubok V. Bioceramics—yesterday, today, tomorrow[J]. Powder Metallurgy and Metal Ceramics, 2000, 39 (7-8): 381-394.
[4]Ishizawa H, Fujino M, Ogino M. Histomorphometric evaluation of thin hydroxyapatite layer formed through anodization followed by hydrothermal treatment bioceramics[A]. Proceedings of the 9th International Symposium on Ceramics in Medicine[C]. Otsu: Pergamon Press, 1996. 289-292.
[5]Fathi M, Salehi M, Saatchi A, et al. In vitro corrosion behavior of bioceramic, metallic, and bioceramic-metallic coated stainless steel dental implants[J]. Dental Materials, 2003, 19: 188-198.
[6]Chung R, Hsieh M, Panda R, et al. Hydroxyapatite layers deposited from aqueous solutions on hydrophilic silicon substrate[J]. Surface and Coatings Technology, 2003, 165: 194-200.
[7]Chen S, Zhu Z, Zhu J, et al. Hydroxyapatite coating on porous silicon substrate obtained by precipitation process[J]. Applied Surface Science, 2004, 230: 418-424.
[8]Liu X, Fu R, Poon R, et al. Biomimetic growth of apatite on hydrogen-implanted silicon[J]. Biomaterials, 2004, 25: 5575-5581.
[9]何莉萍, 吴振军, 陈宗璋. Al-Ti基体上纳米网状钙磷陶瓷/多孔Al2O3生物复合涂层的原位生长[J]. 中国有色金属学报, 2004, 14 (3): 460-464.
HE Li-ping, WU Zhen-jun, CHEN Zong-zhang. In-situ growth of nanometric network calcium phosphate/porous Al2O3 biocomposite coating on Al-Ti substrate[J]. The Chinese Journal of Nonferrous Metals, 2004, 14 (3): 460-464.
[10]He L P, Mai Y W, Chen Z Z. Fabrication and Characterization of nanometer CaP(aggregate)/Al2O3 composite coating on titanium[J]. Mater Sci Eng A, 2004, A367: 51-56.
[11]He L, Mai Y, Chen Z. Effects of anodization on CaP/Al2O3-Ti nanometer biocomposites[J]. Nanotechnology, 2004, 15 (11): 1465-1471.
[12]Patermarakis G, Moussoutzanis K. Mathematical models for the anodization conditions and structural features of porous anodic Al2O3 films on aluminum[J]. J Electrochem Soc, 1995, 142: 737-743.
[13]Hideki M. Electrochemical deposition of calcium deficient apatite on stainless steel substrate[J]. J Ceram Soc Jpn, 1993, 101: 737-739.
[14]Rory M, James C, Stephanie E, et al. Rietveld refinements and spectroscopic studies of the Ca-deficient apatite[J]. Biomaterials, 2005, 26: 1317-1327.
[15]Rahab H, Keffous A, Menari H, et al. Surface barrier detectors using aluminum on n- and p-type silicon for a-spectroscopy[J]. Nuclear Instruments and Methods in Physics Research A, 2001, 459: 200-205.
基金项目: 国家自然科学基金资助项目(50472031); 湖南省杰出青年科学基金资助项目(05JJ10008)
收稿日期: 2005-12-13; 修订日期: 2006-03-30
通讯作者: 何莉萍, 教授, 博士; 电话: 0731-8823863; E-mail: elisahe68@yahoo.com
(编辑李艳红)