文章编号:1004-0609(2011)02-0325-07
间接超声振动制备A356铝合金半固态浆料的机理
朱泽明,吴树森,吕书林,戴 维,万 里,刘龙飞
(华中科技大学 材料成形与模具技术国家重点试验室,武汉 430074)
摘 要:采用间接超声振动方法制备出晶粒尺寸细小、形貌圆整的铝合金半固态浆料,并结合可视化的示踪粒子水模拟实验对其制浆机理进行探讨。结果表明:在容器底部对A356铝合金熔体进行间接超声振动处理20 s即可获得明显的非枝晶初晶颗粒;作用40 s后可获得晶粒形状系数为0.6、平均晶粒直径为70 μm的半固态浆料;在制浆过程中,有明显的超声波作用的特征,即透过容器底部在熔体内部有明显的声流效应、空化效应以及热效应;同时具有高频机械振动的特征,液面搅动较大,凝结于杯壁的固相颗粒剥落,使晶核数量增加;因此,间接超声振动作用于金属熔体时,并不是单纯的机械振动作用效果,而是超声波和高频机械振动的共同作用。
关键词:铝合金;半固态浆料;非枝晶组织;间接超声振动;机理
中图分类号:TG146.2;TG249 文献标志码:A
Mechanism of semi-solid slurry of A356 alloy
prepared by indirect ultrasonic vibration
ZHU Ze-ming, WU Shu-sen, L? Shu-lin, DAI Wei, WAN Li, LIU Long-fei
(National Key Laboratory of Materials Processing and Die and Mould Technology,
Huazhong University of Science and Technology, Wuhan 430074, China)
Abstract: The process of semi-solid A356 alloy slurry prepared by indirect ultrasonic vibration (IUV) and its mechanism, combined with water simulation experiment of visual tracer particles, was investigated. The results show that the non-dendritic primary particles can be produced after A356 alloy IUV treated for 20 s at the bottom of container, and after treated for 40 s, the semi-solid slurry with grain shape coefficient of 0.6 and average grain diameter of 70 μm can be obtained. In the process of indirect ultrasonic vibration, there are obvious characteristics of ultrasonic vibration, such as acoustic streaming, cavitation and thermal effects and the high-frequency mechanical vibration characteristics, such as vigorous surface agitation, the increase of the nucleation induced by falling off solid particles formed on the crucible wall. The melt is IUV treated, the combined action of ultrasonic and high-frequency mechanical vibration are rather than single mechanical vibration effect.
Key words: aluminum alloy; semi-solid slurry; non-dendritic microstructure; indirect ultrasonic vibration; mechanism
随着金属半固态成形理论的不断丰富,制浆工艺日新月异,机械搅拌法[1]、电磁搅拌法[2]、喷射沉积 法[3]、应变诱发熔化激活法[4]、剪切低温浇注法[5]和高能超声振动法[6-8]等技术是目前制备铝合金半固态浆料的主要方法,高能超声振动法制备金属半固态浆料以其独特的优势,具有广阔的发展前景。高能超声振动法根据其超声导入的方式,又可分为从容器内液面的上部导入和从容器外面的底部导入,即直接振动和间接振动。从操作上来看,上部导入较为简便,但是由于直接和金属熔体接触,在高温和循环应力作用下[9],工具头腐蚀严重,而且超声振动使得金属液表面连续的氧化膜遭到破坏,氧化物进入熔体内部造成夹杂,严重影响铸坯质量[10]。底部引入超声波能够避免由于超声振动引起夹杂和工具头被严重腐蚀的问题,因此,研究开发间接超声振动制备半固态浆料的工艺具有重要意义。刘清梅等[11]研究侧部导入超声处理对共晶A1-Si合金凝固特性的影响,表明有细化共晶硅相的作用,并讨论超声波在在铝硅合金中的衰减规律。而国内外对间接超声振动制备半固态浆料的工艺及其机理的研究很少。
本研究采用间接超声振动制备A356铝合金半固态浆料,并将浆料整体水淬,获得经过间接超声振动后显微组织的特殊分布情况,对探讨超声作用机理具有重要作用。由于在金属熔体凝固前进行超声处理时,超声波在金属液中的作用不容易直接观察,本研究尝试以可视化的示踪粒子水模拟实验,采用对聚苯乙烯颗粒水溶液进行间接超声振动,通过观察粒子在间接超声振动下的运动轨迹,得到粒子在间接超声振动下的运动规律,为间接超声振动作用于金属熔体的规律性认识提供参考,对进一步深入开发间接超声振动制备金属半固态浆料的新工艺提供理论参考及指导。
1 间接超声振动制备铝合金半固态浆料的方法
1.1 试验装置
图1所示为本试验所采用的间接超声振动制备铝合金半固态浆料装置的示意图。本装置主要由超声处理系统、支架、测温系统、保温系统以及气动系统组成。超声波从试验用样杯底部导入,压紧力由气缸5提供,为了实时监控试验用样杯中的温度变化,采用温度记录仪对杯中温度进行实时记录,绘制温度变化曲线。超声波发生控制器1可以对工具头2进行振动时间、振动间隔时间及振动总时间进行设定;热电偶将所测得的温度传递给电炉温度控制仪,电炉温度控制仪可以通过保温电炉6对试验用样杯3的预热温度和保温温度进行控制,保温电炉可随气缸的运动上下移动,工作时气缸下行,样杯顶杆4与样杯3上端接触,使实验用样杯3适当受力。样杯3由不锈钢制成,具体尺寸为底部d 58 mm,顶部d 84 mm,高130 mm,浇注时一般浇入60 mm深金属熔体即可。
1.2 试验方法
试验采用的铝合金为A356,其主要成分为7.2%Si,0.35%Mg,0.19%Fe(质量分数),其余Al。其参考半固态温度区间为555~615 ℃[12]。

图1 间接超声振动制备铝合金半固态浆料装置示意图
Fig.1 Schematic diagram of experimental setup of semi-solid slurry of A356 alloy prepared by indirect ultrasonic vibration: 1—Ultrasonic generator; 2—Amplitude transforming rod; 3—Metal cup; 4—Ejector rod; 5—Pneumatic cylinder; 6—Heating furnace
将所配得的A356铝合金放入铸铁坩埚中,用5 kW电阻炉加热至720~750 ℃熔化,静置10 min后用高纯氩气旋转除气15 min,除气完毕后静置并调温至720 ℃,同时预设好超声波发生控制器的参数、保温炉的保温温度。超声发生控制器的具体参数为:功率2.6 kW、频率20 kHz、空振比[13]为1,保温炉的保温温度设置为615 ℃,气缸下行,预热特制样杯和超声工具头,将一定量的金属熔体舀入已预热到530 ℃的特制样杯中,待熔体温度达到设定值时开启振动,同时使用温度记录仪对样杯上部和下部熔体温度进行实时记录,绘制温度变化曲线,如图2。从图2可知,由于样杯底部与超声工具头接触,开始时下部温度比上部低,随着振动的进行,由于熔体对流作用,上、下部温度趋于一致。
待超声处理20、30、40 s后,用内径为6 mm 的石英管抽取少量熔体水淬,最后将试验用样杯连同制备好的半固态浆料整体水淬。在石英管水淬所得试棒上分别切取长度为10 mm 的棒料作为金相试样,整体水淬试样取其剖面的1/2制成金相试样,经嵌样后进行粗磨、细磨、精磨和抛光,然后用体积分数为0.5%的HF溶液浸蚀后,在光学显微镜下观察其显微组织并拍摄金相照片,用本课题组开发的半固态组织定量金相分析软件系统通过这些金相照片对不同条件下的半固态组织进行分析。在半固态组织定量金相分析软件系统中,以晶粒平均直径和形状系数来分别衡量初生α(Al)晶粒的大小和形貌[13]。

图2 间接超声振动过程中熔体的温度变化曲线
Fig.2 Temperature variation curves of A356 slurry during IUV
2 结果与分析
间接超声振动作用时间为20 s、30 s、40 s时获得的半固态组织如图3所示,相对应的晶粒形状系数为分别为0.45、0.58、0.60,平均晶粒直径分别为60、55、70 μm。由图3可以看出,随着超声振动作用时间的延长,在振动引起的液体对流的冲刷下晶粒逐渐趋于圆整,由此可见,采用本试验所用间接超声振动装置处理A356铝合金熔体,20 s即可获得明显的非枝晶初晶颗粒,40 s后可制备出晶粒细小,圆整度高的半固态浆料。
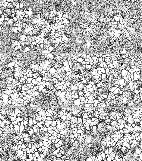
为了进一步探究在间接超声振动下样杯中半固态浆料的分布情况,将金属熔体在625 ℃开始进行间接超声处理,40 s后将熔体整体水淬,整体水淬试样的外观如图4所示。试样中部较低是由于浆料冷却、凝固导致的体积收缩引起的凹陷。整体水淬所得试样按图4所示分部取样,各部位相应的半固态组织如图5所示。
整体水淬试样组织的宏观表现为,与杯壁接触及底部的1.5 mm以内的固相颗粒很少,分别取图4中部位1及2的组织来表示,如图5(a)和(b)所示。在杯壁向内1.5~3.0 mm之间为过渡带,其余部分的组织都比较均匀,因此,取部位4代表样杯的中部,部位3、5代表1/2半径处的上、中部,部位6代表顶部。

图3 不同振动时间时半固态浆料的显微组织
Fig.3 Microstructures of semi-solid A356 slurry at different IUV times: (a) 20 s; (b) 30 s; (c) 40 s

图4 整体水淬试样及取样示意图
Fig.4 Schematic illustration of sampling points in quenched sample

图5 图4中整体水淬试样不同部位半固态组织
Fig.5 Self-solid microstructures of different points of A356 slurry in Fig.4: (a) Point 1; (b) Point 2; (c) Point 3; (d) Point 4; (e) Point 5; (f) Point 6
图5所示整体水淬各取样部位(图5(a)~(f))所对应的固相百分数为28.7%、7.7%、33.5%、35.6%、36.2%、37.0%,对应的晶粒形状系数分别为0.46、0.43、0.50、0.48、0.51、0.47,平均晶粒直径分别为65、60、65、60、60、70 μm。
图5(a)和(b)所示分别为样杯底部和侧壁组织,两者的固相颗粒(特别是侧壁)明显少于其他部位的,含有较多激冷枝晶,固相颗粒的圆整度也低于其他部位的。超声波属于高频率机械波,间接超声振动制备铝合金半固态浆料过程中,超声波由样杯底部导入,作用于熔体前首先作用于样杯底部,引起样杯做小幅度高频率的纵向机械振动,凝结于杯壁和杯底的固相颗粒在机械振动的作用下剥落并随着声流进入熔体内部,导致距离样杯边界较近的组织中固相颗粒较少,并在距离样杯边界约1.5~3.0 mm处呈现过渡带。过渡带以外的近杯壁部位,初生固相颗粒很少,在边界基本没有初生固相颗粒;过渡带以内(见图5(c)~(f)),整体组织分布均匀,为明显的半固态非枝晶组织,即便是熔体上部表面处(部位6)也能得到较为圆整的半固态组织,而过渡带的组织特征是初生固相分数从外向内逐渐升高。
3 间接超声振动制备铝合金半固态浆料机理
3.1 示踪粒子水模拟试验
由于在金属熔体凝固过程中进行超声处理时,超声波在熔体中的作用不容易直接观察,为了探索金属熔体在间接超声振动制浆装置作用下熔体质点的运动规律,本研究采用可视化的示踪粒子水模拟实验来间接探究其特点。本试验采用聚苯乙烯颗粒作为示踪粒子,选择的聚苯乙烯颗粒的平均粒径为950 μm,密度为1.1 g/cm3。具体试验步骤如下:将示踪粒子聚苯乙烯颗粒加入到内径为52 mm、高160 mm、壁厚6 mm的透明塑料杯中,并加入适量的水,将透明塑料杯置于超声振动头凹槽中进行超声处理。
在振动过程中记录温度变化,并用摄像机记录颗粒运动轨迹,用照相机捕抓特征影像。
示踪粒子水模拟试验装置与间接超声振动制备铝合金A356半固态浆料装置类似,只是将不锈钢样杯换成透明塑料杯,其外部撤去了保温炉。
3.2 间接超声振动过程中示踪粒子的行为
图6(a)~(e)所示为在一个振动周期1.5 s内示踪粒子在间接超声作用下的行为。在一个超声作用周期中,示踪粒子的运动可分为以下几个过程。
1) 超声作用前:聚苯乙烯颗粒密度较大,加入水中摇匀,静置数分钟,颗粒下沉,平铺于杯子底部(见图6(a))。
2) 振动开始时:平铺于底部颗粒被超声波的声流快速卷起,但由于声流效应并未影响到上部,可以看出上部液体中颗粒较少,液面搅动幅度不大。在液体中部,声流传递到的区域出现明显纵向的水涡,并在此处出现了粒子的聚集(见图6(b))。分析其原因,应为底部被声流卷起的颗粒随流体快速上扬,运动的过程中受到上部静止液体的阻力而改变了方向,补充底部失去的液体,使沉积于底部的固体颗粒随声流作用进入液体中,实现了底部与上层液体的物质交换。
3) 振动的进一步传递:液面出现剧烈搅动,在液体的中下部出现纵向的水涡,液体上下剧烈对流,纵向水涡的具体形状与间接超声振动作用于杯底的均匀程度有关,其大小与超声功率有关;液体在快速运动过程中受到圆弧形杯壁的阻碍,产生一个切向分力,液体在切向分力的带动下围绕轴心做圆周运动,在液体的中上部产生横向水涡,水涡的中心近似位于杯子轴心,示踪粒子随着液体做圆周运动,由于其物理性质与液体存在差异,粒子在向心力的作用下向轴心运动,使得粒子在水涡中心的聚集程度要高于远离中心处的;单个粒子在横向和纵向水涡的共同作用下呈现无规律的运动状态。由此可知,中上部做周向运动的液体内部存在剪切力的作用,并对杯壁产生较大的冲击,粒子在向心力作用下向轴心聚集;中下部液体由于纵向水涡的作用将对杯底部产生强烈的冲刷,并在强烈的上下对流的作用下将底部颗粒带到上层液体中。可以设想由液相金属在样杯壁凝固形成的微小固相颗粒也将受到纵向和横向漩涡的作用从杯壁脱落卷入熔体,同时受到向心力作用,在熔体中形成异质形核的核心,大大提高了形核率(见图6(c))。
4) 振动传递完全:液面存在强烈搅动,内部液体运动速度降低,水涡向心力减弱,聚集于轴心的粒子向外扩散,远离水涡中心处颗粒聚集程度增加。在液体内部出现气泡,气泡的来源主要有两个方面:① 由于液面在剧烈搅动下卷入气体,形成气泡,气泡随着液体上下对流进入液体内部,此种气泡多聚集在离液面较近处,并随着液面的搅动上下运动;② 超声具有空化效应,空化效应产生空化泡,空化泡由于射流的影响聚集于水涡处形成气泡,此种气泡多聚集于液体内部,超声作用停止后,气泡上浮溢出液体表面(见图6(d))。
5) 超声作用结束:水涡现象变得淡化,示踪粒子聚集现象消失,均布在整个液体中,并依旧绕着杯子轴心做缓慢的圆周运动,进一步使液体的温度场和示踪粒子分布均匀化(见图6(e))。
图6(f)所示为塑料杯在超声处理20 min后静置数分钟示踪粒子的形貌。由图6(f)可看出,超声作用20 min后,水温上升,聚苯乙烯颗粒受热膨胀,体积增大,密度减小,部分漂浮在液面上,静置数分钟后,液体自然冷却到室温,部分示踪粒子受到高能超声波的作用而破碎成棉絮状,均布于液体内部。

图6 间接超声振动过程中示踪粒子的行为
Fig.6 Motion state of visual tracer particles during IUV: (a) Before IUV; (b) Beginning of IUV; (c) Further transmission; (d) Complete transmission; (e) Right after IUV period; (f) After 20 min IUV
3.3 间接超声振动的热效应
在示踪粒子水模拟过程中使用温度记录仪对水的温度进行实时监控,获得超声作用时间—温度曲线,如图7所示。由图7可以看出:随着间接超声振动的进行,液体温度在240 s内近似成直线上升趋势;但是在50 s内,水温变化不大,约3~4 ℃。因此,在使用间接超声振动制备铝合金半固态浆料过程中,超声波产生的热效应影响是较小的。

图7 水温度随间接超声作用的变化
Fig.7 Change of water temperature with IUV time
3.4 间接超声振动制备铝合金半固态浆料机理分析
根据上述水模拟试验结果可知,间接超声振动作用于高温金属熔体时,也呈现明显的超声波作用的特征,即透过容器底部在高温熔体内部有明显的声流效应、空化效应以及热效应。其中声流效应和空化效应对半固态金属浆料的制备具有重要的作用,而在较短的时间内,其热效应对金属熔体的温度变化影响不明显。
超声波在流体中传播时,由于声波与流体粘滞力的交互作用,超声在流体中的有限振幅衰减使液体内从声源处开始形成一定的声压梯度,导致流体的流动,形成声流[13-14]。由于杯子的外形约束,流体在声流效应的作用下在液体内部形成漩涡,在漩涡的作用下,流体内部产生剪切力,初生枝晶根部受到剪切的作用,加速其根部熔断脱落,增加异质形核核心;声流对高温熔体产生剧烈的搅拌作用,使得熔体的温度场和浓度场趋于均匀化,减少了温度梯度,增加了溶质和先析出相在熔体分布的均匀程度,有效地抑制了树枝状晶粒的生长,促进晶粒的圆整化,同时有效地减少固相颗粒的聚集以及区域偏析(见图5(d)~(f))。
空化效应是超声在液态物质中传播所特有的物理现象,在超声波作用下存在于液体中的微小泡核,经历超声的稀疏相和压缩相,体积生长、收缩、再生长、再收缩多次周期性震荡,最终高速度崩裂的动力学过程[15]。空化泡在破裂过程中产生强烈的冲击波和局部高压,激活了熔体中的超细粒子,使他们成为形核基 底[16];同时在空化泡附近的初生枝晶受到空化泡破裂的强烈冲击进一步促使其根部熔断、脱落;晶粒在生长过程中受到局部高压的阻碍,集聚程度降低。
上述模拟试验的结果及铝合金半固态浆料样杯整体水淬的半固态组织观察都表明,间接超声振动作用于金属熔体时,超声波先作用于样杯底部,使样杯做小幅度高频率的纵向机械振动,液面出现较大搅动,在样杯底部、侧壁优先凝固的颗粒在高频的机械振动下剥落,随着熔体内部漩涡进入熔体,成为新的异质形核的核心,大大增加了形核率,进一步细化显微组织。
由此可知,间接超声振动作用于金属熔体时,并不是单纯的机械振动作用的效果,而是超声波和高频机械振动的共同作用。从而采用间接超声振动方法可以制备出组织细小、形状圆整、分布均匀的铝合金半固态浆料。
4 结论
1) 对于A356铝合金熔体,间接超声振动处理 20 s即可获得明显的形状较圆整的非枝晶颗粒,作用40 s后可获得晶粒形状系数为0.6、平均晶粒直径为70 μm的半固态浆料。
2) 在距离样杯侧壁较近的组织中固相颗粒很少;在距离侧壁约1.5~3.0 mm处呈现过渡带,固相率逐渐升高;其余部位整体组织分布均匀,为非枝晶半固态组织,即便是熔体上部表面处也能得到较为圆整的半固态组织。
3) 间接超声振动作用于金属熔体时,呈现明显的超声波作用的特征,即有明显的声流效应、空化效应以及热效应;同时具有高频机械振动的特征,液面搅动较大,凝结于杯壁的固相颗粒剥落,间接超声振动并不是单纯的机械振动作用效果,而是超声波和高频机械振动的共同作用。
REFERENCES
[1] VOGRL A. Turbulent flow and solidification: Stir-casting microstructure[J]. Metals Science, 1978, 12(12): 576-578.
[2] XING Shu-ming, ZEN Da-ben, HU Han-qi, MA Jing, LI Ya-min. Stability condition of semisolid continuous casting process[J]. Transactions of Nonferrous Metals Society of China, 2001, 11(1): 51-53.
[3] 甄子胜, 赵爱民, 毛卫民, 孙 峰, 钟雪友. 喷射沉积高硅铝合金显微组织及形成机理[J]. 中国有色金属学报, 2000, 10(6): 815-818.
ZHEN Zi-sheng, ZHAO Ai-min, MAO Wei-min, SUN Feng, ZHONG Xue-you. Microstructures and formation mechanism of spray deposited hypereutectic Al-Si alloys[J]. The Chinese Journal of Nonferrous Metals, 2000, 10(6): 815-818.
[4] CHOI J C, PARK H J. Microstructure characteristics of aluminum 2024 by cold working in the SIMA Process[J]. Journal of Materials Technology, 1998, 82: 107-116.
[5] 郭洪民, 杨湘杰. 流变压铸YL112铝合金的微观组织特征[J]. 中国有色金属学报, 2008, 18(3): 400-408.
GUO Hong-min, YANG Xiang-jie. Microstructures characteristics of YL112 aluminum alloy produced by rheo- diecasting process[J]. The Chinese Journal of Nonferrous Metals, 2008, 18(3): 400-408.
[6] 吴树森, 赵君文, 万 里, 毛有武, 安 萍. 高能超声波制备铝合金半固态浆料技术的研究[J]. 特种铸造及有色合金, 2009, 29(1): 1-4.
WU Shu-sen, ZHAO Jun-wen, WAN Li, MAO You-wu, AN Ping. Preparation of semi-solid aluminum alloy slurry by ultrasonic vibration[J]. Special Casting & Nonferrous Alloys, 2009, 29(1): 1-4.
[7] WU Shu-sen, ZHAO Jun-wen, ZHANG Li-ping, AN Ping, MAO You-wu. Development of non-dendritic microstructure of aluminum alloy in semi-solid state under ultrasonic vibration[J]. Solid State Phenomena, 2008, 141/143: 451-W456.
[8] ESKIN G I. Broad prospects for commerical application of the ultrasonic (Cavitation) melt treatment of light alloys[J]. Ultrasonic Sonochemistry, 2001, 8(3): 319-325.
[9] ABRAMOV V, ABRAMOV O, BULGAKOV V, SOMMER F. Solidification of aluminium alloys under ultrasonic irradiation using water-cooled resonator[J]. Materials Letters, 1998, 37: 27-34.
[10] ABRAMOV V O, ABRAMOV O V, STRAUMAL B B, GUST W. Hypereutectic Al-Si based alloys with a thixotropic microstructure produced by ultrasonic treatment[J]. Materials and Design, 1997, 18: 323-326.
[11] 刘清梅, 龚永勇, 侯 旭, 戚飞鹏, 翟启杰. 侧部导入超声处理对共晶Al-Si合金凝固特性的影响[J]. 中国有色金属学报, 2007, 17(2): 308-312.
LIU Qing-mei, GONG Yong-yong, HOU Xu,QI Fei-peng, ZHAI Qi-jie. Influence of side ultrasonic treatment on solidification characterization of Al-Si eutectic alloy[J]. The Chinese Journal of Nonferrous Metals, 2007, 17(2): 308-312.
[12] 赵君文, 吴树森, 谢礼志, 毛有武. 机械振动对半固态ZL101铝合金组织的影响[J]. 中国机械工程, 2006, 17(S1): 201-205.
ZHAO Jun-wen, WU Shu-sen, XIE Li-zhi, MAO You-wu. Study on preparing Al alloy ZL101 semi-solid slurry by mechanical vibration method[J]. China Mechanical Engineering, 2006, 17(S1): 201-205.
[13] 赵君文, 吴树森, 谢礼志. 超声波振动制备ZL101铝合金半固态浆料[J]. 特种铸造及有色合金, 2007(s1): 374-377.
ZHAO Jun-wen, WU Shu-sen, XIE Li-zhi. Preparation of Al alloy ZL101 semi-solid slurry by ultrasonic vibrating method[J]. Special Casting & Nonferrous Alloys, 2007(s1): 374-377.
[14] ABRAMOV O V. Action of high intensity ultrasound on solidifying metal[J]. Ultrasonics, 1987, 25(3): 73-82.
[15] 张 婵, 郑爽英. 超声空化效应及其应用[J]. 水资源与水工程学报, 2009, 20(1): 136-138.
ZHANG Chan, ZHENG Shuang-ying. Effect of ultrasonic cavitation and its application[J]. Journal of Water Resources and Water Engineering, 2009, 20(1): 136-138.
[16] JIAN X, XU H, MEEK T T, HAN Q. Effect of power ultrasound on solidification of aluminum A356 alloy[J]. Materials Letters, 2005, 59: 190-193.
(编辑 李艳红)
基金项目:国家自然科学基金资助项目(50775086)
收稿日期:2010-06-18;修订日期:2010-11-28
通信作者:吴树森,博士,教授;电话:13618668186;E-mail: ssw636@hust.edu.cn