孔结构对Ni3Al金属间化合物多孔材料抗腐蚀性能的影响
来源期刊:中国有色金属学报(英文版)2014年第11期
论文作者:吴 靓 贺跃辉 江 垚 曾 毅 肖逸峰 南 博
文章页码:3509 - 3516
关键词:镍铝金属间化合物;腐蚀;孔结构
Key words:nickel aluminide intermetallic; corrosion; pore structure
摘 要:采用元素粉末反应合成的方法并用尿素作为造孔剂制备Ni3Al金属间化合物多孔材料。用电化学和浸泡实验表征Ni3Al金属间化合物多孔材料在6 mol/L KOH溶液中的抗腐蚀行为。系统研究孔结构对材料抗腐蚀性能的影响。研究结果表明:孔隙率较大的Ni3Al金属间化合物多孔材料较孔隙率较小的样品腐蚀更严重,这是由于孔隙率较大的样品具有复杂的联通孔结构以及较大的比表面积。然而,材料的腐蚀速率与比表面积并不成正比,这是因为随着孔隙率的增大,材料的孔径大小、孔径分布以及孔隙形状都随之变化。不同孔隙率大小的Ni3Al金属间化合物多孔材料在碱溶液中均表现出较好的抗腐蚀性能。
Abstract: Porous Ni3Al intermetallics were fabricated by elemental powder reactive synthesis method, using carbamide powders as space holders. Corrosion behavior of porous Ni3Al intermetallics was investigated in a 6 mol/L KOH solution using electrochemical methods and immersion test. Effect of porous structures on the corrosion behavior of the porous Ni3Al intermetallics was studied. The results indicate that the porous Ni3Al intermetallics with higher porosities suffer more serious corrosion than the ones with lower porosities because the complicated interconnected porous structures and the large true surface areas exist in the samples with a higher porosity. But the corrosion rates of the porous Ni3Al intermetallics are not proportional to the true surface areas. The reason is that the pore size, pore size distribution and pore shape of the porous Ni3Al intermetallics change with the increasing porosity. All the porous Ni3Al intermetallics with different porosities exhibit excellent corrosion resistance in a strong alkali solution.
Trans. Nonferrous Met. Soc. China 24(2014) 3509-3516
Liang WU1,2, Yue-hui HE2, Yao JIANG2, Yi ZENG2, Yi-feng XIAO1, Bo NAN2
1. Key Laboratory of Materials Design and Preparation Technology of Hunan Province, School of Mechanical Engineering, Xiangtan University, Xiangtan 411105, China;
2. State Key Laboratory of Powder Metallurgy, Central South University, Changsha 410083, China
Received 4 December 2013; accepted 9 April 2014
Abstract: Porous Ni3Al intermetallics were fabricated by elemental powder reactive synthesis method, using carbamide powders as space holders. Corrosion behavior of porous Ni3Al intermetallics was investigated in a 6 mol/L KOH solution using electrochemical methods and immersion test. Effect of porous structures on the corrosion behavior of the porous Ni3Al intermetallics was studied. The results indicate that the porous Ni3Al intermetallics with higher porosities suffer more serious corrosion than the ones with lower porosities because the complicated interconnected porous structures and the large true surface areas exist in the samples with a higher porosity. But the corrosion rates of the porous Ni3Al intermetallics are not proportional to the true surface areas. The reason is that the pore size, pore size distribution and pore shape of the porous Ni3Al intermetallics change with the increasing porosity. All the porous Ni3Al intermetallics with different porosities exhibit excellent corrosion resistance in a strong alkali solution.
Key words: nickel aluminide intermetallic; corrosion; pore structure
1 Introduction
Nickel aluminide intermetallics have been envisaged as good candidates for a number of industrial sectors, including aerospace, automotive, and power generation industries due to their high tensile strength and yield point, low density, and good high-temperature creep resistance [1-4]. Owing to their excellent corrosion and oxidation resistance especially at the high temperature, nickel aluminides are considered as materials that might replace current nickel-based super alloys in rugged environments [5,6].
Recently, porous intermetallics have attracted much attention for their unique properties with the prospect of various potential applications [7-9]. Porous intermetallics such as TiAl, FeAl, and NiAl have been fabricated by sintering elemental powder compacts [10-12]. All of the research works indicate that the oxidation and corrosion resistance of the porous intermetallics are superior to the conventional porous metals [13,14].
However, pores are inherent defects that make the materials mechanically weak while electrochemically active, there is a decrease in corrosion resistance due to the larger surface area exposed to the electrolyte compared to non-porous materials. But the surface area is not the only factor influencing the corrosion rate of porous structure. The crevices or restrictions of species can result in corrosion rates being not proportional to the true surface area. In a crevice, the solution can become acidic or oxygen deficient, resulting in an autocatalytic process by which localized corrosion accelerates [15]. A previous study [16] has shown that the sintered porous titanium with a higher porosity ratio underwent more severe corrosion than the sample with a lower porosity because of the larger real surface area. However, the unsintered sample with a higher porosity ratio experienced less corrosion than the one with a lower porosity. The discrepancy was related to the pore characteristics of the porous titanium. Furthermore, the electrochemical reaction is essentially a heterogeneous electron transfer reaction occurring at the solid-liquid interface. The three-dimensional natures of the porous Ni3Al intermetallics significantly increase the complexity of the interfacial structure [17].
Currently, there are only very limited studies on the corrosion characteristics of the porous Ni3Al intermetallics. In a previous study, porous Ni3Al intermetallics were determined to have better corrosion resistance than the porous Ni and Ti alloys [13] and could replace the cloth filters in the suspended high enriched alkali solution. In addition, porous Ni3Al intermetallics were also found to have higher electrocatalytic activity during hydrogen generation of alkaline water electrolysis than porous Ni [14]. During filtration and hydrogen revolution reaction process, different pore structures of the materials will be used. So, the study of the effect of the pore structures on corrosion resistance of porous Ni3Al intermetallics is essential.
The present work aims to clarify the influences of the pore structures on the corrosion behavior of the porous Ni3Al intermetallics during electrochemical and immersion tests, and this was accomplished through a systematic comparison of the corrosion characteristics of the porous Ni3Al intermetallics. The porous Ni3Al intermetallics with porosity ranging from 38% to 60% were prepared and their corrosion characteristics in a 6 mol/L KOH solution were investigated.
2 Experimental
2.1 Preparation and characterization of porous Ni3Al intermetallics
The porous Ni3Al intermetallics were fabricated through reactive synthesis of Ni (38 μm) and Al (38 μm) elemental powders. In order to get a higher porosity, high-purity sphere carbamide powders (~50 μm) as the space holders were added. The porosity of Ni3Al intermetallics was tailored by adjusting the amount of carbamide powders added to the samples. The mixed powders were pressed to compacts with dimensions of 5 mm×45 mm×1 mm under a pressure of 200 MPa. Then the specimens were sintered in a vacuum furnace under 1×10-3 Pa at 1250 °C for 2 h followed by furnace cooling to room temperature. There were four types of samples with the porosities of 38%, 50%, 54% and 60% fabricated by adding carbamide powders of 0, 5%, 10% and 15% (mass fraction), respectively.
The morphology and composition as well as crystalline structures of the fabricated porous Ni3Al electrode were characterized by a field-emission scanning electron microscope (NOVA NANOSEM 230) and X-ray diffractometry (XRD, D/MAX-255). The open porosity was measured by the Archimedes method [10]. The gas permeability and maximum pore size were determined on an FBP-3III porous material test instrument, and 99.9% (volume fraction) purified N2 was used as the fluid medium [11]. The maximum pore size could then be measured by the bubble point method [12].
2.2 Electrochemical measurements
2.2.1 Sample preparation for corrosion test
Electrical connection to the porous Ni3Al intermetallics was achieved by attaching a copper wire to one side of the samples at mid-height. The electrical connection was confirmed by means of a multimeter. The specimens were next encapsulated in a thermosetting polyester resin that was allowed to cure for 24 h at room temperature before use. Before the resin was poured over the specimens, a polytetrafluoroethylene tape was used to cover the test face, which could eliminate the process of grinding off the resin after curing. The exposure area was 1 cm2. Finally, insulating lacquer was applied at the resin specimen interface to prevent seepage of electrolyte down the sides of the specimen [18].
2.2.2 Electrochemical test procedure
Electrochemical measurements were performed using the standard three-electrode system. The working electrode was porous Ni3Al intermetallics with both sides exposed to the solution. The reference electrode was Hg/HgO reference electrode and a platinum sheet with 2 cm2 surface area was used as a counter electrode. The test electrolyte was 6 mol/L KOH (analytical reagent) in deionized water.
The potentiodynamic polarization tests and electrochemical impedance spectroscopy (EIS) analysis were performed after 24 h immersion at open circuit. Potentiodynamic curves were measured by scanning the potential from -0.4 V below the open circuit potential to +1.5 V at a scan rate of 0.02 V/s. Each electrochemical experiment was repeated three times with a fresh specimen for each test. The corrosion potential and the corrosion current density were obtained through Tafel approximation. The EIS measurements were obtained using a polarization of ±0.01 V in the frequency range of 105 Hz to 10-1 Hz and 6 points measuring per decade. EIS spectra were interpreted by the software ZSimpWin 3.10.
2.3 Immersion test
The variation of the corrosion rate at 25 °C for porous Ni3Al with different porosities was evaluated by measuring the relative mass loss vs time in a 6 mol/L KOH solution. The samples were ultrasonically cleaned in distilled water for 20 min and then dried at 90 °C for 20 min before being weighted on an analytical balance with a resolution of 0.0001 g. The corrosion attack was expressed in terms of relatively mass loss.
3 Results
3.1 Characterization of porous Ni3Al intermetallics
The fabricated porous Ni3Al was examined by X-ray diffraction to identify its phase composition and crystalline structure. Figure 1 shows the XRD patterns of powder compacts at different temperatures. As the temperature rises, peaks related to Ni2Al3, NiAl and Ni3Al phases appear, while the Ni and Al peaks become weakened. The formation of intermediate phase during the sintering procedure results from the interdiffusion reaction between Ni and Al atoms in compacts. When the temperature reaches 1250 °C, single Ni3Al phase appears on the entire compact. Six peaks in the diffraction spectra at 25°, 37.5°, 44°, 51°, 57.5° and 75° can be assigned to (100), (110), (111), (200), (210) and (220) planes of Ni3Al, respectively.

Fig. 1 XRD patterns of powder compacts at different temperatures
The pore structure parameters of porous Ni3Al are listed in Table 1. As the carbamide content increases, the maximum pore size, permeability and porosity increase respectively. As well known, some small pores exist in the green compact during the pressing procedure and this kind of pores are very small. During the sintering process, carbamide was decomposed below 200 °C, and large pores were formed. In addition, Al atoms diffused towards Ni atoms because of the discrepancy diffusion rate between Ni and Al elements [19]. This was the Kirkendall effect [20]. Pores were formed in the original sites of Al atoms. When the temperature increased, the diffusion rate of Al increased to promote the formation of Kirkendall pores, and a small amount of remained Al powders turned into liquid phase and thus a lot of middle sized pores were formed. In porous Ni3Al intermetallics, the amount of small sized and middle sized pores was the same, and the amount of large sized pores increased with increasing the carbamide content.
Table 1 Pore structure parameters of as-prepared porous Ni3Al electrode

3.2 Electrochemical measurements
The true surface areas of the porous samples are often determined by cyclic polarization curves [21,22]. Figure 2(a) shows the cyclic voltammogram of porous Ni3Al (Porosity of 38%) at different scan rates to determine the double layer capacity of the electrodes. From Fig. 2(a), stationary double layer currents can be seen between the potential ranging from 0 to 0.01V (vs SCE). In this region, the average of capacitive current is proportional to the double layer capacitance [21], and the variation of the average of double layer current densities Jdl,ave=(Jc+Ja)/2 as a function of potential sweep rate can be described as
Jdl,ave=Cd1(dφ/dt)
where Cd1 is the double layer capacitance of electrode, and Jc and Ja are cathodic and anodic current densities, respectively. The relative magnitude of the respective roughness factor, Rf, which stands for the real surface of the electrode [22], is calculated by assuming the value of 20 μF/cm2 as the capacitance of smooth mercury electrode and the results are summarized in Fig. 2(b). The results indicate that the roughness factors or real surface areas of all the samples are between the value of 300 and 400, and the order is: Rf (porosity 38%)

Fig. 2 Cyclic voltammograms in double layer region of porous Ni3Al intermetallics with porosity of 38% at scan rates ranging from 10 to 50 mV/S (a) and relationship between roughness factor and porosity of porous Ni3Al intermetallics (b)
Figure 3 presents the evolution of the open circuit potential as a function of time. As it can be seen, the open circuit potentials of the samples experience a sharp rate of change and stabilize in a relatively short period of time. This shift is an indication of the passivity of electrode surface. In this work, higher positive open circuit potential exhibits for the porous Ni3Al intermetallics with lower porosity. This indicates that the corrosion resistance of the samples with a lower porosity is better.

Fig. 3 Evolution of open circuit potential over time for porous Ni3Al intermetallics in 6 mol/L KOH solution
The corresponding changes of potentiodynamic polarization for the porous Ni3Al intermetallics with different porosities are shown in Fig. 4, and the extracted electrochemical parameters are listed in Table 2. The Jcorr values were determined by extrapolating the linear Tafel segments of the anode and cathode polarization curves and Jcorr/Sreal values [23] reveal the true corrosion current of the porous Ni3Al intermetallics. It can be seen that porous Ni3Al with lower porosity has higher free corrosion potential and lower corrosion current than the one with higher porosity. In fact, the value of free corrosion potential represents a thermodynamic characteristic of a given metal-electrolyte system, but not the kinetics of material corrosion. The Jcorr value can more accurately reflect the corrosion rate than φcorr. Therefore, the increase of Jcorr values and Jcorr/Sreal values of porous Ni3Al intermetallics with higher porosity corresponds to the significantly higher anodic kinetics and lower cathode kinetics. It can speculate based on Ref. [24] that NiO, NiOH and/or NiOOH may exist between the potential ranges of -0.2 V and +1.0 V, which is supported by the results reported on NiCoZn electrode [25].

Fig. 4 Polarization curves of porous Ni3Al intermetallics after immersing in 6 mol/L KOH solution for 24 h
Table 2 Corrosion parameters obtained from potentiodynamic polarization curves

The typical surface morphologies of the porous Ni3Al intermetallics samples polarized to a potential of 1.0 V from -0.5 V are shown in Fig. 5. As compared with the material before electrochemical tests, the changes of the pore structure are not obvious and there is also no pit corrosion or loosen corrosion product on the surface of the porous Ni3Al intermetallics, which exhibits excellent corrosion resistance of all porous Ni3Al intermetallics with different porosities in KOH solutions.
Impedance spectra of porous Ni3Al intermetallics with different porosities after immersion in a 6 mol/L KOH solution for 24 h are presented in Fig. 6, where all the samples exhibit similar spectral features. Capacitive behavior represented by the phase angle approaching -90° and typical of in passive materials, appears in a medium to low frequency range, which means that a passive film forms on all samples in the electrolyte.

Fig. 5 Typical SEM surface morphologies of porous Ni3Al intermetallics with different porosities before (a, c) and after (b, d) potentiodynamic polarization measurement in 6 mol/L KOH solution, terminated at 1.0 V

Fig. 6 Nyquist plots and Bode plots of porous Ni3Al intermetallics with different porosities in 6 mol/L KOH solution
The large phase angle peak can be indicative of the interaction of at least two time constants. Therefore, an equivalent circuit is proposed to model the EIS data obtained from the samples, as shown in Fig. 6(d). In this model, Rs is the resistance of the solution, Rp is the additional resistance of the solution inside the pores, Rox is the charge transfer resistance of the oxygen layer, Cp is the capacitance of the pore wall and Cox is the capacitance of the oxygen layer [25]. It should be mentioned that both capacitances used in the equivalent circuit are not ideal and the deviation from the ideal behavior has been taken into account using a constant phase element CPE [ZCPE=ACPE(jω)-n]. The appearance of the CPE element is often related to the electrode roughness or to the inhomogeneity in the conductance or dielectric constant [26,27]. However, the data cannot be explained with an only two R-C circuit and the equivalent circuit has to be modified by diffusion impedance parallel to the Rp-Cp circuit. For porous materials, corrosion product film forms not only on the metal surface but also on the internal surroundings of pores. So, a diffusion process exists.
The electrical parameters of the equivalent circuit are listed in Table 3. It can be seen that all the R values decrease with the increase of the porosity of porous Ni3Al intermetallics, which shows that the porous samples with lower porosity have better corrosion resistance. Furthermore, a lower capacity is visible in samples with lower porosity. The Warburge parameters (W) are all very small, which means that in these samples, diffusion process was weak and not the nominate step. Since the majority of pores of the porous Ni3Al intermetallics are interconnect (Fig. 7), interconnected channels allow the free flow of the liquid into the pores.
3.3 Immersion test
The mass changes after immersion test in a 6 mol/L KOH solution for 480 h are shown in Fig. 8 and the changes of pore characterization are listed in Table 4. They both exhibit that the porous Ni3Al intermetallics with higher porosity suffer more corrosion than the one with lower porosity. After 480 h corrosion process, the mass change of the materials with the porosity of 60% and 38% are 1% and 0.05%, respectively, which is far smaller than 2%. And the pores characteristics of the materials almost remain the same. It shows that porous Ni3Al intermetallics exhibit excellent corrosion resistance.
Table 3 Fitting results of EIS measurements


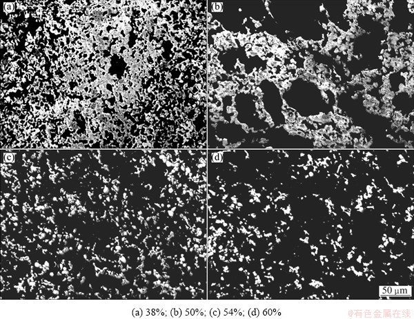
Fig. 7 Optical micrographs of porous Ni3Al intermetallics with different porosities

Fig. 8 Corrosion kinetic curves of porous Ni3Al intermetallics in 6 mol/L KOH
Table 4 Pore structures of porous Ni3Al intermetallics after immersion test

4 Discussion
From the electrochemical results and immersion test, porous Ni3Al intermetallics with higher porosity and larger pore size have poorer corrosion resistance. This is to a certain extent expected from the larger real surface area. The changes in electrochemical parameters obtained from the polarization curves of the porous Ni3Al intermetallics with increasing porosity and pore size are summarized in Table 1. It shows that the corrosion rates are not proportional to the true surface area. In fact, with the increase of the porosity, the surface area of the porous Ni3Al intermetallics increases, the pore size increases and the surface quality and structure uniformity change. In a small pore, the solution can become acidic or oxygen deficient, resulting in an autocatalytic process by which localized corrosion accelerates. In addition, it is known that the corrosion resistance of the Ni3Al intermetallics is associated with the formation of the nickel oxide films on the alloy’s surface. The surface quality, the amount of the residues left on the surface and the microstructure inhomogeneity of the porous Ni3Al intermetallics are the critical factors affecting the formation and quality of the oxide films. However, the preparation of the porous Ni3Al intermetallics generally consists of complex thermomechanical processes. From the optical and SEM micrographs of porous Ni3Al intermetallics, it can be seen that with the increase of the porosity, many pores exhibit irregular shape. And the inner walls of the pores are generally unsmooth. These features may also be vulnerable sites and imperfections in any passive films [20].
There are three types of pores in the porous Ni3Al intermetallics. The large pores with sizes of 100-200 μm are primarily formed by the decomposition of the space-holder, carbamide particles. The middle pores with sizes of 10-20 μm can be attributed to the Kirkendall diffusion between Ni and Al atoms. The small pores with pore sizes below 10 μm are formed by the trapped residuals of crabamide decomposition and exist in the green-compact [11]. The small pores show a better size-uniformity and a more uniform distribution than the large ones. When the porosity increases, the interconnectivity of larger pores is clearly increased.
For the samples with a lower porosity, the majority of the pores are the middle pores and small pores, which are unlikely to have trapped appreciable volumes of solution. This causes the samples relative resistance to induce corrosion. When the porosity increases, the interconnectivity of the larger pores is markedly improved. The interconnected channels allow the free flow of the liquid and fewer sites are available to induce corrosion. Furthermore, with the change of the porosity, pore size distribution and pore shape of the porous Ni3Al intermetallics change correspondingly. It is difficult to provide a complete characterization of the pores by solely measuring the sample porosity and real surface area. This also accounts for that the corrosion rates are not proportional to the true surface area.
5 Conclusions
1) Porous Ni3Al intermetallics with different porosities exhibit excellent corrosion resistance in strong alkali solution.
2) The samples with higher porosities suffer severer corrosion than the ones with lower porosities because the real surface areas of porous Ni3Al intermetallics generally increase with the increasing porosities.
3) The corrosion rates are not proportional to the true surface areas of porous Ni3Al intermetallics because the surface area is not the only factor influencing the corrosion rate. The pore size, pore size distribution and pore shape should also be taken into account.
References
[1] ZHOU Yue-bo, ZHANG Hai-jun. Cyclic oxidation of Y2O3-modified ultrafine-grained Ni3Al alloy coating at 900 °C [J]. Transactions of Nonferrous Metals Society of China, 2012, 22: 2041-2048.
[2] WU Yu-xiao, ZHANG Heng, LI Fu-lin, LI Shu-suo, GONG Sheng-kai, HAN Ya-fang. Kinetics and microstructural evolution during recrystallization of a Ni3Al-based single crystal superalloy [J]. Transactions of Nonferrous Metals Society of China, 2012, 22: 2098-2105.
[3] SHENG Li-yuan, XI Ting-fei, LAI Chen, GUO Jian-ting, ZHENG Yu-feng. Effect of extrusion process on microstructure and mechanical properties of Ni3Al-B-Cr alloy during self-propagation high-temperature synthesis [J]. Transactions of Nonferrous Metals Society of China, 2012, 22: 485-495.
[4] CUI Hong-zhi, WEI Na, ZENG Liang-liang, WANG Xiao-bin, TANG Hua-jie. Microstructure and formation mechanism of Ni-Al intermetallic compounds fabricated by reaction synthesis [J]. Transactions of Nonferrous Metals Society of China, 2013, 23: 1639-1645.
[5] GONZALEZ-RODRIGUEZ J G, MEJIA E, GARCIA M A, SALINAS-BRAVO V M, PORCAYO-CALDERON J, MARTINEZ- VILLAFANE A. An electrochemical study of the effect of Li on the corrosion behavior of Ni3Al intermetallic alloy in molten (Li+K) carbonate [J]. Corrosion Science, 2009, 51: 1619-1627.
[6] MAGDZIARZ A, KALICKA Z. Hot corrosion behaviour of Ni3Al in sulphate—Chloride mixtures in the atmosphere [J]. Corrosion Science, 2007, 49: 1869-1877.
[7] ZHANG Hua-wei, CHEN Liu-tao, LIU Yuan, LI Yan-xiang. Experimental study on heat transfer performance of lotus-type porous copper heat sink [J]. International Journal of Heat Mass Transfer, 2013, 56: 172-180.
[8] LEFEBVRE L P, BANHART J, DUNAND D C. Porous metals and metallic foams: Current status and recent developments [J]. Advanced Engineering Materials, 2008, 10: 775-787.
[9] ABRAHIM A, AL-SAYAH M, SKRDLA P, BEREZNISKI Y, CHEN Y, WU N J. Practical comparison of 2.7μm fused-core silica particles and porous sub-2μm particles for fast separations in pharmaceutical process development [J]. Journal of Pharmaceutical and Biomedical Analysis, 2010, 51: 131-137.
[10] JIANG Yao, HE Yue-hui, XU Nan-ping, ZOU Jin, HUANG Bo-yun, LIU C T. Effects of the Al content on pore structures of porous Ti-Al alloys [J]. Intermetallics, 2008, 16: 327-332.
[11] DONG Hong-xing, HE Yue-hui, JIANG Yao, WU Liang, ZOU Jin, XU Nan-ping, HUANG Bo-yun, LIU C T. Effect of Al content on porous Ni-Al alloys [J]. Materials Science and Engineering A, 2011, 528: 4849-4855.
[12] SHEN Pei-zhi, HE Yue-hui, GAO Hai-yan, ZOU Jin, XU Nan-ping, JIANG Yao, HUANG Bo-yun, LIU C T. Development of a new graded-porosity FeAl alloy by elemental reactive synthesis [J]. Desalination, 2009, 249: 29-33.
[13] WU Liang, JIANG Yao, DONG hong-xing, HE Yue-hui, XU Nan-ping, ZOU Jin, HUANG Bo-yun, LIU C T. The corrosion behavior of porous Ni3Al intermetallic materials in strong alkali solution [J]. Intermetallics, 2011, 19: 1759-1765.
[14] DONG Hong-xing, LEI Ting, HE Yue-hui, XU Nan-ping, HUANG Bo-yun, LIU C T. Electrochemical performance of porous Ni3Al electrodes for hydrogen evolution reaction [J]. International Journal of Hydrogen Energy, 2011, 36: 12112-12120.
[15] SEAH K H W, THAMPURAN R, TEOH S H. The influence of pore morphology on corrosion [J]. Corrosion Science, 1998, 40: 547-556.
[16] SEAH K H W, THAMPURAN R, CHEN X, TEOH S H. A comparison between the corrosion behavior of sintered and unsintered porous titanium [J]. Corrosion Science, 1995, 37: 1333-1340.
[17] SUN X T, KANG Z X, ZHANG X L, JIANG H J, GUAN R F, ZHANG X P. A comparative study on the corrosion behavior of porous and dense NiTi shape memory alloys in NaCl solution [J]. Electrochimica Acta, 2011, 56: 6389-6396.
[18] BLACKWOOD D J, CHUA A W C, SEAH K H W, THAMPURAN R, TEOH S H. Corrosion behavior of porous titanium-graphite composites designed for surgical implants [J]. Corrosion Science, 2002, 42: 481-503.
[19] MATER K M. Review: Reaction synthesis processing of Ni-Al intermetallic materials [J]. Materials Science and Engineering A, 2001, 299: 1-15.
[20] PAUL A, van DAL M J H, KODENTSOV A A, van LOO F J J. The Kirkendall effect in multiphase diffusion [J]. Acta Materialia, 2004, 52: 623-630.
[21] CUI Bai, LIN Hong, LI Jian-bao, LI Xin, YANG Jun, JIE Tao. Core-ring structured NiCo2O4 nanoplatelets: Synthesis, characterization, and electrocatalytic applications [J]. Advanced Functional Materials, 2008, 18: 1440-1447.
[22] KRSTAJIC N V, JOVIC V D, GAJIC-KRSTAJIC L, JOVIC B M, ANTOZZI A L, MARTELLI G N. Electrodeposition of Ni-Mo alloy coatings and their characterization as cathodes for hydrogen evolution in sodium hydroxide solution [J]. International Journal of Hydrogen Energy, 2008, 14: 3676-87.
[23] WANG Li-ping, ZHANG Jun-yan, GAO Yan, XUE Qun-ji, HU Li-tian, XU Tao. Grain size effect in corrosion behavior of electrodeposited nanocrystalline Ni coatings in alkaline solutions [J]. Scripta Materialia, 2006, 55: 657-660.
[24] SOLMAZ R, DONER A, SAHIN I, YUCE A O, KARDAS G, YAZICI B. The stability of NiCoZn electrocatalyst for hydrogen evolution activity in alkaline solution during long-term electrolysis [J]. International Journal of Hydrogen Energy, 2009, 19: 7910-7918.
[25] RAMMELT U, KOEHLER S, REINHARD G. Synergistic effect of benzoate and benzotriazole on passivation of mild steel [J]. Corrosion Science, 2008, 50: 1659-1663.
[26] MARTINEZ S, METIKOS-HUKOVIC M, VALEK L. Electrocatalytic properties of electrodeposited Ni-15Mo cathodes for the HER in acid solutions: Synergistic electronic effect [J]. Journal of Molecular Catalysis A: Chemical, 2006, 245: 114-121.
[27] ANTOZZI A L, BARGIONI C, IACOPETTI L, MUSIANI M, VAZQUEZ-GOMEZ L. EIS study of the service life of activated cathodes for the hydrogen evolution reaction in the chlor–alkali membrane cell process [J]. Electrochimica Acta, 2008, 53: 7410-7416.
吴 靓1,2, 贺跃辉2,江 垚2,曾 毅2,肖逸峰1,南 博2
1. 湘潭大学 机械工程学院 材料设计及制备技术湖南省重点实验室,湘潭 411105;
2. 中南大学 粉末冶金国家重点实验室,长沙 410083
摘 要:采用元素粉末反应合成的方法并用尿素作为造孔剂制备Ni3Al金属间化合物多孔材料。用电化学和浸泡实验表征Ni3Al金属间化合物多孔材料在6 mol/L KOH溶液中的抗腐蚀行为。系统研究孔结构对材料抗腐蚀性能的影响。研究结果表明:孔隙率较大的Ni3Al金属间化合物多孔材料较孔隙率较小的样品腐蚀更严重,这是由于孔隙率较大的样品具有复杂的联通孔结构以及较大的比表面积。然而,材料的腐蚀速率与比表面积并不成正比,这是因为随着孔隙率的增大,材料的孔径大小、孔径分布以及孔隙形状都随之变化。不同孔隙率大小的Ni3Al金属间化合物多孔材料在碱溶液中均表现出较好的抗腐蚀性能。
关键词:镍铝金属间化合物;腐蚀;孔结构
(Edited by Yun-bin HE)
Foundation item: Project (2009CB623406) supported by the National Basic Research Program of China; Project (12JJ4044) supported by the Natural Science Foundation of Hunan Province, China; Project (13C902) supported by the Scientific Research Fund of Hunan Provincial Education Department, China
Corresponding author: Yue-hui HE; Tel: +86-731-88877391; Fax: +86-731-88836144; E-mail: yuehui@csu.edu.cn
DOI: 10.1016/S1003-6326(14)63495-6