
Thermal expansion and dimensional stability of unidirectional and orthogonal fabric M40/AZ91D composites
SONG Mei-hui(宋美慧), WU Gao-hui(武高辉), CHEN Guo-qin(陈国钦), YANG Wen-shu(杨文澍)
School of Materials Science and Engineering, Harbin Institute of Technology, Harbin 150001, China
Received 29 August 2008; accepted 12 March 2009
Abstract: Unidirectional (60%, volume fraction) and orthogonal (50%, volume fraction) M40 graphite fibre reinforced AZ91D magnesium alloy matrix composites were fabricated by pressure infiltration method. The coefficients of thermal expansion (in the temperature range of 20-350 ℃) and dimensional stability (in the temperature range of 20-150 ℃) of the composites and the corresponding AZ91D magnesium alloy matrix were measured. The results show that coefficients of thermal expansion of the composites in longitudinal direction decrease with elevating temperature. The coefficients of thermal expansion (CTE) for unidirectional M40/AZ91D composites and orthogonal M40/AZ91D composites are 1.24×10-6 ℃-1 and 5.71×10-6 ℃-1 at 20 ℃, and 0.85×10-6 ℃-1 and 2.75×10-6 ℃-1 at 350 ℃, respectively, much lower than those of the AZ91D alloy matrix. Thermal cycling testing demonstrates that the thermal stress plays an important role on residual deformation. Thus, a better dimensional stability is obtained for the AZ91D magnesium alloy matrix composites. More extreme strain hysteresis and residual plastic deformation are observed in orthogonally fabric M40 reinforced AZ91D composite, but its net residual strain after each cycle is similar to that of the unidirectional M40/AZ91D composite.
Key words: composites; coefficient of thermal expansion; dimensional stability; thermal cycles
1 Introduction
Magnesium alloys have wide applications in many areas due to their high specific strength, high specific stiffness, excellent damping capacity and thermal conductivity[1]. However, they suffer from several inherent deficiencies, such as high thermal expansion and poor dimensional stability, which currently prevent their applications for high-precision aerospace system. Fortunately, graphite fibre reinforced magnesium matrix composites (Gr/Mg) could overcome these deficiencies[2-4]. These composites have been identified as potential candidate materials for application in high-precision space-based systems[5-6], such as mirror substrates of space station, high precision airborne radar, precise navigation and optical measurement systems[7-8].
At present, the unidirectional fibre reinforced magnesium alloy matrix composites have been widely investigated[9-11]. However, the research of fibre reinforced composites is still focused on mechanical properties, while only a few investigations on their thermal expansion behaviours and dimensional stability were reported[12-14]. The properties of graphite fibre reinforced magnesium alloy matrix composites are greatly influenced by temperature due to the large difference of coefficient of thermal expansion (CTE) between fibre and magnesium alloy and the fibre arrangement. The strain hysteresis and residual plastic strains during thermal cycling have a complex influence on thermal expansion behavior, resulting in instantaneous and cumulative dimensional instability[15]. Moreover, the thermal expansion behaviours are also affected by the interface. Therefore, in this work, unidirectional (60%, volume fraction) and orthogonally fabric (50%, volume fraction) M40 graphite fibre reinforced magnesium alloy AZ91D composites are fabricated by pressure infiltration method, and their microstructure is studied. Meanwhile, their thermal expansion behavior and dimensional stability are investigated by coefficient of thermal expansion (CTE) measurement and thermal cycling testing, respectively.
2 Experimental
2.1 Materials
The M40 graphite fibres were used to reinforce AZ91D alloy by pressure infiltration method. Fibre volume fractions in unidirectional M40/AZ91D composite and orthogonally fabric M40/AZ91D composite were about 60% and 55%, respectively. Table 1 lists the nominal compositions of AZ91D alloy; and the physical properties of M40 fibre and AZ91D are listed in Table 2.
Table 1 Chemical compositions of AZ91D magnesium alloy (mass fraction, %)

Table 2 Physical properties of M40 fibre and AZ91D alloy

2.2 Testing
The morphology of the composites was observed by ZEISS 40MAT optic microscope. The interface characteristics of the composites were investigated by PhilipsCM-12 transmission electron microscope (TEM). The morphology of composite was observed by S-4700 scanning electron microscope (SEM), and energy disperse X-ray (EDS) was employed. The CTE measurement and thermal cycling test were both carried out on a Dilatometer 402C. The diameter of cylinder sample was 4 mm and the length was 25 mm. During the CTE measurement, the temperature was heated from 20 ℃ to 350 ℃ at a rate of 5 ℃/min. The helium atmosphere was maintained at a flow rate of 50 mL/min to ensure the equilibrium of temperature and prevent the oxidation of samples. In this work, the CTE data were determined between 20 ℃ and 350 ℃, with 50 ℃ intervals extending up to 350 ℃.
The samples were cycled between 20 ℃ and 150 ℃ for 15 complete cycles with heating and cooling rates of 8 ℃/min. The helium atmosphere was maintained at a flow rate of 50 mL/min and liquid nitrogen was used as coolant. Before each cycle, the samples were maintained at 20 ℃ for 25 min to ensure the uniformity of temperature.
3 Results and discussion
3.1 Microstructure
Fig.1 shows the microstructure of the polished and etched M40/AZ91D composites. M40/AZ91D composites are well infiltrated with good fibre dispersion. Pores or significant casting defects are not observed. The diameter of single fibre is about 6.5 μm. Fig. 2 displays the microstructure of the casting AZ91D alloy. The grain size of cast AZ91D alloy is about 300 μm, and Mg17Al12 precipitates and discontinuous blocky β precipitates are observed on the grain boundary[16-17]. It is reported that large grains may deteriorate the dimensional stability of alloy matrix.

Fig.1 Optic micrograph of M40/AZ91D composite

Fig.2 Optic micrograph of AZ91D alloy
It is well established that the properties of composites are associated with their matrix, reinforcement and interface; and especially, efficient load transfer to reinforcement is dependent on the nature of the interface between the matrix and the reinforcement. The interface of M40/AZ91D composite was revealed by TEM (Fig.3). The combination between Mg alloy and fibres is good, and no interfacial debonding is observed by TEM observation. It should be noted that discontinuous needle-shaped precipitate (Fig.3(a)) and blocky precipitate (Fig.3(b)) are evident at the interface, which are indicated to be Al4C3 and Mg17Al12 by electron diffraction analysis, respectively. Furthermore, finely dispersed precipitate is also observed, and it is reported to be Mg17Al12 or MgO[18]. The temperature of fibre surface is lower than that of liquid magnesium alloy during cooling from the casting temperature, and the fiber surface becomes the solidification front, which results in the segregation of Al at interface (Fig.4), and then Al4C3 is formed by reaction between carbon fiber and Al. Furthermore, fibre surface acts as nucleation centres where equilibrium metallic phases (Mg17Al12) are formed due to their high surface energies, and grow to blocky shape eventually. Moreover, MgO precipitates result from the chemical reaction between oxygen element adsorbed by fibre and liquid magnesium alloy. Fortunately, both interfacial reactant and precipitate can improve the interfacial bonding, and then impose high mechanical restraints on thermal expansion of matrix, which is beneficial for composite properties[19].

Fig.3 TEM images showing Al4C3 (a) and Mg17Al12 (b)

Fig.4 EDS analysis results of M40/AZ91D composite
3.2 Thermal expansion behavior of unidirectional M40/AZ91D composite
The thermal expansion coefficient of unidirectional M40/AZ91D composite is nearly zero, which is much lower than that of the AZ91D alloy matrix under the same condition, as shown in Fig.5(a). The M40 fibre (CTE: -1.1×10-6 ℃-1) imposes strong restraints on thermal expansion of the matrix in the longitudinal direction when heating, resulting in a much lower CTE for unidirectional M40/AZ91D composite than the matrix, as shown in Fig.5(b). It should be noted that, CTE—temperature relation of unidirectional M40/ AZ91D composite is different from that of the AZ91D alloy. The CTE of AZ91D alloy increases with temperature increasing, while the CTE of the composite changes little under the same condition. The difference should also be due to the mechanical restraints imposed by fibres on thermal expansion of AZ91D alloy[20]. In this work, CTE of unidirectional M40/AZ91D composite changes from approximately 1.24×10-6 ℃-1 at 20 ℃ to 0.85×10-6 ℃-1 at 350 ℃, much lower than that of the AZ91D alloy (28×10-6 ℃-1), and achieves near-zero thermal expansion.

Fig.5 Temperature dependence of relative linear length change (a) and CTE (b) for unidirectional M40/AZ91D composite and AZ91D alloy
Based on the theory of equivalent strain during thermal expansion[21], the thermal strain of the composite can be calculated by the following model[15]:
(1)
where σ and ε represent stress and strain, respectively; α and E are coefficient of thermal expansion and elastic modulus, respectively; ΔT is the change from the reference temperature; and subscripts m, f and c refer to the matrix, fibre and composite, L refers to longitudinal direction, and p denotes plastic.
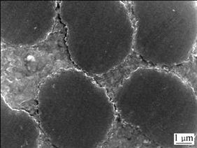
Then, the CTE is the derivative of the Eq.(1). DUTTA[22] calculated the thermal strain of carbon fibre reinforced aluminium composite during heating, and reported that the slope of strain curve decreased with increasing temperature, which indicated CTE decreased at elevated temperature. The large CTE difference between fiber and matrix induces large internal thermal stress at the interface during composite fabricating, and fibres endure residual compressive stress while Mg matrix endures residual tensile stress at the initial stage of testing[23-24]. The thermal stress induced by thermal expansion at elevated temperature eliminates the residual tensile stress and ultimately transforms into compressive stress. Plastic deformation occurs in the matrix when the compressive stress exceeds the yield strength of the matrix, which eliminates the compressive stress. The coordination of the strain of fibre and matrix is realized by interface sliding[4, 25-26], which results in fiber protruding significantly from the matrix, as shown in Fig.6. The change of stress mentioned above varies with temperature, and eventually results in the CTE decreasing with increasing temperature[20]. However, there will be many obstacles to calculate CTE of composite.

Fig.6 SEM image showing fiber protruding significantly from matrix after testing
In the prediction of the thermal expansion of unidirectional fibre reinforced composites, many models, such as ROM, Turner and Schapery model are usually employed[27-28]. Without consideration of stress transfer at interfaces, the CTE of fibre reinforced composites can be simply predicted by the ROM. However, for more precise predictions in usual cases, the stress interaction at the interfaces may not be neglected and ROM is thus no longer valid. The hydrostatic pressure assumption is adopted in Turner model, and it neglects the residual stress generating during composite fabrication. Thus, the real stress of composites cannot be precisely predicted by Turner model. Based on energy considerations, Schapery model considers the stress interaction between fibre and matrix, and it is usually in a good accordance with experiments. When matrix alloy in composite is in the elastic stage, Schapery model may be expressed as
(2)
where α, φ and E are referred to the CTE, the volume fraction and the elastic modulus, respectively. The properties of the composite, fibre and matrix are denoted by subscripts c, f and m, respectively.
In this work, CTE and elastic modulus are -1.1×10-6 ℃-1 and 377 GPa for M40 fibre, and 28×10-6 ℃-1 and 45 GPa for AZ91D matrix alloy, respectively. Theoretical CTE of unidirectional M40/AZ91D composite calculated by Eq.(2) is 1.3×10-6 ℃-1, in a good accordance with experiment (1.24×10-6 ℃-1 at 20-150 ℃).
3.3 Dimensional stability of unidirectional M40/ AZ91D composite
Thermal strain dl/l0 of unidirectional M40/AZ91D composite reduces greatly over the AZ91D alloy in the same temperature range due to the lower CTE of composite. The residual relative length change (Δ) is calculated from strain—time curves (Fig.7) by following equation:
(3)
where l20 is the original sample length at 20 ℃; and li refers to the sample length at the same temperature after i cycles. The magnitude of Δ represents the accumulative residual length change after i cycles.

Fig.7 Time dependence of relative length change for unidirectional M40/AZ91D composite (a) and AZ91D alloy (b)
Fig.8 reveals the variation of the residual relative length change (Δ) with cycling number for unidirectional M40/AZ91D composite and AZ91D alloy. Both materials present a progressive increase in residual length change with cycling number. Nevertheless, the temperature cycling causes a lower Δ for unidirectional M40/AZ91D composite than matrix alloy. This demonstrates a better dimensional stability of unidirectional M40/AZ91D composite.

Fig.8 Residual relative length change vs number of cycling for unidirectional M40/AZ91D composite (a) and AZ91D alloy (b)
Based on the above results, another parameter, the net residual relative length change (Δi) could be obtained by
(4)
where li-1 and li refer to the sample length at 20 ℃ after i-1 and i cycles, respectively. Certainly, i is in the range of 1-15. The magnitude of Δi represents the residual length change in i cycles. Fig.9 shows the results of variation of Δi with cycling number.

Fig.9 Net residual relative length change vs number of cycling for unidirectional M40/AZ91D composite (a) and AZ91D alloy (b)
The first cycle behavior of the unidirectional M40/AZ91D composite is different from that of cycles 2-15. In the high volume fraction composite, strain hysteresis and residual stain generation are most extreme over the first cycle. Once again, residual plastic strain reduces significantly after the first cycle; however, hysteresis remains to a similar extent over the cycles presented. Residual tensile stress generated during composite fabrication and thermal stress generated during thermal cycle testing would surpass yield strength of the matrix and result in the generation of large residual stain[22, 29-30]. However, the relaxations of residual tensile stress generated during composite fabrication result in lower plastic deformation in subsequent cycles than the first cycle. Fig.9(a) shows that Δi is stable after 10 cycles, which reveals the elimination of residual tensile stress in composites[31]. Nevertheless, incorporating M40 graphite fibres with a negative CTE in longitudinal direction in AZ91D matrix with a large positive CTE can result in the generation of large thermal stress with only modest temperature variations, which causes matrix plastic deformation. Unfortunately, the deformation cannot be eliminated with thermal cycle, and the deformation accumulation has a great influence on dimensional stability [15, 32-33]. Value of Δi decreases to be stable eventually with cycling, but is still higher than zero. The residual plastic strain of unidirectional M40/AZ91D composite is much lower than that of the AZ91D matrix after the first cycle; and this reveals a better dimensional stability for the unidirectional M40/AZ91D composite.
3.4 Thermal expansion behavior and dimensional stability of orthogonal fabric M40/AZ91D composite
Fig.10 reveals the relative linear length change and CTE with the variation of temperature of orthogonally fabric M40 reinforced AZ91D composite. Similar to unidirectional M40/AZ91D composite, the CTE of orthogonal fibre reinforced AZ91D composite decreases at elevated temperature, from 5.71×10-6 ℃-1 at 20 ℃ to 2.75×10-6 ℃-1 at 350 ℃.

Fig.10 Temperature dependence of relative linear length change and CTE for orthogonally fabric M40/AZ91D composite
The strain—time curve, Δ and Δi with the variation of temperature of orthogonal fibre reinforced AZ91D composite are shown in Fig.11. Compared with Fig.7(a), Fig.8(a) and Fig.11(a), it is obvious that strain hysteresis and residual plastic stain are more extreme in orthogonal fabric M40 reinforced AZ91D composite. However, the values of Δi after each thermal cycle are basically same as unidirectional M40/AZ91D composite.

Fig.11 Time dependence of relative length change (a) and Δ and Δi vs cycling numbers (b) for orthogonally fabric M40/AZ91D composite
4 Conclusions
1) The combination between Mg alloy and M40 graphite fibres is good, and Al segregated at the interface mainly exists in the form of interfacial reactant Al4C3 and precipitate Mg17Al12.
2) CTE of unidirectional M40/AZ91D composite changes from approximately 1.24×10-6 ℃-1 at 20 ℃ to 0.85×10-6 ℃-1 at 350 ℃, in a good accordance with Schapery model. The CTE of orthogonal fibre reinforced AZ91D composite decreases from 5.71×10-6 ℃-1 at 20 ℃ to 2.75×10-6 ℃-1 at 350 ℃.
3) The thermal expansion behavior of orthogonal fibre reinforced composite is similar to that of unidirectional composite. The residual relative length change of the composite increases with thermal cycle, still far lower than that of the AZ91D matrix. Net residual relative length change of the M40/AZ91D composite of the first cycle is different from that of subsequent cycles, and reaches its maximum in the first cycle. The residual plastic strain of M40/AZ91D composite decreases to a stable value eventually with thermal cycle.
References
[1] ZHANG Hong-jie, MENG Jian, TANG Ding-xiang. Investigation, exploitation and application of magnesium rare earth alloy as a structure material [J]. Journal of the Chinese Rare Earth Society, 2004, 22: 40-47. (in Chinese)
[2] K?RNER C, SCH?FF W, OTTM?LLER M, FSINGER R. Carbon long fiber reinforced magnesium alloys [J]. Advanced Engineering Materials, 2000, 6: 327-331.
[3] HUFENBACH W, ANDRICH M, LANGKAMP A, CZULAK A. Fabrication technology and material characterization of carbon fibre reinforced magnesium [J]. Journal of Materials Processing Technology, 2006, 175: 218-224.
[4] RUSSELL-STEVENS M, TODD R, PAPAKYRIACOU M. The effect of thermal cycling on the properties of a carbon fibre reinforced magnesium composite [J]. Materials Science and Engineering A, 2005, 397: 249-256.
[5] ZHAO Hui-feng, XIA Cun-juan, MA Nai-heng, WANG Hao-wei, LI Xian-feng. Coating carbon fiber reinforced magnesium composite [J]. Material & Heat Treatment, 2007, 36(12): 37-39. (in Chinese)
[6] LI Kun, PEI Yong-liang, GONG Jun, SHI Nan-lin, SUN Chao. Fabricating of SiO2 coating on carbon fibre and its application in Mg-based composite [J]. Acta Metallurgica Sinica, 2007, 43(12): 1282-1286.
[7] WU Feng, ZHU Jing, CHEN Yu, ZHANG Guo-ding. Microstructure of interface in C/Mg metal matrix composite [J]. Journal of Chinese Electron Microscopy Society, 1995(1): 10-14. (in Chinese)
[8] LIU Guan-jun, LI Wen-fang, DU Jun. Investigation on wettability of Al-Mg metalmatrix composites [J]. Foundry, 2006, 55(9): 991-995.
[9] GAO Shan, ZHAO Hao-feng. Study on the corrosion of carbon fiber reinforced magnesium composites [J]. Research Studies on Foundry Equipment, 2004, 5: 13-15. (in Chinese)
[10] KUMAR S R, PANIGRAHI M K, THAKUR S K, KAINER K U, CHAKRABORTY M, DHINDAW B K. Characterization of stress in reinforcements in magnesium based squeeze infiltrated cast hybrid composites [J]. Materials Science and Engineering A, 2006, 415: 207-212.
[11] SCHALLER R. Mechanical spectroscopy of interface stress relaxation in metal-matrix composites [J]. Materials Science and Engineering A, 2006, 442: 423-428.
[12] OCHIAI S, OKUDA H, SUZUKI N. Deformation and fracture behavior of notched and unnotched unidirectional C/C-Mg composite with Young’s modulus 520 GPa and tensile strength 1 GPa [J]. Journal of Materials Science, 2003, 38: 1737-1745.
[13] WU Gao-hui, SONG Mei-hui, WANG Ning. The mechanical and thermal expansion properties of the 2-D Cf/Mg composites [J]. Materials for Mechanical Engineering, 2008, 32(3): 69-81. (in Chinese)
[14] WANG Ni, SONG Mei-hui, ZHANG Gui-yi, WU Gao-hui. Thermal expansion properties of (Grf+SiCp)/Mg composites [J]. Aerospace Materials & Technology, 2007, 8: 71-74. (in Chinese)
[15] RUSSELL-STEVENS M, TODD R, PAPAKYRIACOU M. Thermal expansion behavior of ultra-high modulus carbon fibre reinforced magnesium composite during thermal cycling [J]. Journal of Materials Science, 2006, 41: 6228-6236.
[16] CELOTTO S. TEM study of continuous precipitation in Mg-9wt%Al-1wt%Zn alloy [J]. Acta Materialia, 2000, 48: 1775-1787.
[17] BUR??K J, SVOBODA M A. HREM and analytical STEM study of precipitates in an AZ91 magnesium alloy [J]. Microchimica Acta, 2002, 139: 39-42.
[18] RUSSELL-STEVENS M, TODD R, PAPAKYRIACOU M. Microstructural analysis of a carbon fibre reinforced AZ91D magnesium alloy composite [J]. Surface and Interface Analysis, 2005, 37: 336-342.
[19] LI Kun, SHI Nan-lin, SUN Chao. Review on interface of carbon fiber reinforce magnesium matrix composites [J]. Materials Review, 2005, 19: 425-427. (in Chinese)
[20] FEI Zhu-ming, ZHANG Guo-ding, ZHOU Yao-min, WANG Hong-hua. The thermal properties of uncontinued graphite fiber reinforced magnesium matrix composites [J]. Materials for Mechanical Engineering, 1996, 20(4): 1-4. (in Chinese)
[21] QIN Yao-chun, HE Shi-yu, YANG De-zhuang. Effect of thermal mechanical cycling on thermal expansion behavior of boron fiber reinforced aluminum matrix composite [J]. Materials Chemistry & Physics, 2004, 86: 204-209.
[22] DUTTA I. Role of interfacial and matrix creep during thermal cycling of continuous fiber reinforced metal matrix composites [J]. Acta Materialia, 2000, 48: 1055-1074.
[23] KUO S L, KAO P W. Thermal cycling induced deformation and damage in Mo fibre reinforced aluminum composites [J]. Materials Chemistry & Physics, 1999, 58: 83-86.
[24] ISHIKAWA T, NAGASHIMA A, KANDORI K. Thermal cycling studies of across-piled P100 graphite fiber reinforced 6061 aluminum composite [J]. Journal of Materials Science, 1998, 26: 6223-6230.
[25] LU T J, HUTCHINSON J W. Effect of matrix cracking and interface sliding on the thermal expansion of fibre-reinforced composites [J]. Composites, 1995, 26(6): 403-414.
[26] CHEN Liang-guang, LIN Su-jien, CHANG Shou-yi. Tensile properties and thermal expansion behaviors of continuous molybdenum fiber reinforced aluminum matrix composites [J]. Composites Science and Technology, 2006, 66(11/12): 1793-1802.
[27] KARADENIZ H, KUNLUTAS D. A numerical study on the coefficients of thermal expansion of fiber reinforced composite materials [J]. Composite Structures, 2007, 78: 1-10.
[28] McCARTNER L N, KELLY A. Effective thermal and elastic properties of [+θ/-θ]s laminates [J]. Composites Science and Technology, 2007, 67: 646-661.
[29] KORB G, KORA?B J, GROBOTH G. Thermal expansion behavior of unidirectional carbon fibre reinforced copper matrix composites [J]. Composites Part A, 1998, 29: 1563-1567.
[30] WU Feng, ZHU Jing. The residual strain, dislocation and twin in Gr(C)/Mg composite [J]. Acta Metallurgica Sinica, 1998, 34(5): 449-454. (in Chinese)
[31] ZHANG Qiang, WU Gao-hui, JIANG Long-tao, CHEN Guo-qin. Thermal expansion and dimensional stability of Al-Si matrix composite reinforced with high content SiC [J]. Materials Chemistry & Physics, 2003, 81: 780-785.
[32] WOLFF E G, MIN B K, KURAL M H. Thermal cycling of a unidirectional graphite-magnesium composite [J]. Journal of Materials Science, 1985, 20: 1141-1149.
[33] MITRA S, DUTTA I,HANSEN R C. Thermal cycling studies of a cross-plied P100 graphite fibre-reinforced 6061 aluminum composite laminate [J]. Journal of Materials Science, 1991, 26: 6223-6230.
Corresponding author: SONG Mei-hui; Tel: +86-451-86402373-4053; E-mail: smh1980@126.com
DOI: 10.1016/S1003-6326(09)60095-9
(Edited by YANG Bing)